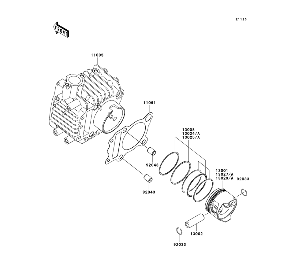
Engine Cylinder Head
01
Engine Cylinder/Piston (s)
02
Engine Air Cleaner
03
Engine Muffler (s)
04
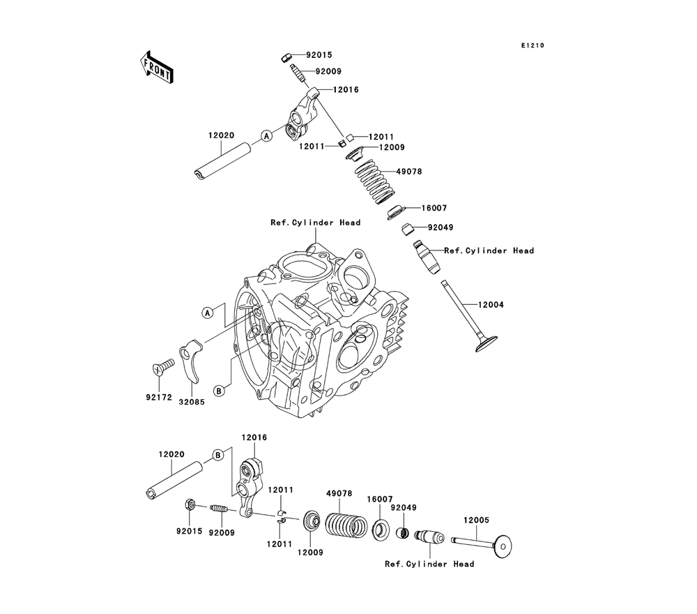
Engine Valve (s)
05
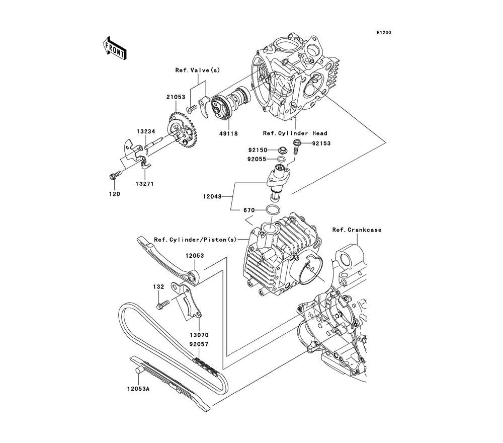
Engine Camshaft(s)/Tensioner
06
Engine Crankshaft
07
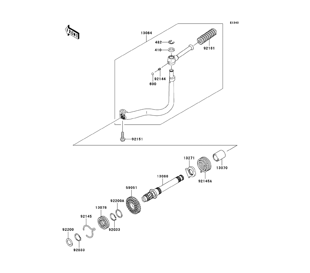
Engine Kickstarter Mechanism
08
Engine Clutch
09
Engine Transmission
10
Engine Gear Change Drum/Shift Fork(s)
11
Engine Gear change Mechanism
12
Engine Crankcase
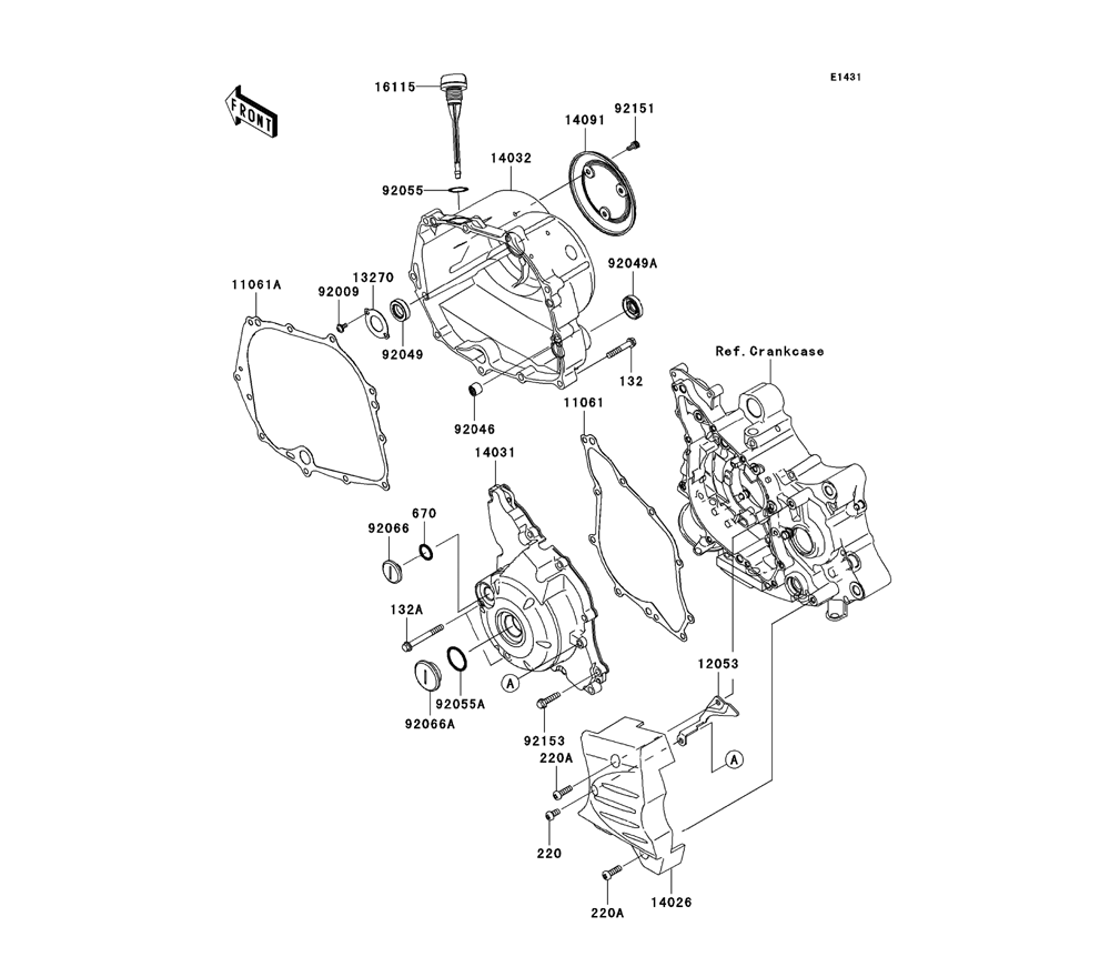
13
Engine Engine Cover(s)
14
Engine Carburetor
15
Engine Oil Pump
16
Engine Generator
17
Engine Ignition System
18
Engine Starter Motor
19
Chassis Frame
20