สีเขียว Lime Green(777)
-0
สีเทา Metallic Moondust Gray(25X)
-00
สีแดง Passion Red(234)
-000
Cylinder Head / ฝาสูบ
01
Cylinder Head Cover / ฝาครอบฝาสูบ
02
Cylinder/Piston(s) / เสื้อสูบ/ลูกสูบ
03
Air Cleaner / หม้อกรองอากาศ
04
Muffler(s) / ท่อไอเสีย
05
Valve(s) / วาวล์
06
Camshaft(s) Tensioner / เพลาราวลิ้น/ตัวดันโซ่
07
Crankshaft / เพลงข้อเหวี่ยง
08
Clutch / คลัช
09
Transmission / เฟืองเกียร์
10
Gear Change Drum / Shift Fork(s) / กระปุกเกียร์/ก้ามปูเกียร์
11
Gear Change Mechanism / คันเกียร์
12
Crankcase / แคร้งเครื่องยนต์
13
Crankcase Bolt Pattern / แคร้งเครื่องยนต์แบบแสดงตำแหน่งน็อต
14
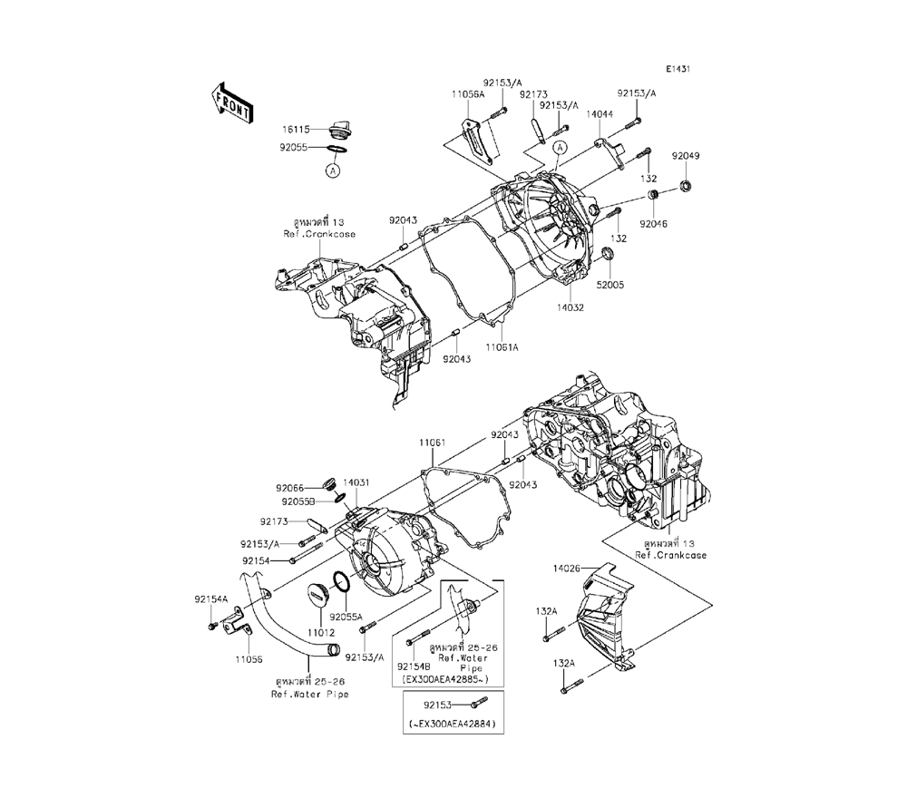
Engine Cover(s) / ฝาครอบเครื่องยนต์
15
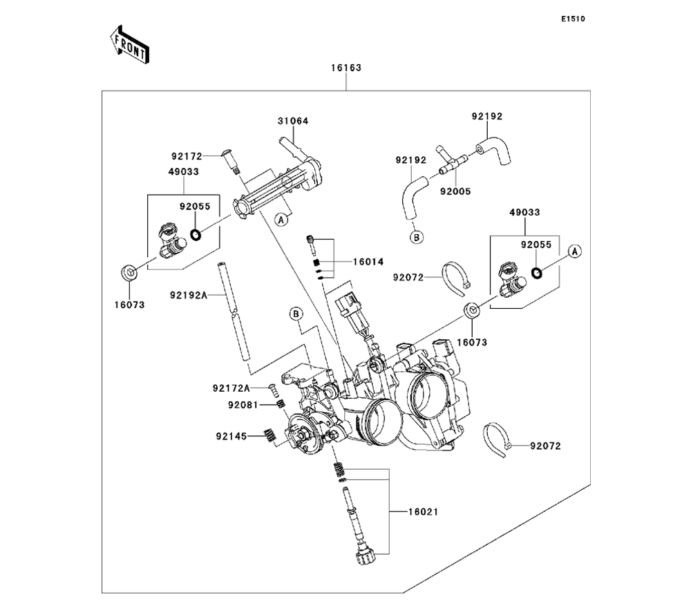
Throttle / ชุดลิ้นเร่ง
16
Fuel Pump / ปั๊มน้ำมันเชื้อเพลิง
17