สีดำ Flat Ebony Type2(45L)
-0
สีแดง KMT.Candy Persimmon Red(G2)
-00
สีขาว KMT.Pearl Stardust White(15S)
-000
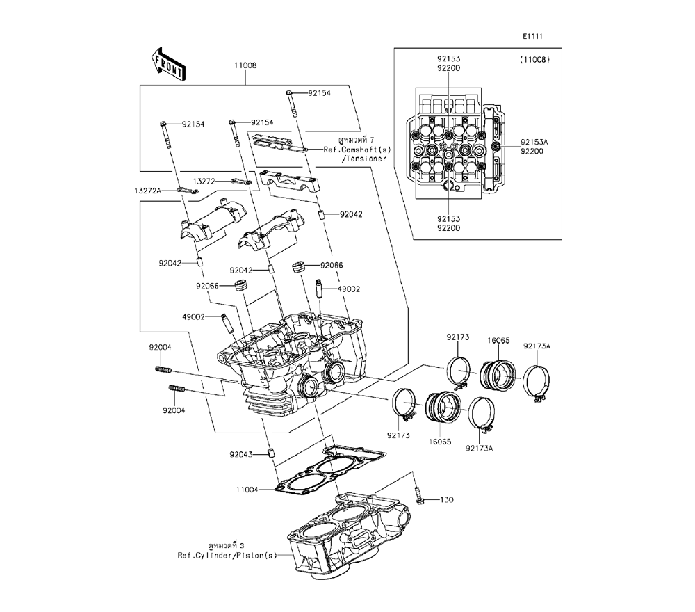
Cylinder Head / ฝาสูบ
04
Cylinder Head Cover / ฝาครอบฝาสูบ
05
Cylinder/Piston(s) / เสื้อสูบ/ลูกสูบ
06
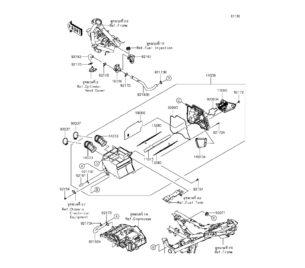
Air Cleaner / หม้อกรองอากาศ
07
Muffler(s) / ท่อไอเสีย
08
Valve(s) / วาวล์
09
Camshaft(s) Tensioner / เพลาราวลิ้น/ตัวดันโซ่
10
Crankshaft / เพลงข้อเหวี่ยง
11
Clutch / คลัช
12
Transmission / เฟืองเกียร์
13
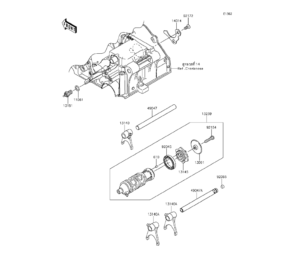
Gear Change Drum / Shift Fork(s) / กระปุกเกียร์/ก้ามปูเกียร์
14
Gear Change Mechanism / คันเกียร์
15
Crankcase / แคร้งเครื่องยนต์
16
Crankcase Bolt Pattern / แคร้งเครื่องยนต์แบบแสดงตำแหน่งน็อต
17
Engine Cover(s) / ฝาครอบเครื่องยนต์
18
Throttle / ชุดลิ้นเร่ง
19
Fuel Pump / ปั๊มน้ำมันเชื้อเพลิง
20