EX300BGF Lime Green(777)
-0
สีเขียว Lime Green(777)
EX300BGF Metallic Flat Raw Graystone(35B)
-00
สีเทา Metallic Flat Raw Graystone(35B)
Cylinder Head / ฝาสูบ
03
Engine Cylinder Head
Engine Cylinder Head Cover
04
Cylinder Head Cover / ฝาครอบฝาสูบ
Engine Cylinder/Piston
05
Cylinder/Piston(s) / เสื้อสูบ/ลูกสูบ
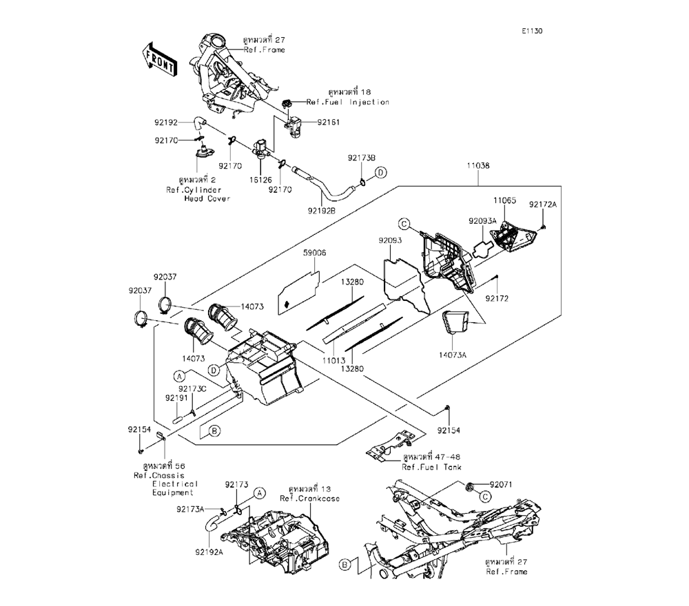
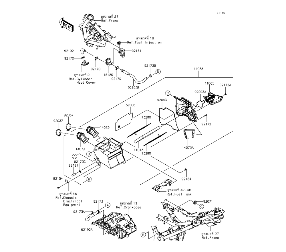
Engine Air Cleaner
06
Air Cleaner / หม้อกรองอากาศ
Engine Muffler
07
Muffler(s) / ท่อไอเสีย
Valve(s) / วาวล์
08
Engine Valve
Camshaft(s) Tensioner / เพลาราวลิ้น/ตัวดันโซ่
09
Engine Camshaft(s)/Tensioner
Engine Crankshaft
10
Crankshaft / เพลงข้อเหวี่ยง