สีน้ำเงิน-ขาว Metallic Ocean Blue/Pearl Alpine White (54F)
-0
Cylinder Head / ฝาสูบ
02
Cylinder Head Cover / ฝาครอบฝาสูบ
03
Cylinder/Piston(s) / เสื้อสูบ/ลูกสูบ
04
Air Cleaner / หม้อกรองอากาศ
05
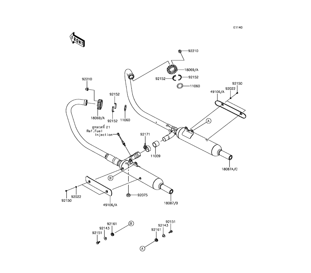
Muffler(s) / ท่อไอเสีย
06
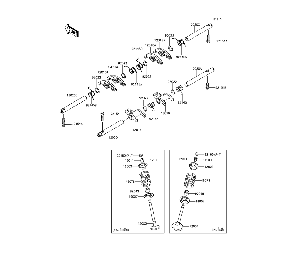
Valve(s) / วาวล์
07
Camshaft(s)/Bevel Gear
08
Crankshaft / เพลงข้อเหวี่ยง
09
Balancer / บาลานเซอร์
10
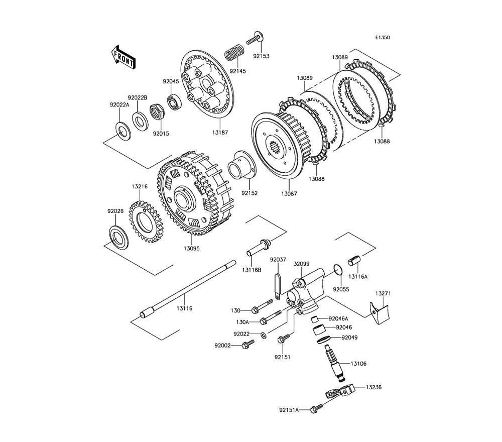
Clutch / คลัช
11
Transmission / เฟืองเกียร์
12
Gear Change Drum Shift Fork(s) / กระปุกเกียร์/ก้ามปูเกียร์
13
Gear Change Mechanism / คันเกียร์
14
Crankcase / แคร้งเครื่องยนต์
15
Crankcase Bolt Pattern / แคร้งเครื่องยนต์แบบแสดงตำแหน่งน็อต
16
E-Breather Cover Oil Pan
17
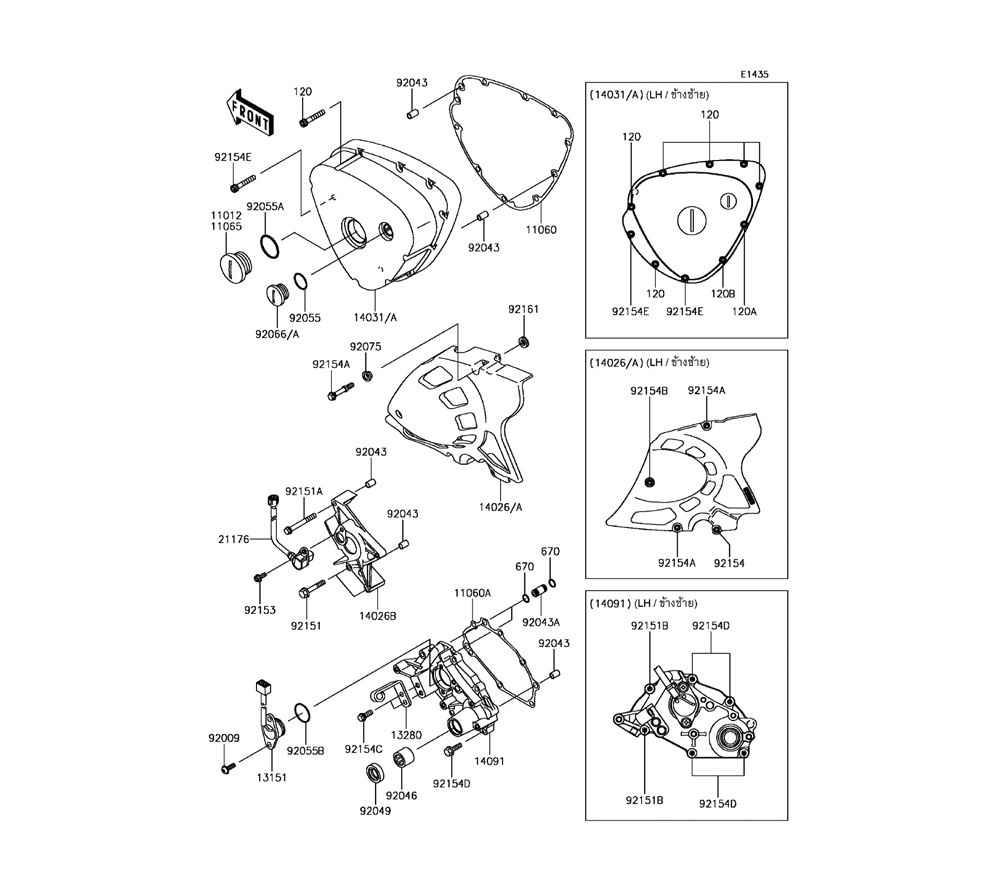
Left Engine Cover(s) / ฝาครอบเครื่องยนต์ด้านซ้าย
18
Right Engine Cover(s) / ฝาครอบเครื่องยนต์ด้านขวา
19
Throttle / ชุดลิ้นเร่ง
20