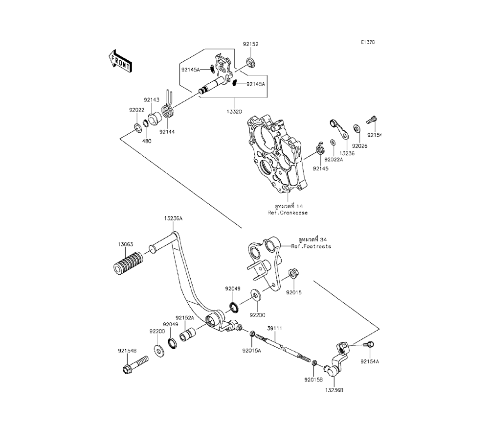
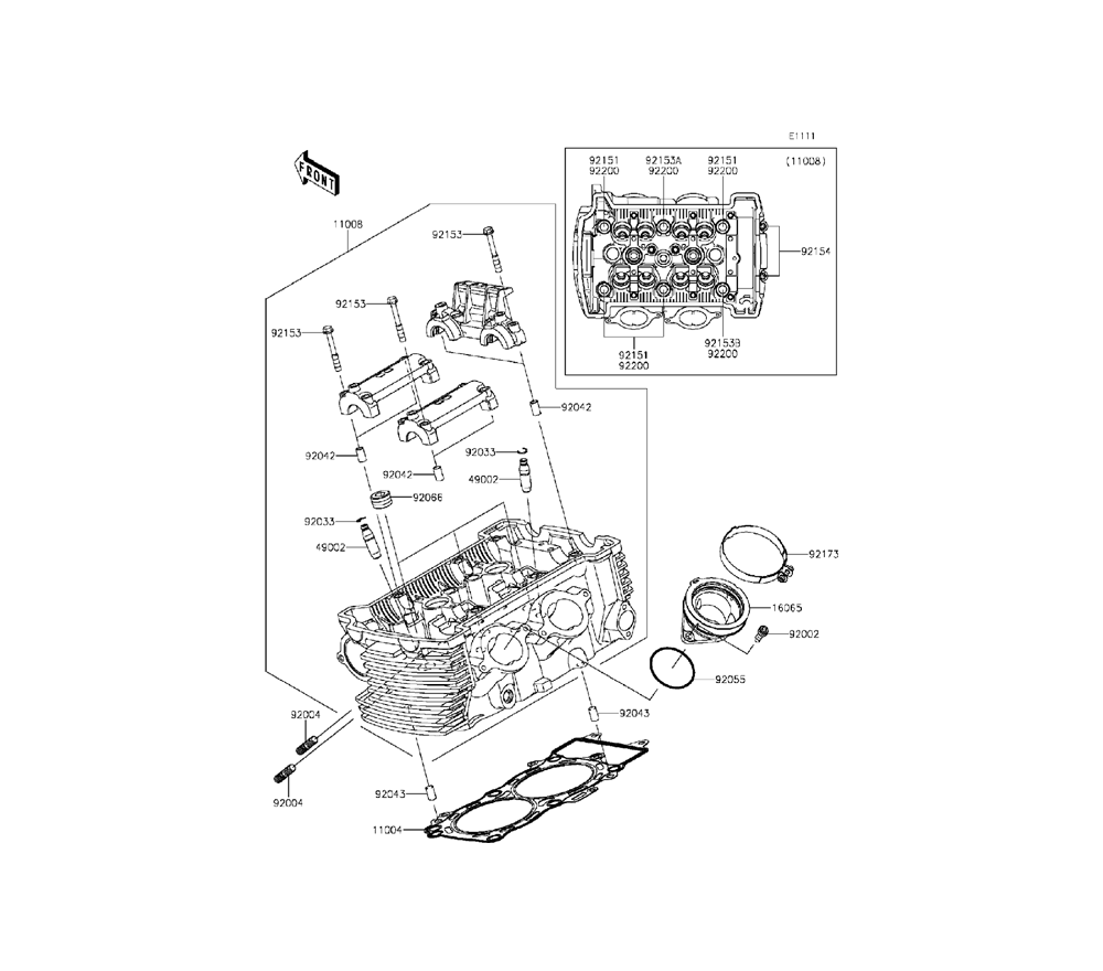
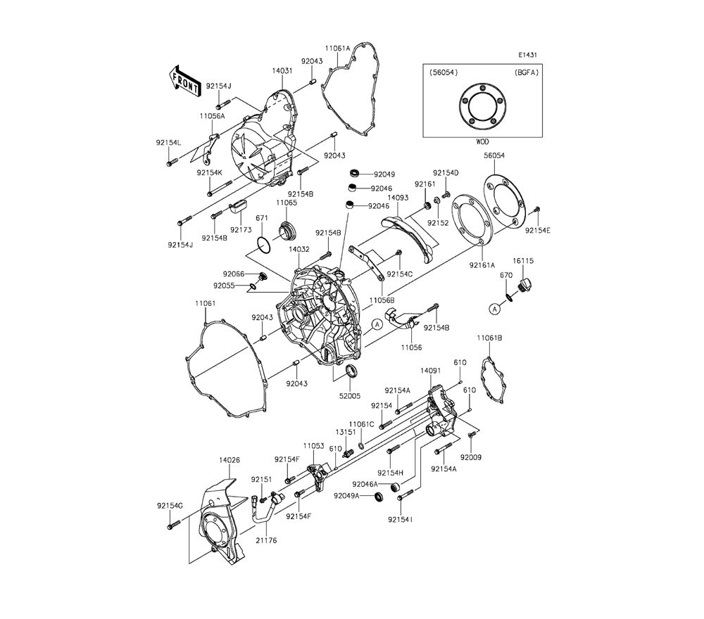
VULCAN S SPECIAL EDITION 2016
0