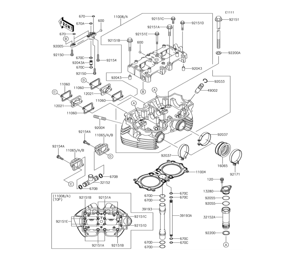
Cylinder Head / ฝาสูบ
01
Cylinder Head Cover / ฝาครอบฝาสูบ
02
Cylinder/Piston(s) / เสื้อสูบ/ลูกสูบ
03
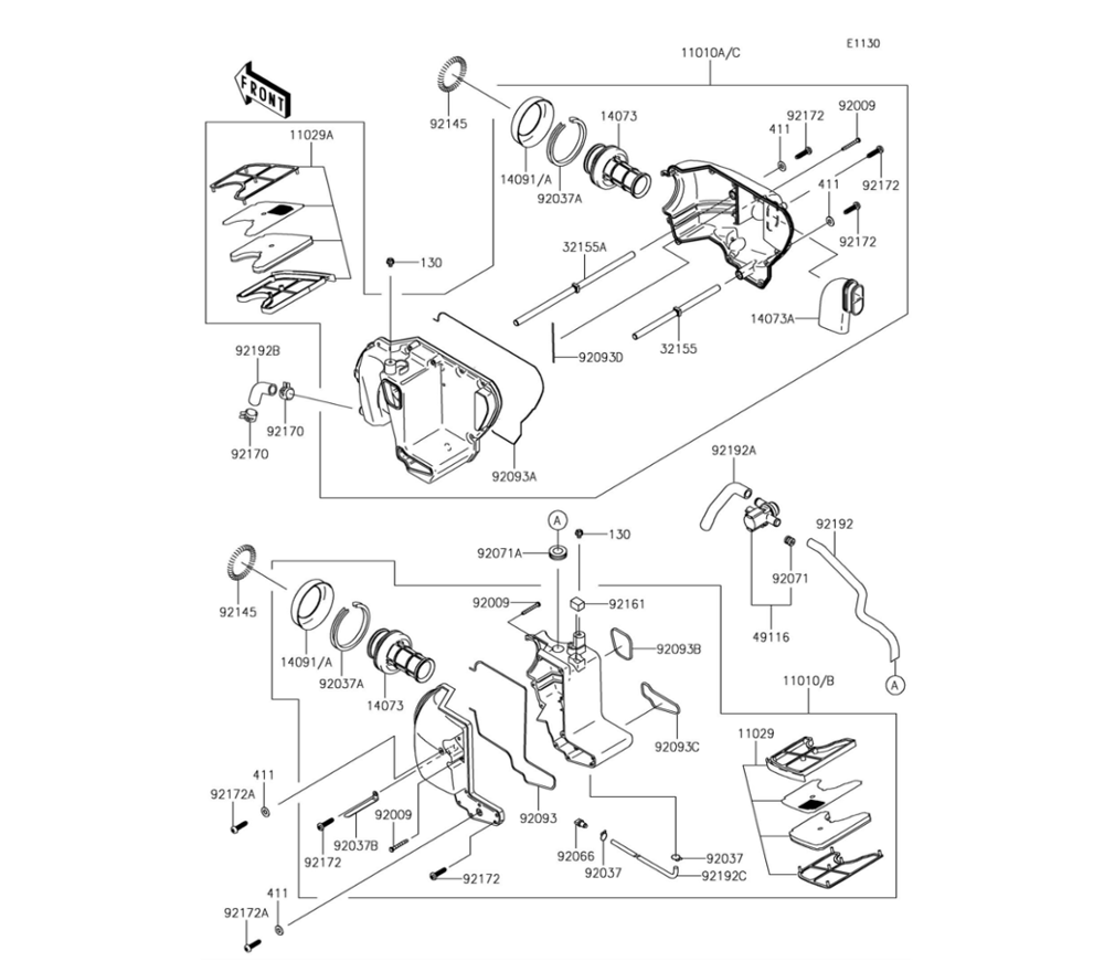
Air Cleaner / หม้อกรองอากาศ
04
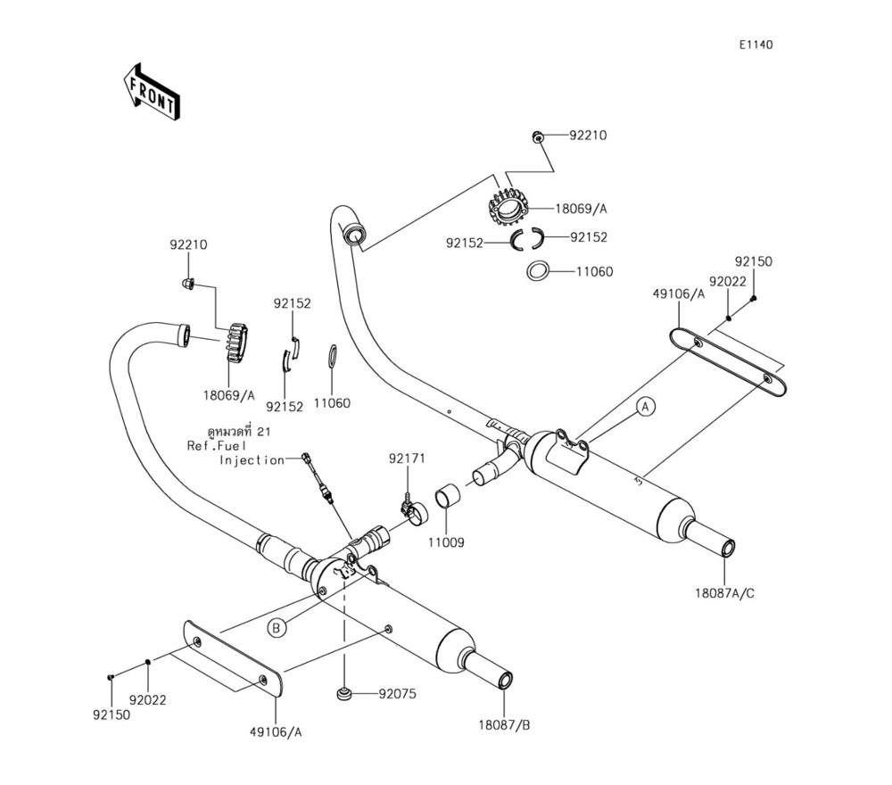
Muffler(s) / ท่อไอเสีย
05
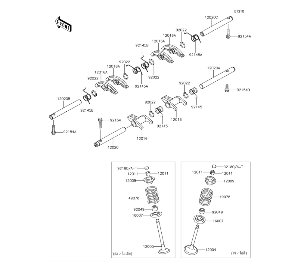
Valve(s) / วาวล์
06
Camshaft(s)/Bevel Gear
07
Crankshaft / เพลงข้อเหวี่ยง
08
Balancer / บาลานเซอร์
09
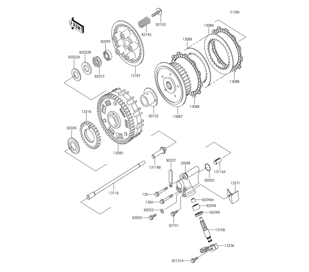
Clutch / คลัช
10
Transmission / เฟืองเกียร์
11
Gear Change Drum / Shift Fork(s) / กระปุกเกียร์/ก้ามปูเกียร์
12
Gear Change Mechanism / คันเกียร์
13
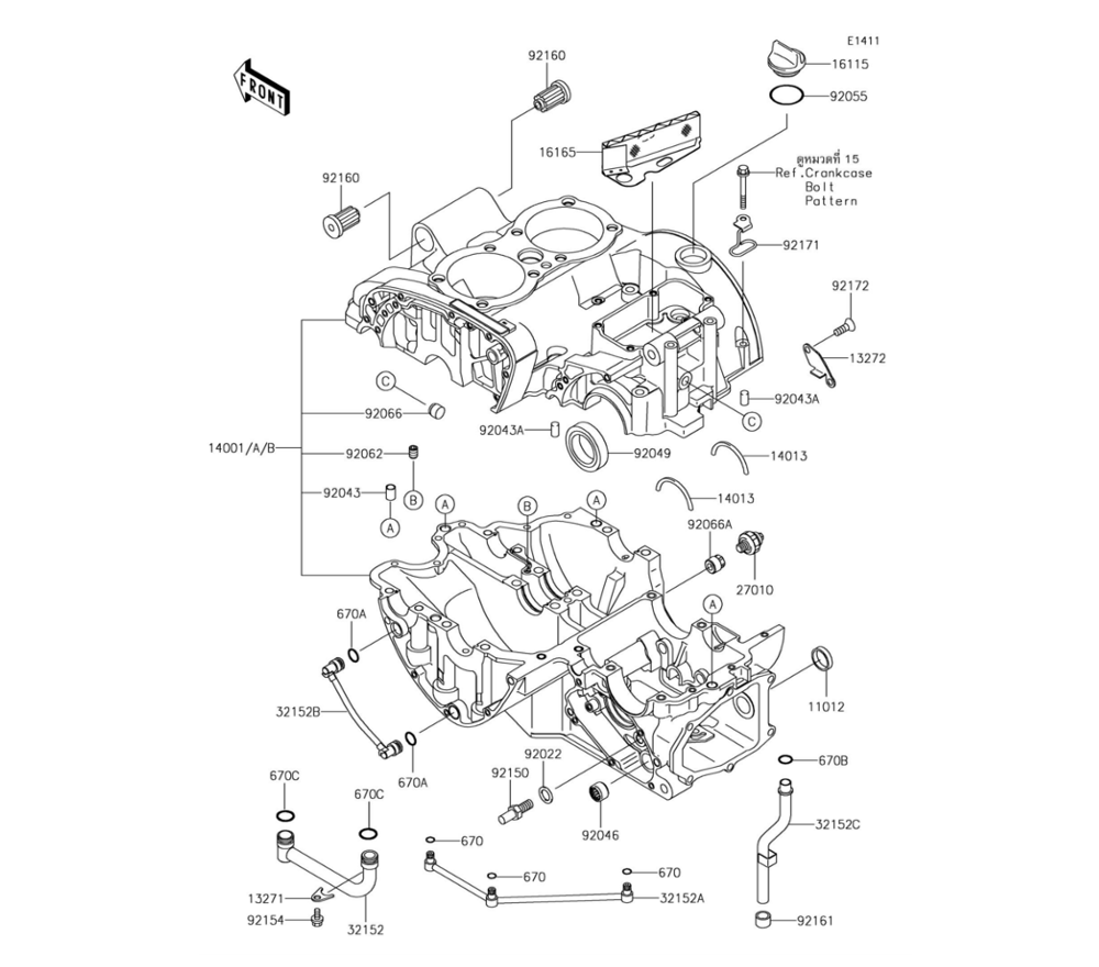
Crankcase / แคร้งเครื่องยนต์
14
Crankcase Bolt Pattern / แคร้งเครื่องยนต์แบบแสดงตำแหน่งน็อต
15
Breather Cover/Oil Pan / อ่างน้ำมันเครื่อง
16
Left Engine Cover(s) / ฝาครอบเครื่องยนต์ด้านซ้าย
17
Right Engine Cover(s) / ฝาครอบเครื่องยนต์ด้านขวา
18
Throttle / ชุดลิ้นเร่ง
19
Fuel Pump / ปั๊มน้ำมันเชื้อเพลิง
20