สีเขียว Lime Green (777)
-0
Cylinder Head / ฝาสูบ
02
Air Cleaner / หม้อกรองอากาศ
03
Muffler(s) / ท่อไอเสีย
04
Crankshaft/Piston(s) / เพลาข้อเหวี่ยง/ลูกสูบ
05
Kick Starter Mechanism / คันสตาร์ท
06
Clutch / คลัช
07
Transmission / เฟืองเกียร์
08
Gear Change Drum / Shift Fork(s) / กระปุกเกียร์/ก้ามปูเกียร์
09
Gear Change Mechanism / คันเกียร์
10
Crankcase / แคร้งเครื่องยนต์
11
Engine Cover(s) / ฝาครอบเครื่องยนต์
12
Carburetor / คาร์บูเรเตอร์
13
Generator / ชุดแม่เหล็กจานไฟ
14
Ignition System / คอยล์หัวเทียน
15
Radiator / หม้อน้ำ
16
Frame / ตัวถัง
17
Engine Mount / ส่วนประกอบยึดเครื่องยนต์
18
Swingarm / สวิงอาร์ม
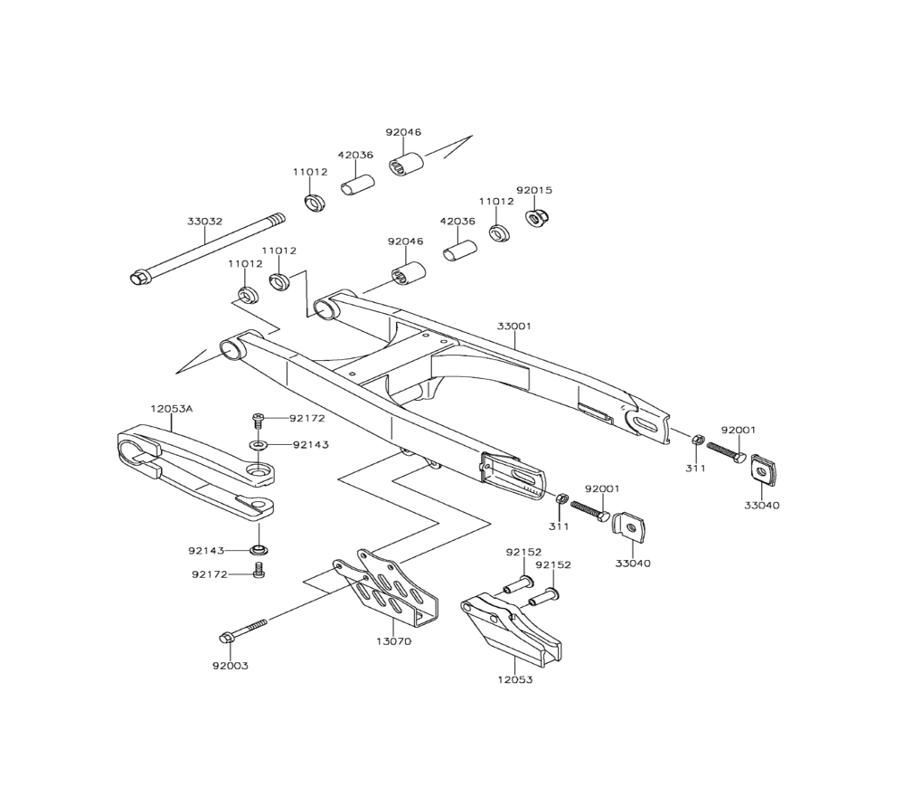
19
Suspension / โช๊คหลัง
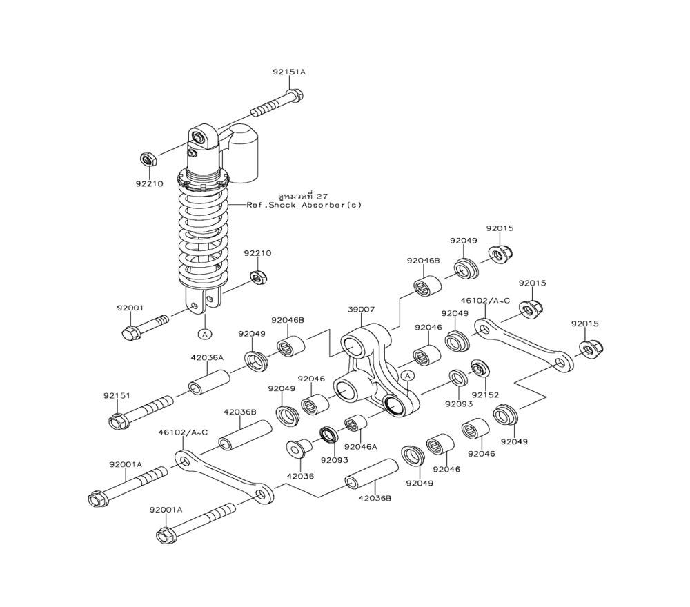
20