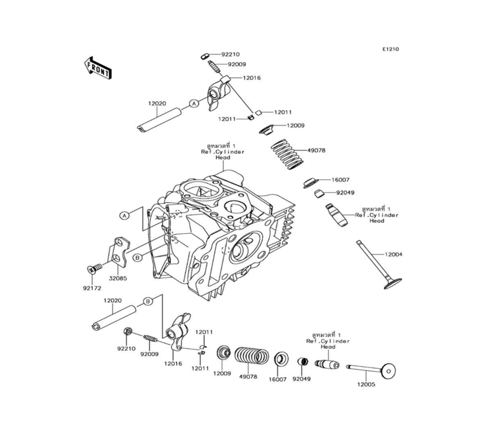
Cylinder Head
01
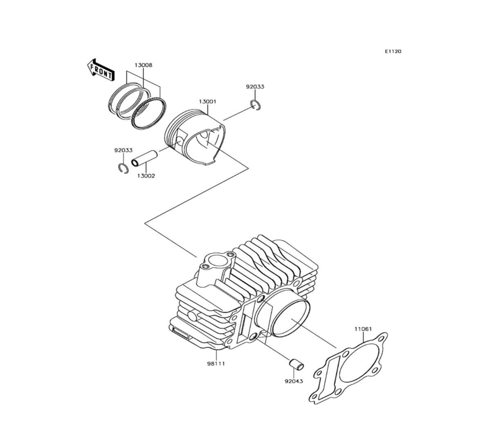
Cylinder/Piston(s)
02
Air Cleaner
03
Muffler(s)
04
Valve(s)
05
Camshaft(s)/Tensioner
06
Crankshaft
07
Clutch
08
Transmission
09
Gear Change Drum/Shift Fork(s)
10
Gear Change Mechanism
11
Crankcase
12
Engine Cover(s)
13
Throttle
14
Fuel Pump
15
Fuel Injection
16
Oil Pump
17
Generator
18
Ignition System
19
Starter Motor
20