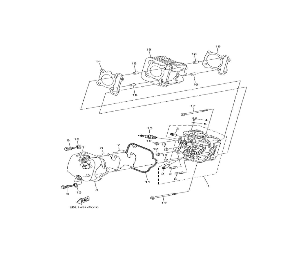
CYLINDER HEAD
01
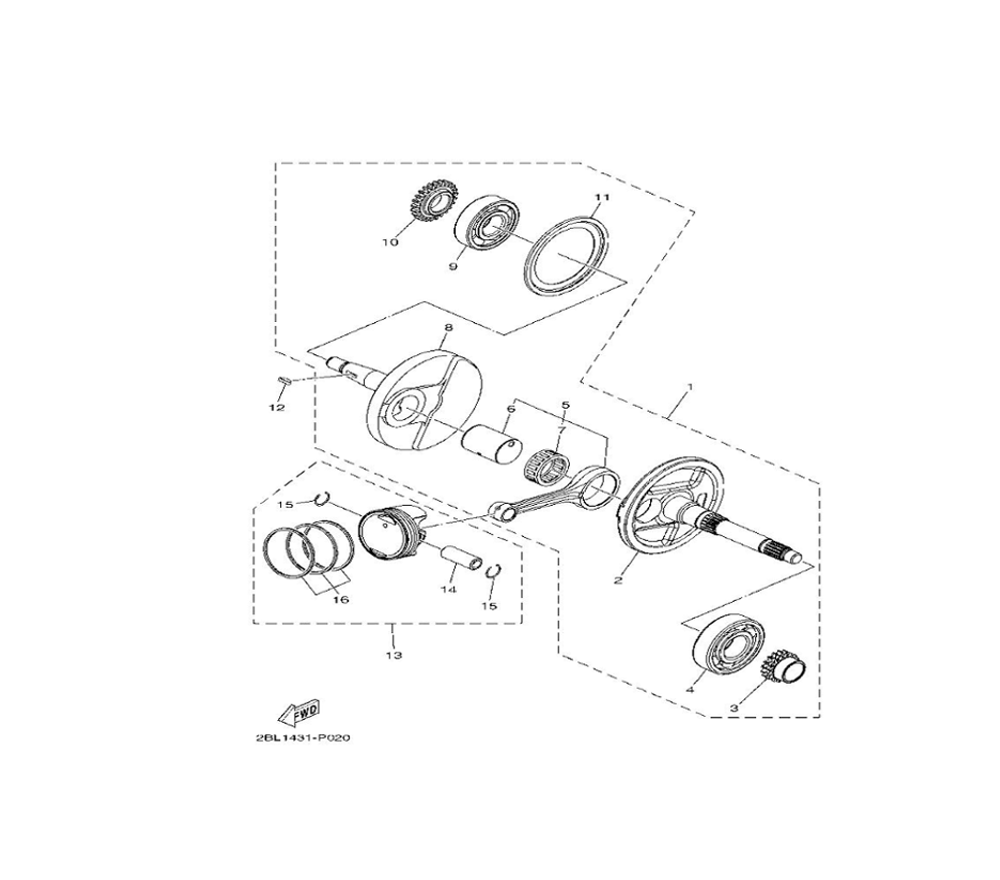
CRANKSHAFT & PISTON
02
VALVE
03
CAMSHAFT & CHAIN
04
OIL PUMP
05
AIR SHROUD & FAN
06
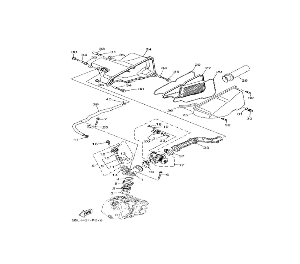
INTAKE
07
EXHAUST
08
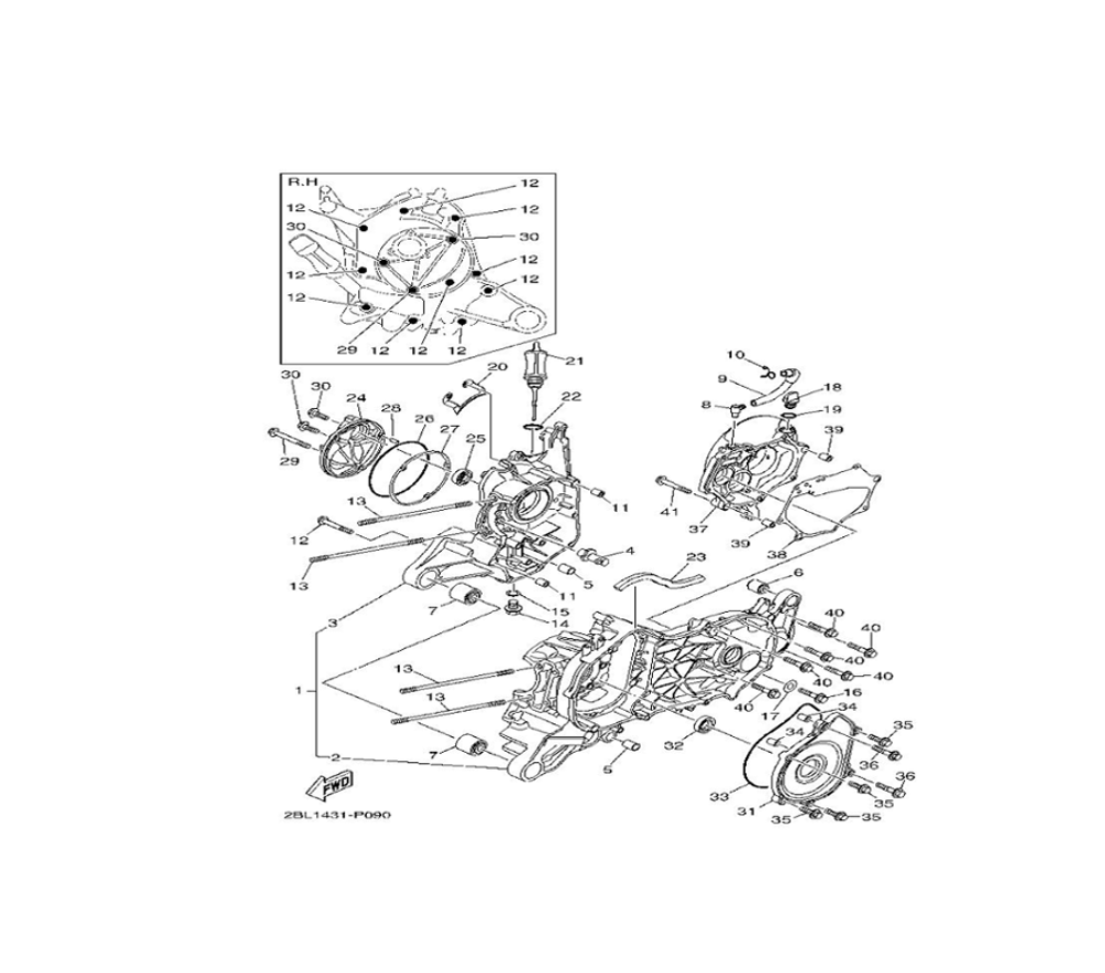
CRANKCASE
09
CRANKCASE COVER 1
10
STARTER
11
CLUTCH
12
TRANSMISSION
13
FRAME
14
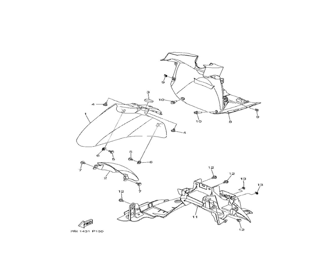
FENDER
15
SIDE COVER
16
REAR SUSPENSION
17
STEERING
18
FUEL TANK
19
SEAT
20