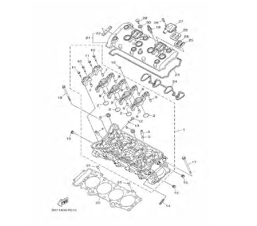
CYLINDER HEAD
01
CYLINDER
02
CRANKSHAFT & PISTON
03
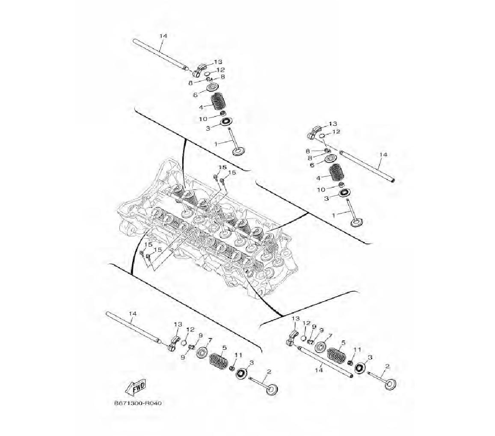
VALVE
04
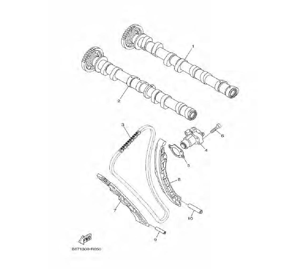
CAMSHAFT & CHAIN
05
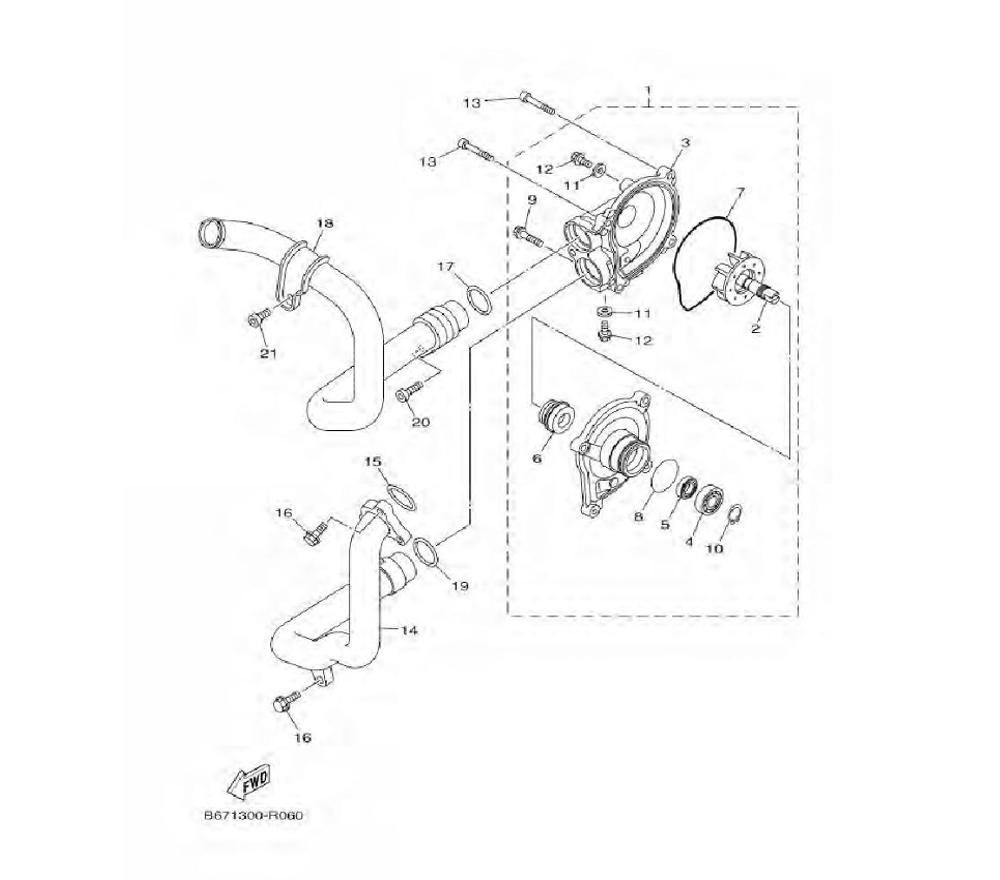
WATER PUMP
06
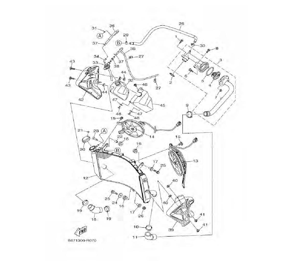
RADIATOR & HOSE
07
OIL PUMP
08
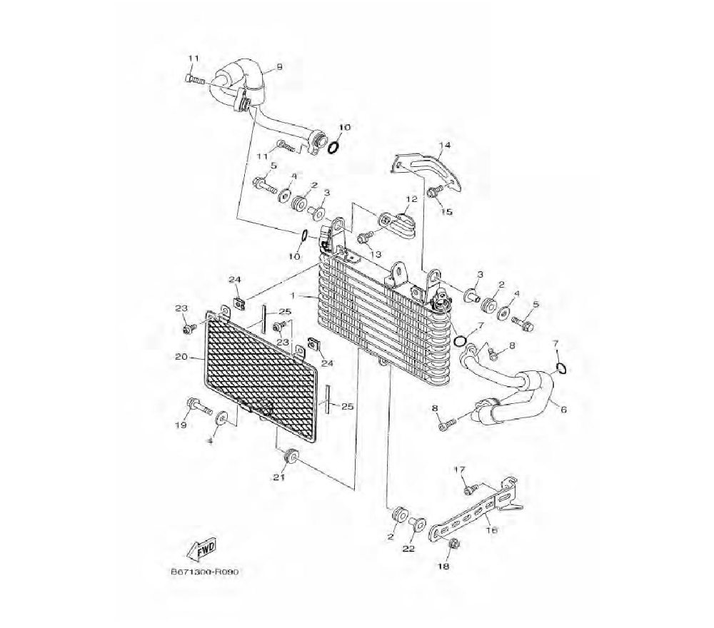
OIL COOLER
09
OIL CLEANER
10
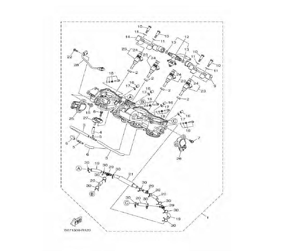
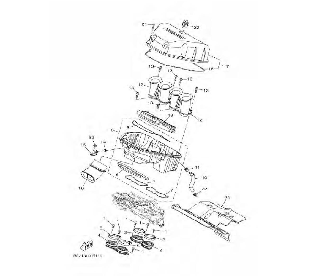
INTAKE
11
INTAKE 2
12
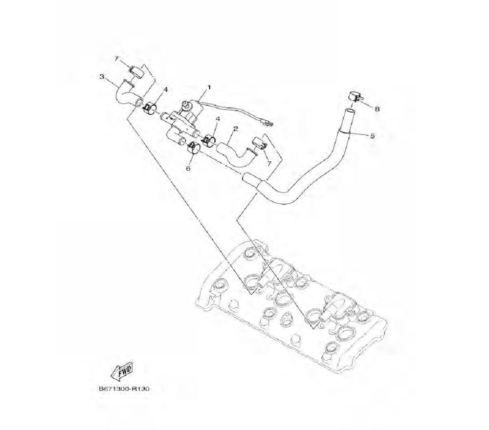
AIR INDUCTION SYSTEM
13
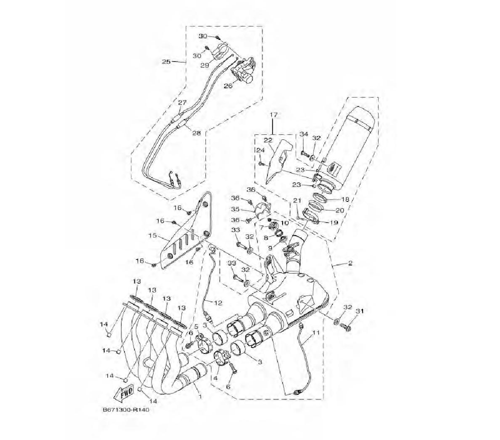
EXHAUST
14
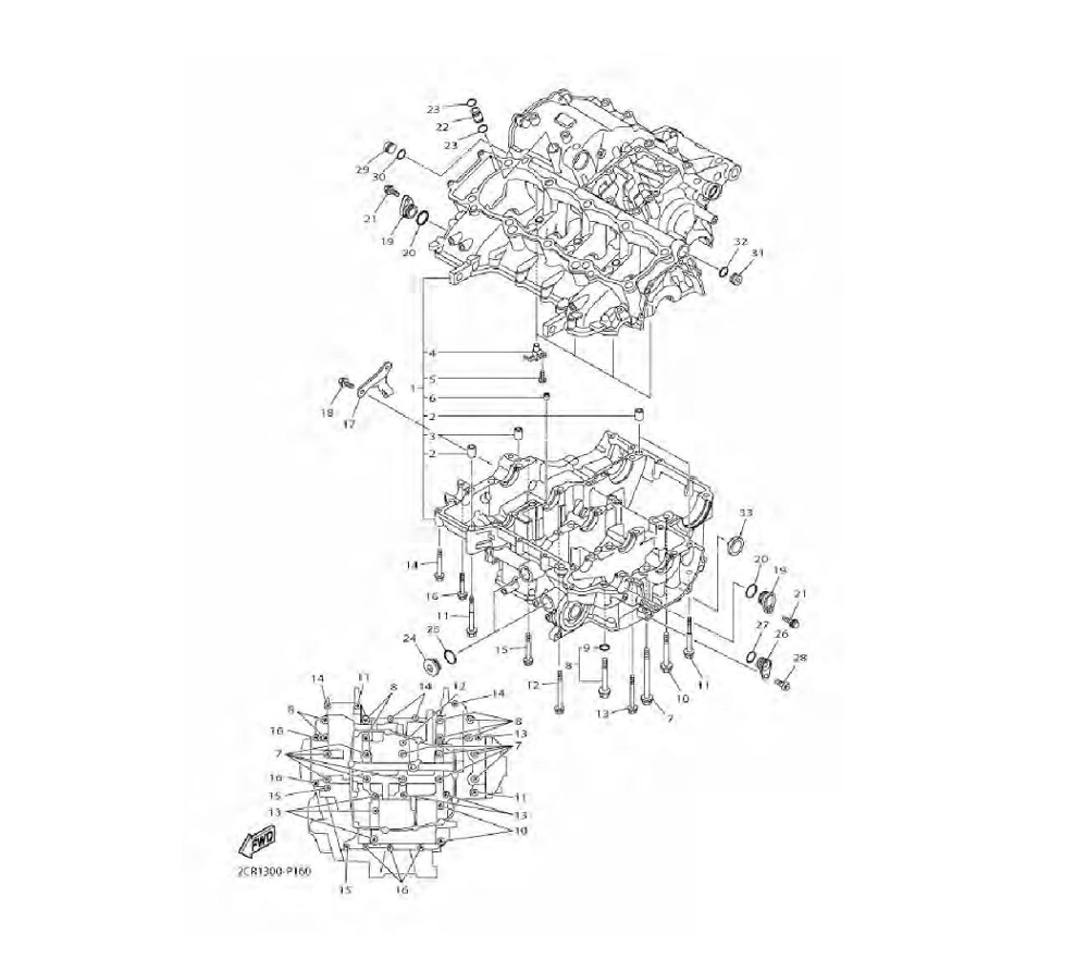
CRANKCASE
15
CRANKCASE COVER 1
16
STARTER
17
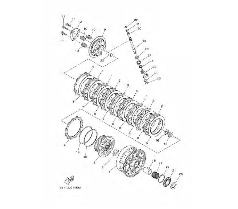
CLUTCH
18
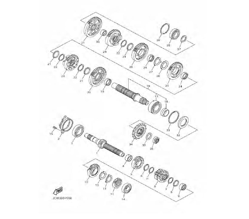
TRANSMISSION
19
SHIFT CAM & FORK
20