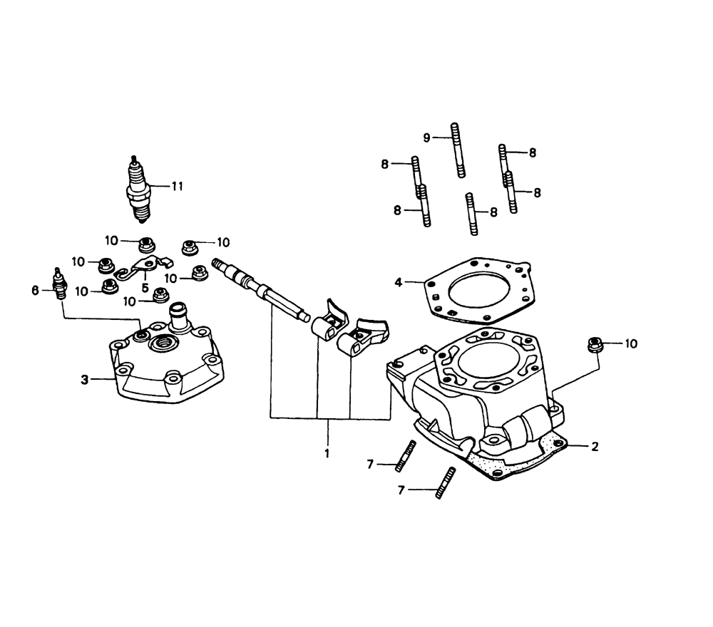
Cylinder Head / ฝาสูบ
01
Flap Valve
02
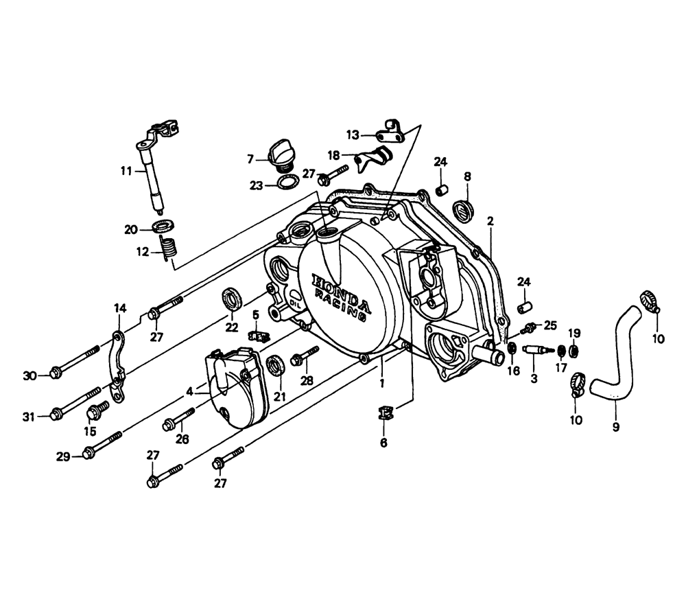
Right Crankcase Cover / ฝาครอบแท่นเครื่องด้านขวา
03
Water Pump / ชุดปั๊มน้ำ
04
Clutch / คลัช
05
Left Crankcase Cover / ฝาครอบแท่นเครื่องด้านซ้าย
06
Oil Pump / ปั๊มน้ำมันเครื่อง
07
Crankcase / แคร้งเครื่องยนต์
08
Crankshaft/Piston / เพลาข้อเหวี่ยง/ลูกสูบ
09
Transmission / เฟืองเกียร์
10
Gearshift Drum/Gearshift Fork / กระปุกเกียร์/ก้ามปูเปลี่ยนเกียร์
11
Kick Starter Spindle / แกนสตาร์ท
12
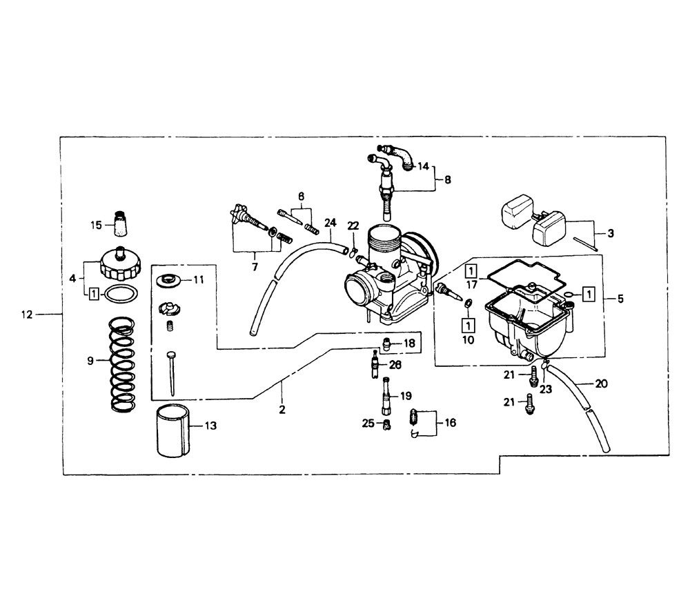
Carburetor / คาร์บูเรเตอร์
13
Headlight(s) / ไฟหน้า
14
Meter(s) / ชุดเรือนไมล์
15
Handle Lever/Switch/Cable / ปลอกแฮนด์/สวิทช์/สายเคเบิล
16
Front Brake Master Cylinder / แม่ปั๊มเบรคหน้า
17
Handle Pipe/Top Bridge / แฮนด์บังคับเลี้ยว/แผงคอบน
18
Steering Stem / แกนคอ
19
Front Fender(s) / บังโคลนหน้า
20