สีส้ม Candy Burnt Orange(17L)
-0
สีเขียว KMT.Candy Lime Green Type2(35P)
-00
Cylinder Head / ฝาสูบ
01
Cylinder Head Cover / ฝาครอบฝาสูบ
02
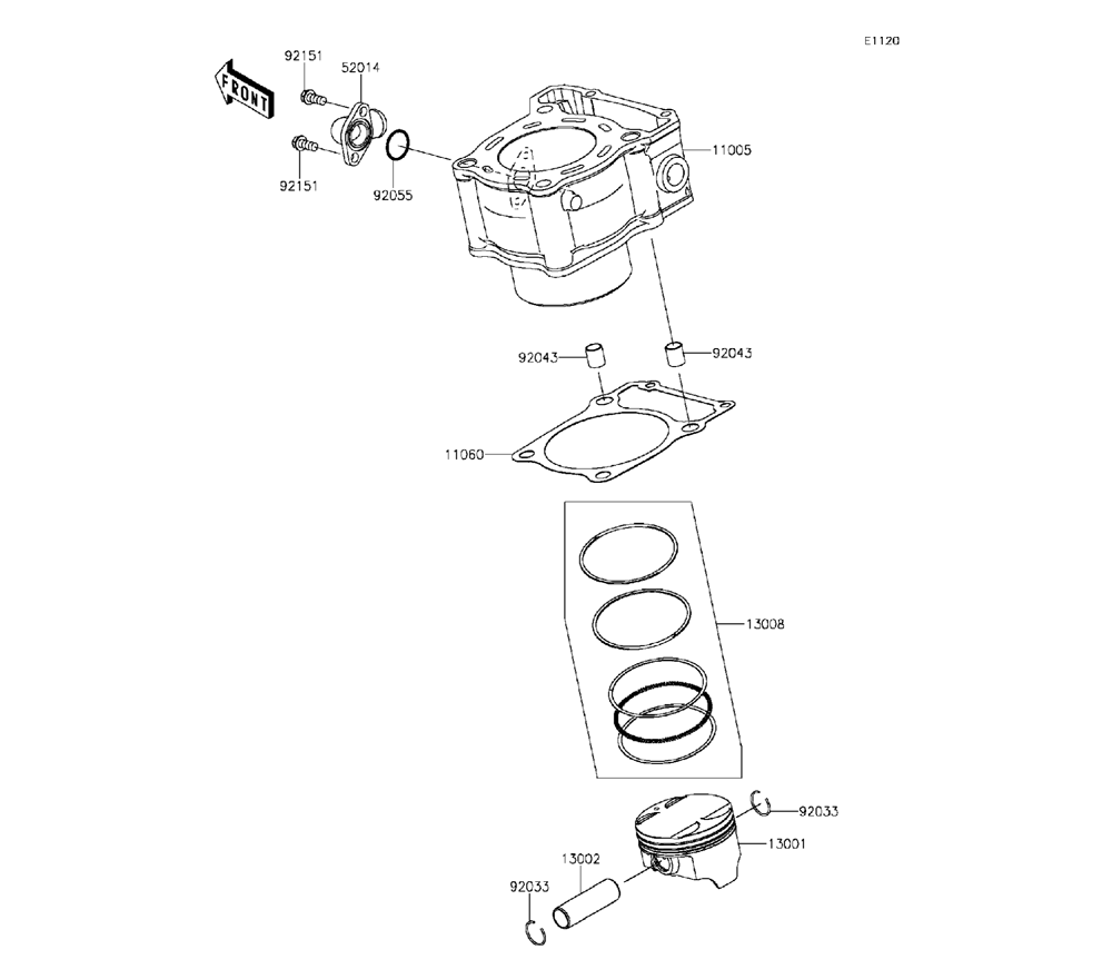
Cylinder/Piston(s) / เสื้อสูบ/ลูกสูบ
03
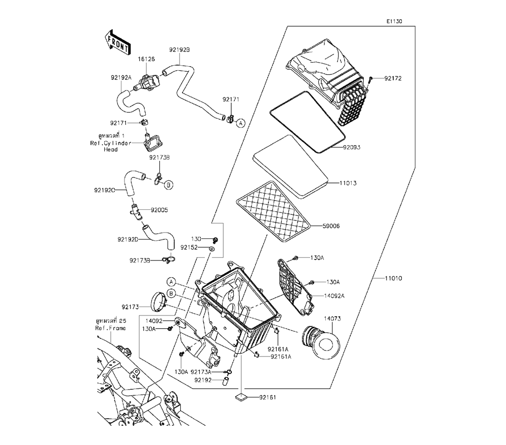
Air Cleaner / หม้อกรองอากาศ
04
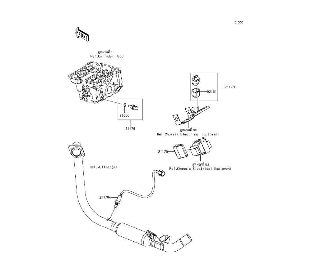
Muffler(s) / ท่อไอเสีย
05
Valve(s) / วาวล์
06
Camshaft(s) Tensioner / เพลาราวลิ้น/ตัวดันโซ่
07
Crankshaft / เพลงข้อเหวี่ยง
08
Clutch / คลัช
09
Transmission / เฟืองเกียร์
10
Gear Change Drum / Shift Fork(s) / กระปุกเกียร์/ก้ามปูเกียร์
11
Gear Change Mechanism / คันเกียร์
12
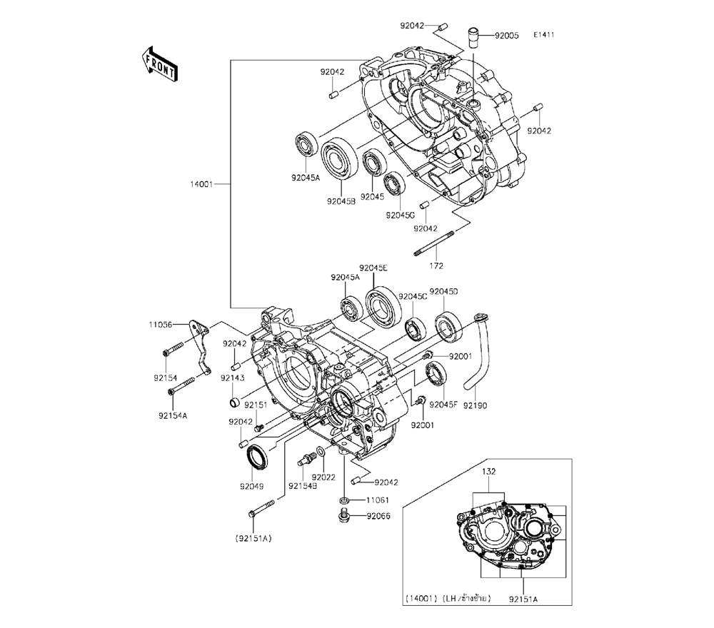
Crankcase / แคร้งเครื่องยนต์
13
Engine Cover(s) / ฝาครอบเครื่องยนต์
14
Throttle / ชุดลิ้นเร่ง
15
Fuel Pump / ปั๊มน้ำมันเชื้อเพลิง
16
Fuel Injection / ตัววัดและส่งสัญญาณ
17
Fuel Evaporative System / ระบบควบคุมไอน้ำมันเชื้อเพลิง
18