BR125GGF Candy Burnt Orange(17L)
-0
BR125GGF Candy Lime Green Type 3(51P)
-00
BR125GGF Metallic Graphite Gray(45W)
-000
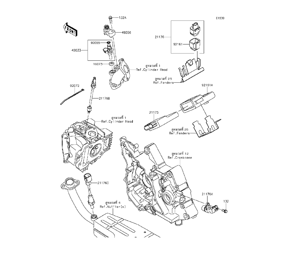
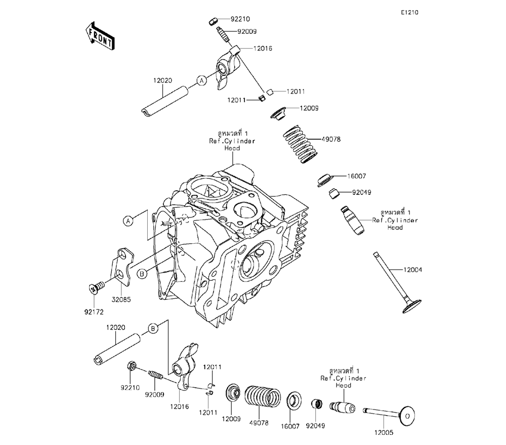
Engine Cylinder Head
01
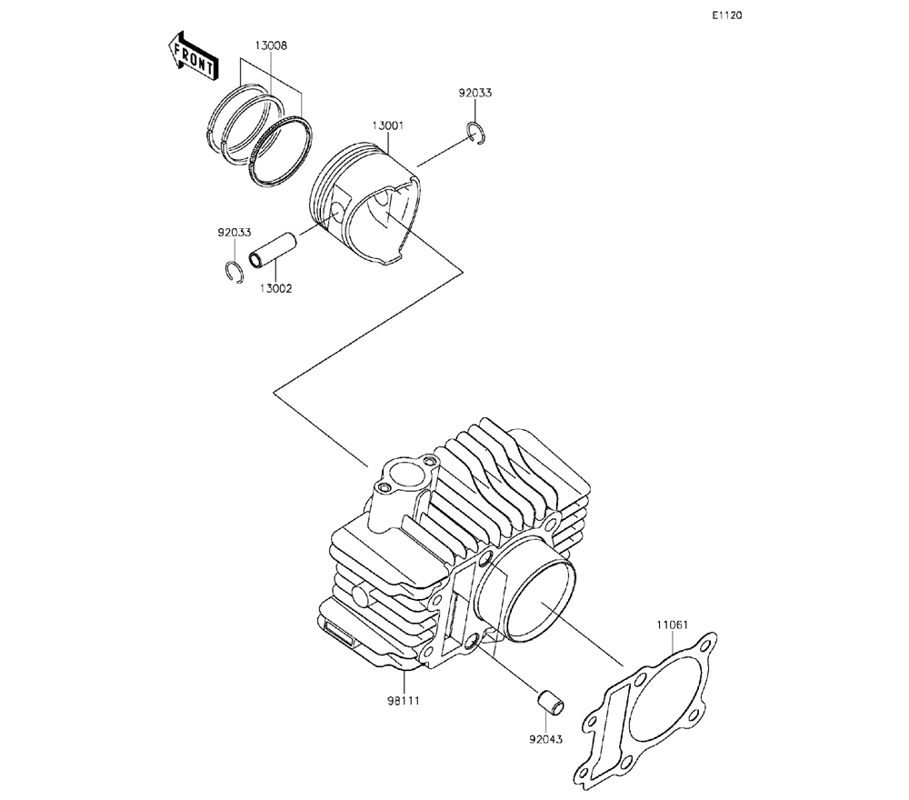
Engine Cylinder/Piston(s)
02
Engine Air Cleaner
03
Engine Muffler(s)
04
Engine Valve(s)
05
Engine Camshaft(s)/Tensioner
06
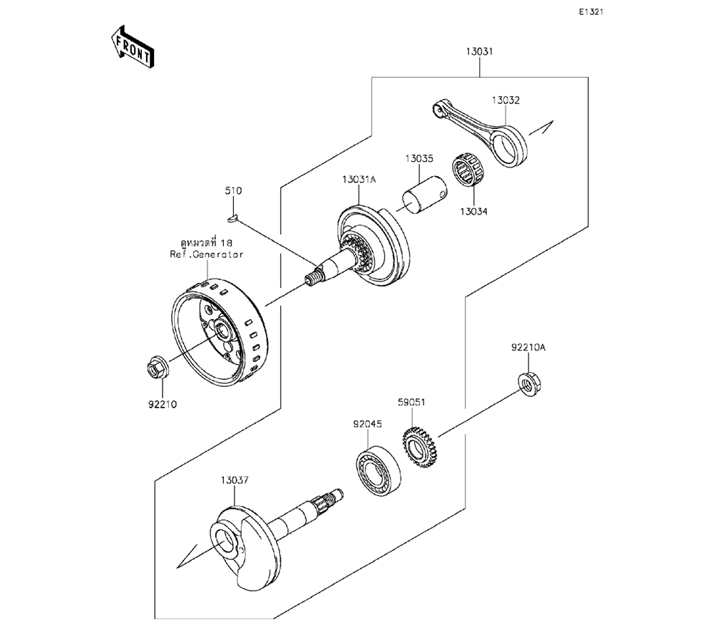
Engine Crankshaft
07
Engine Clutch
08
Engine Transmission
09
Engine Gear Change Drum/Shift Fork(s)
10
Engine Gear Change Mechanism
11
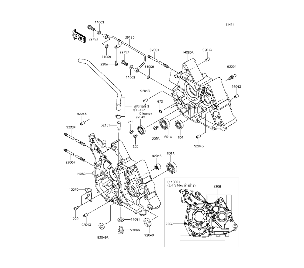
Engine Crankcase
12
Engine Cover(s)
13
Engine Throttle
14
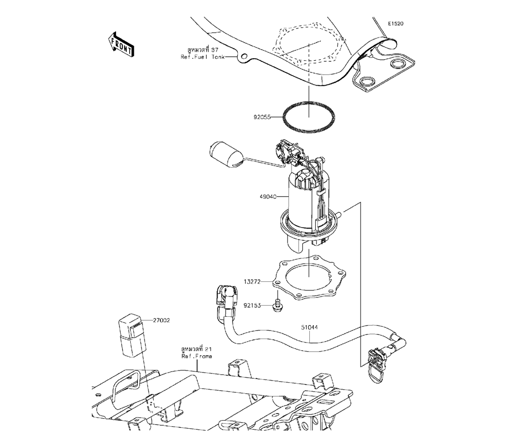
Engine Fuel Pump
15
Engine Fuel Injection
16
Engine Oil Pump
17