สีดำ Metallic Spark Black(660)
-0
สีขาว Pearl Flat Stardust White(40X)
-00
Cylinder Head / ฝาสูบ
01
Cylinder Head Cover / ฝาครอบฝาสูบ
02
Cylinder/Piston(s) / เสื้อสูบ/ลูกสูบ
03
Air Cleaner / หม้อกรองอากาศ
04
Muffler(s) / ท่อไอเสีย
05
Valve(s) / วาวล์
06
Camshaft(s) Tensioner / เพลาราวลิ้น/ตัวดันโซ่
07
Crankshaft / เพลงข้อเหวี่ยง
08
Balancer / บาลานเซอร์
09
Clutch / คลัช
10
Transmission / เฟืองเกียร์
11
Gear Change Drum / Shift Fork(s) / กระปุกเกียร์/ก้ามปูเกียร์
12
Gear Change Mechanism / คันเกียร์
13
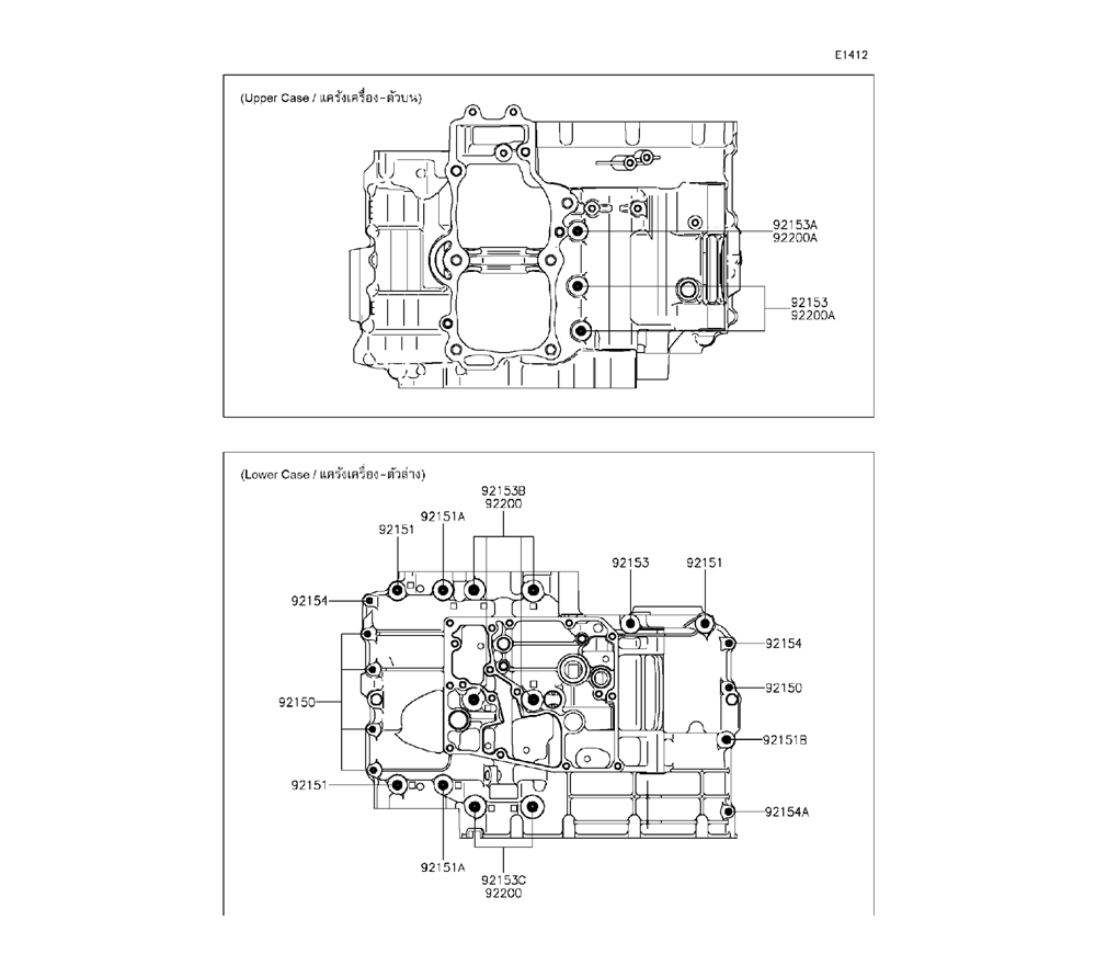
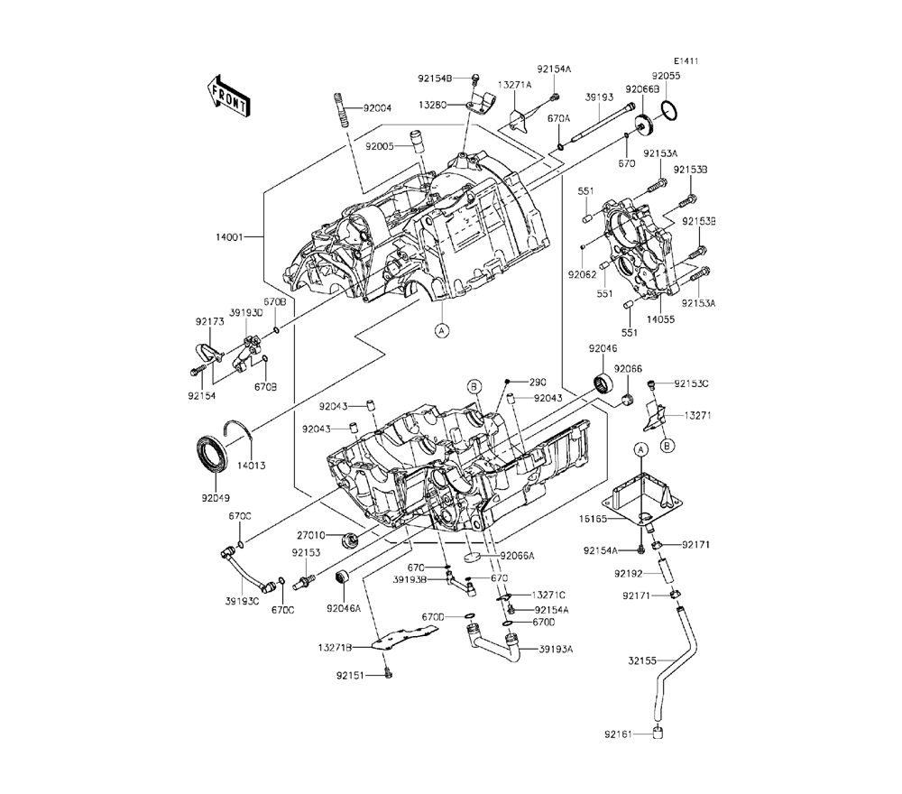
Crankcase / แคร้งเครื่องยนต์
14
Crankcase Bolt Pattern / แคร้งเครื่องยนต์แบบแสดงตำแหน่งน็อต
15
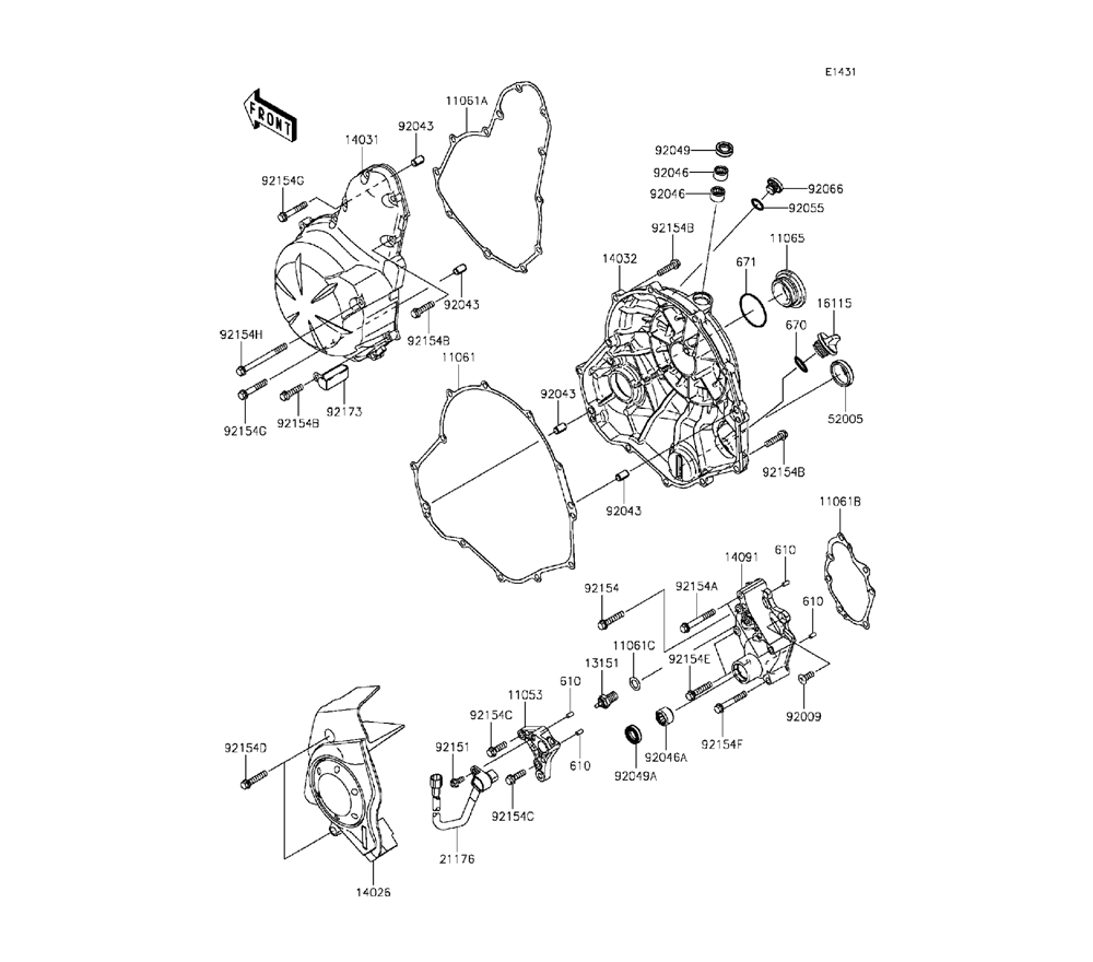
Engine Cover(s) / ฝาครอบเครื่องยนต์
16
Oil Pan / อ่างน้ำมันเครื่อง
17
Throttle / ชุดลิ้นเร่ง
18