Cylinder Head / ฝาสูบ
01
Cylinder / เสื้อสูบ
02
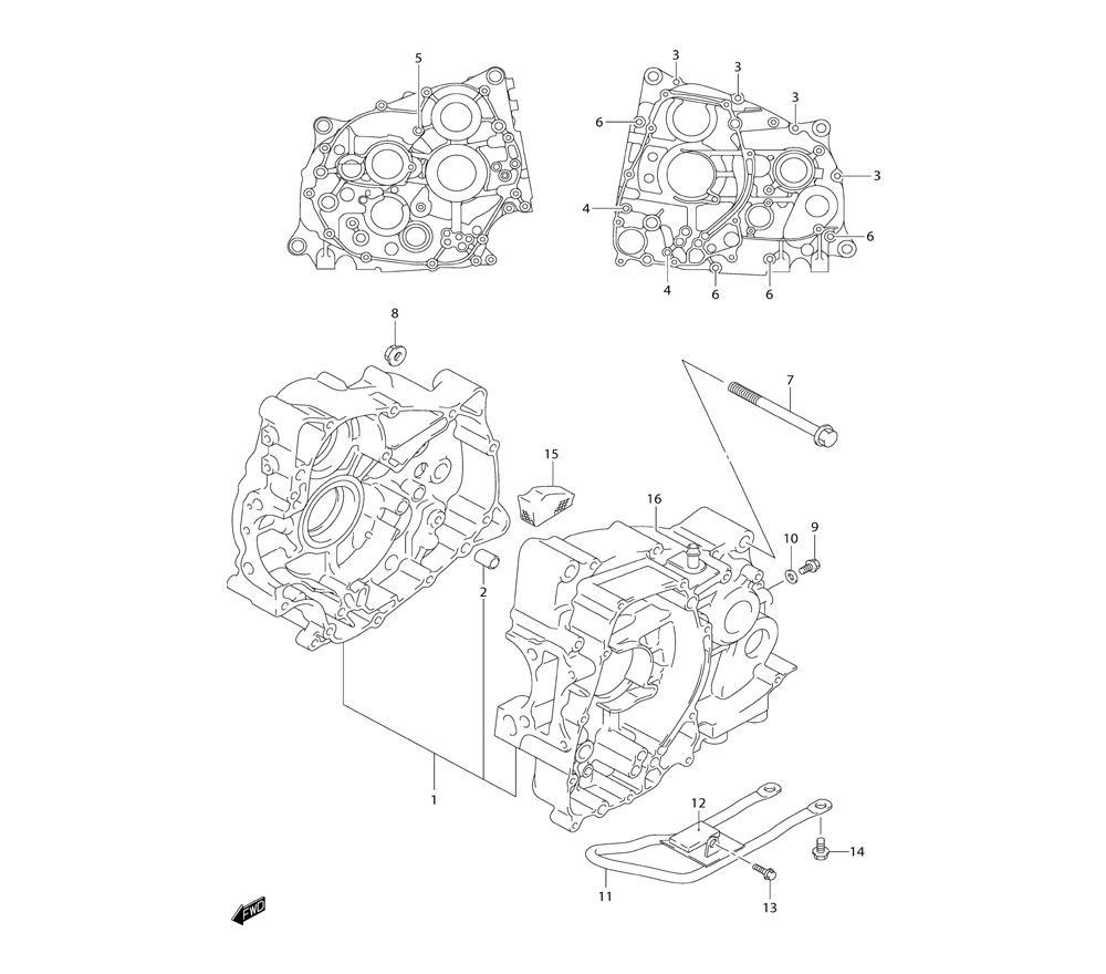
Crankcase / แคร้งเครื่องยนต์
03
Crankcase Cover / ฝาครอบแท่นเครื่อง
04
Crankshaft / เพลงข้อเหวี่ยง
05
Starter Clutch / คลัตช์สตาร์ท
06
Crank Balancer / เพลาถ่วงเฟืองเกียร์
07
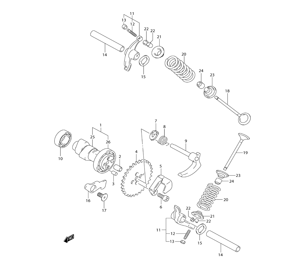
Cam Shaft/Valve / เพลาลูกเบี้ยวและวาล์ว
08
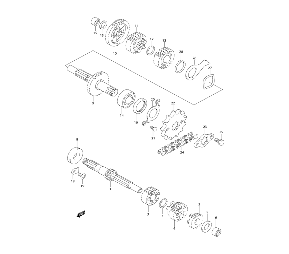
Cam Chain / โซ่ราวลิ้น
09
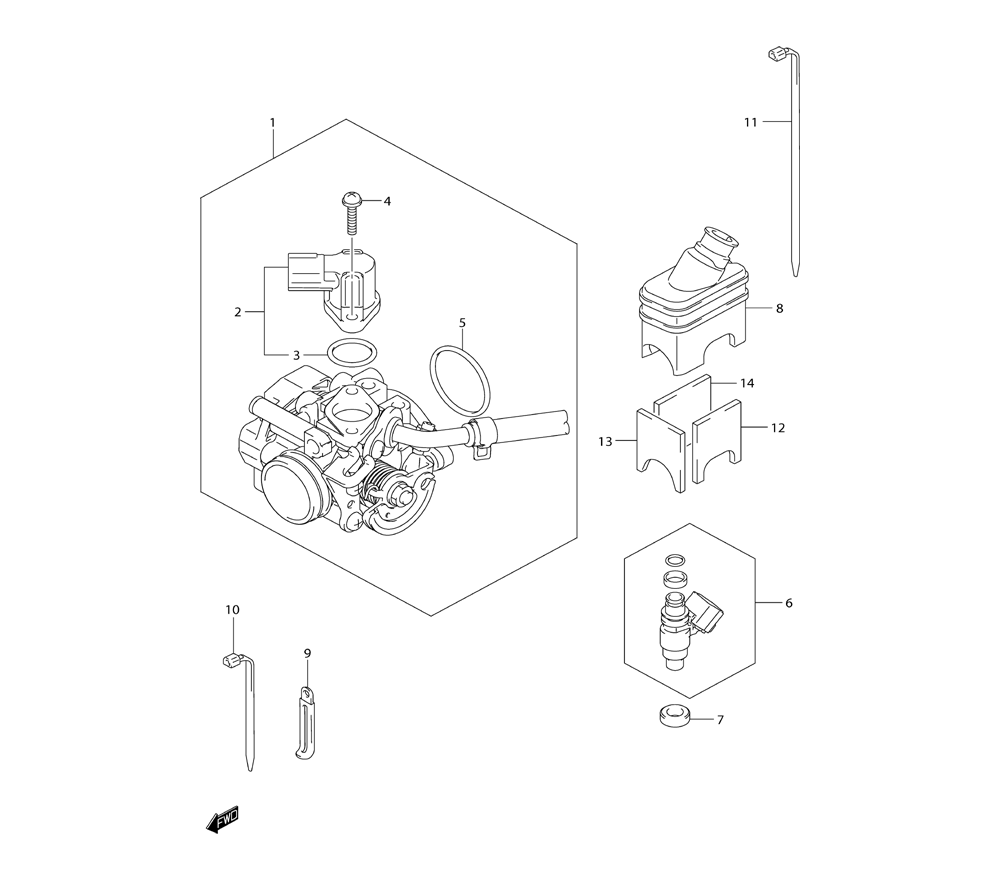
Injector / หัวฉีดน้ำมันเชื้อเพลิง
10
Air Cleaner / หม้อกรองอากาศ
11
Muffler(s) / ท่อไอเสีย
12
Oil Pump / ปั๊มน้ำมันเครื่อง
13
Fuel Pump / ปั๊มน้ำมันเชื้อเพลิง
14
Clutch / คลัช
15
Transmission / เฟืองเกียร์
16
Gear Shifting / ชุดเปลี่ยนเกียร์
17
Kick Starter / ชุดคันสตาร์ท
18
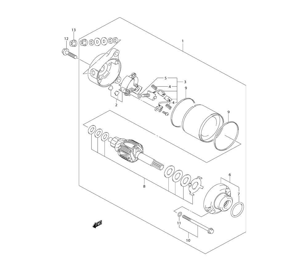
Starter Motor / มอเตอร์สตาร์ท
19
Magneto / ชุดแม่เหล็กจานไฟ
20