Cylinder Head Cover / ฝาครอบฝาสูบ
01
Cylinder Head / ฝาสูบ
02
Cylinder / เสื้อสูบ
03
Crankcase / แคร้งเครื่องยนต์
04
Crankcase Cover / ฝาครอบแท่นเครื่อง
05
Crankshaft / เพลงข้อเหวี่ยง
06
Cam Shaft/Valve / เพลาลูกเบี้ยวและวาล์ว
07
Cam Chain / โซ่ราวลิ้น
08
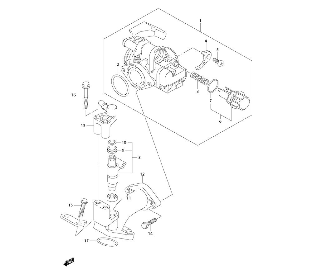
Injector / หัวฉีดน้ำมันเชื้อเพลิง
09
Air Cleaner / หม้อกรองอากาศ
10
Muffler(s) / ท่อไอเสีย
11
Oil Pump / ปั๊มน้ำมันเครื่อง
12
Fuel Pump / ปั๊มน้ำมันเชื้อเพลิง
13
Cooling Fan / พัดลมระบายความร้อน
14
Clutch / คลัช
15
Transmission / เฟืองเกียร์
16
Kick Starter / ชุดคันสตาร์ท
17
Starting Motor / มอเตอร์สตาร์ท
18
Magneto / ชุดแม่เหล็กจานไฟ
19
Battery / แบตเตอรี่
20