Cylinder Head / ฝาสูบ
01
Cylinder / เสื้อสูบ
02
Crankcase / แคร้งเครื่องยนต์
03
Crankcase Cover / ฝาครอบแท่นเครื่อง
04
Crankshaft / เพลงข้อเหวี่ยง
05
Starter Clutch / คลัตช์สตาร์ท
06
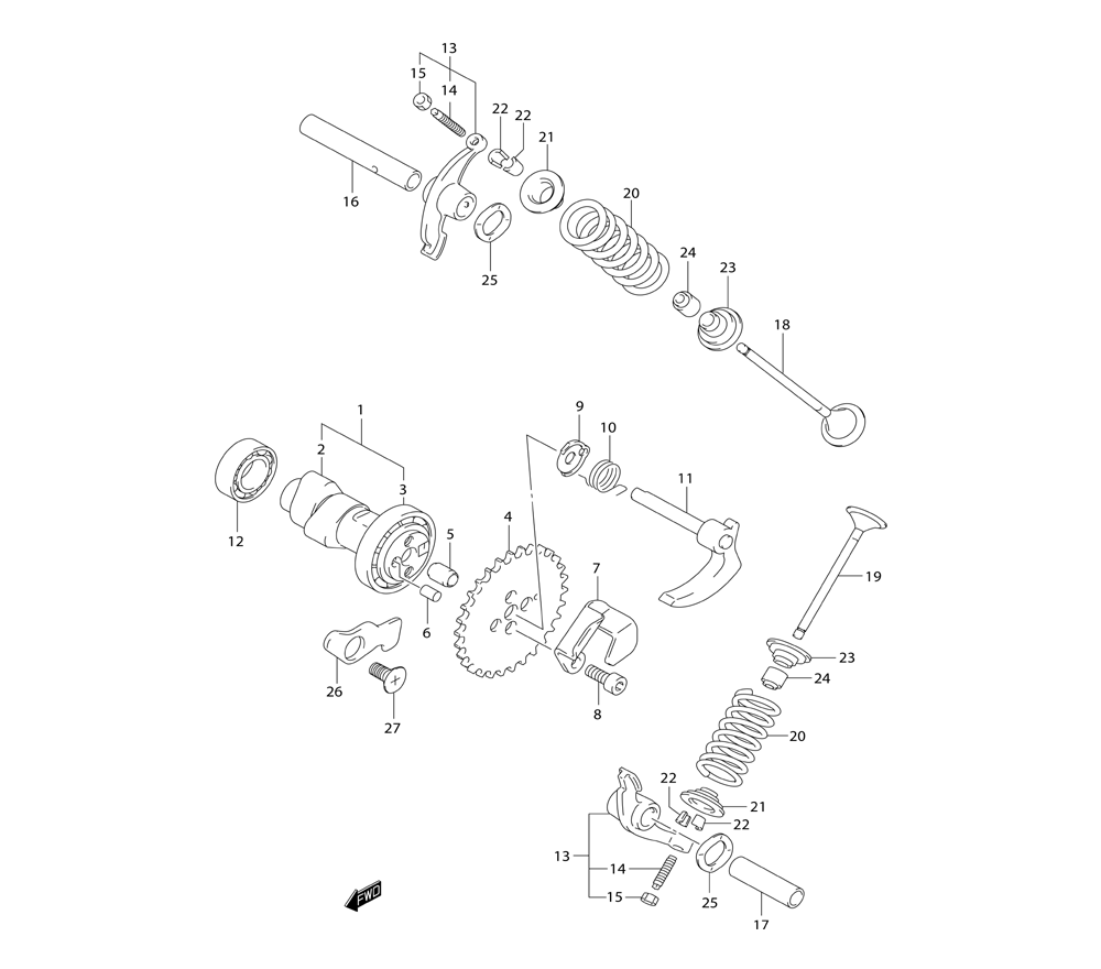
Cam Shaft/Valve / เพลาลูกเบี้ยวและวาล์ว
07
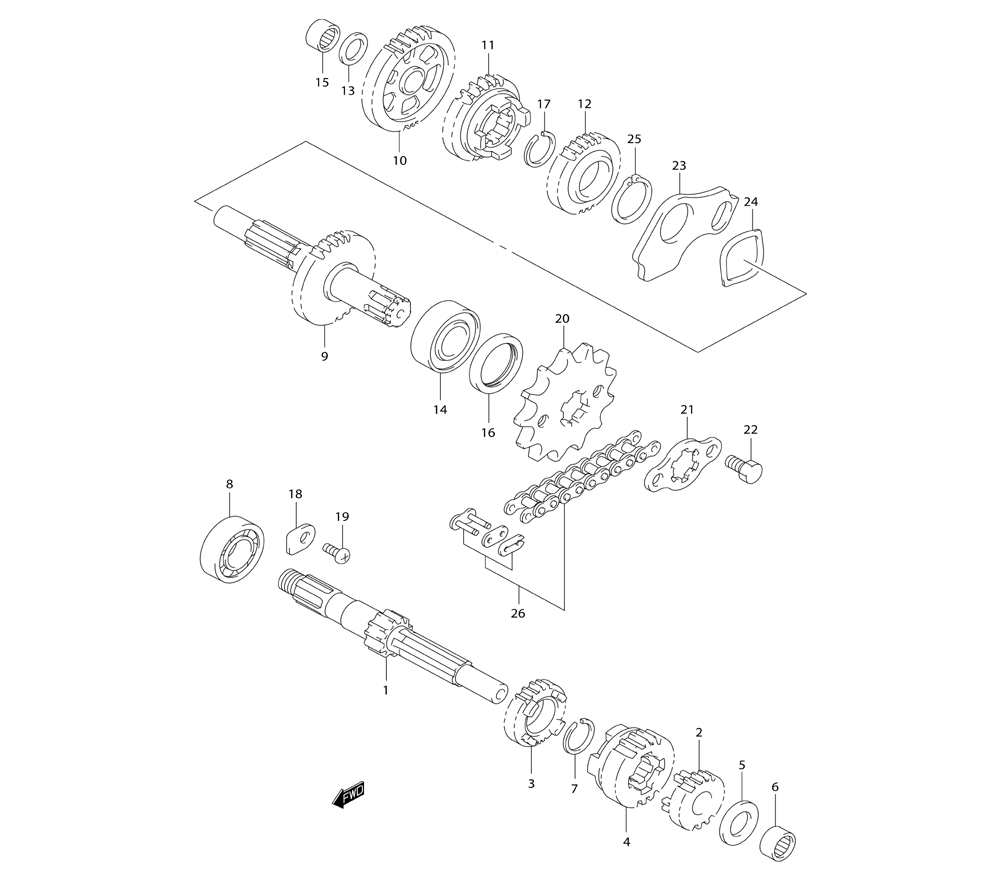
Cam Chain / โซ่ราวลิ้น
08
Carburetor / คาร์บูเรเตอร์
09
Air Cleaner / หม้อกรองอากาศ
10
Muffler(s) / ท่อไอเสีย
11
Oil Pump / ปั๊มน้ำมันเครื่อง
12
Air Valve / วาล์วควบคุมอากาศ
13
Clutch / คลัช
14
Transmission / เฟืองเกียร์
15
Gear Shifting / ชุดเปลี่ยนเกียร์
16
Kick Starter / ชุดคันสตาร์ท
17
Starting Motor / มอเตอร์สตาร์ท
18
Magneto / ชุดแม่เหล็กจานไฟ
19
Electrical / ชุดไฟฟ้า
20