Cylinder Head Cover / ฝาครอบฝาสูบ
01
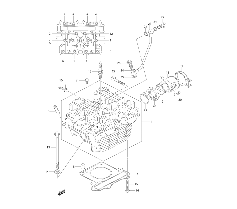
Cylinder Head / ฝาสูบ
02
Cylinder / เสื้อสูบ
03
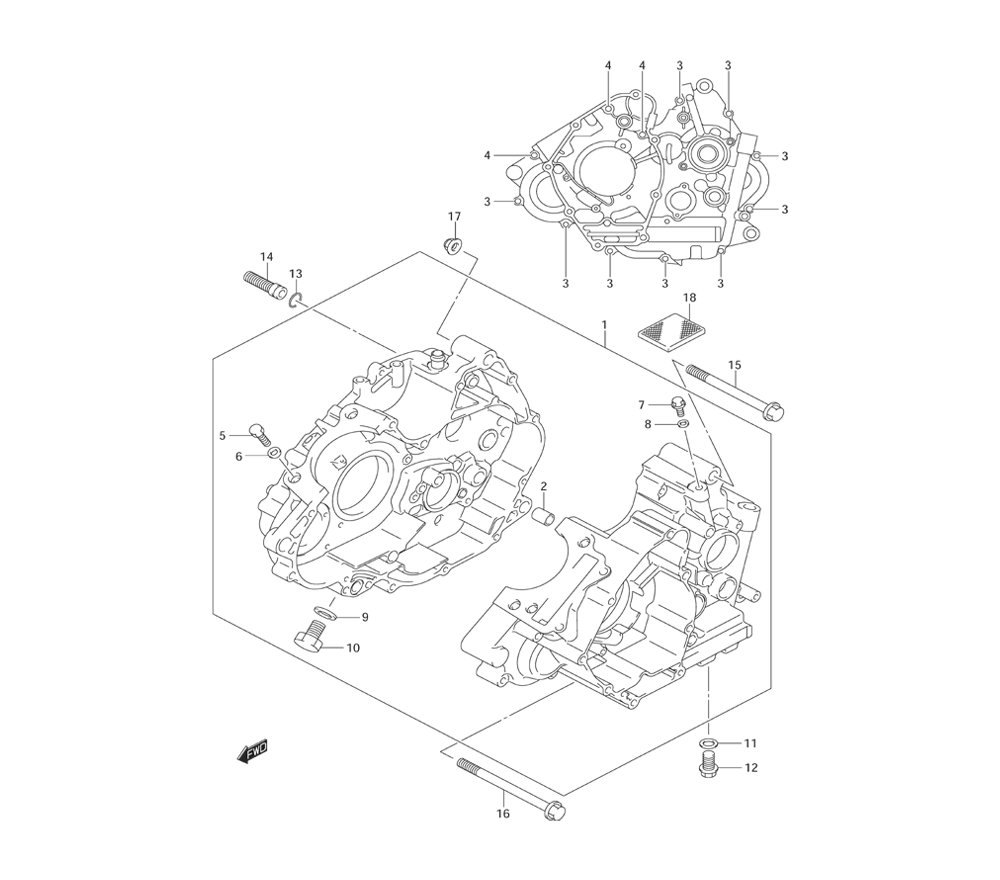
Crankcase / แคร้งเครื่องยนต์
04
Crankcase Cover / ฝาครอบแท่นเครื่อง
05
Crankshaft / เพลงข้อเหวี่ยง
06
Starter Clutch / คลัตช์สตาร์ท
07
Crank Balancer / เพลาถ่วงเฟืองเกียร์
08
Cam Shaft/Valve / เพลาลูกเบี้ยวและวาล์ว
09
Cam Chain / โซ่ราวลิ้น
10
Carburetor / คาร์บูเรเตอร์
11
Air Cleaner / หม้อกรองอากาศ
12
Muffler(s) / ท่อไอเสีย
13
Oil Pump / ปั๊มน้ำมันเครื่อง
14
Oil Cooler / ออยล์คูลเลอร์
15
2ND Air / วาล์วควบคุมอากาศ
16
Clutch / คลัช
17
Transmission / เฟืองเกียร์
18
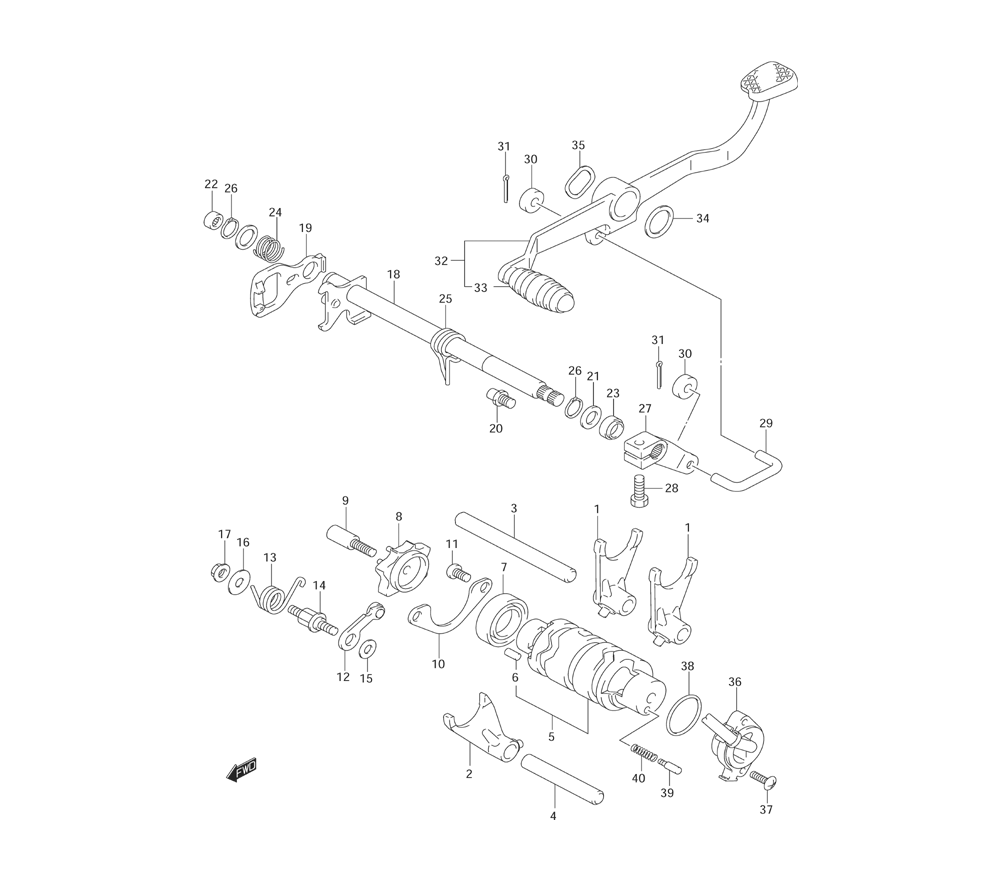
Gear Shifting / ชุดเปลี่ยนเกียร์
19
Kick Starter / ชุดคันสตาร์ท
20