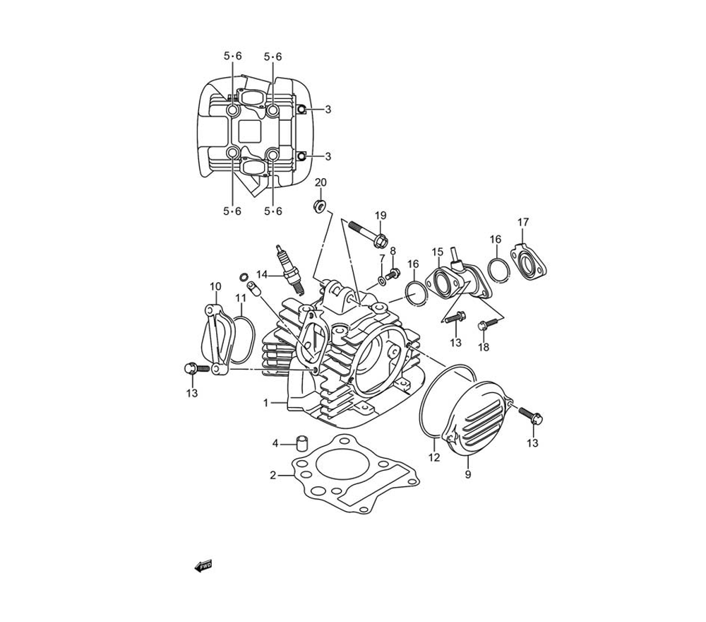
Cylinder Head Cover / ฝาครอบฝาสูบ
01
Cylinder / เสื้อสูบ
02
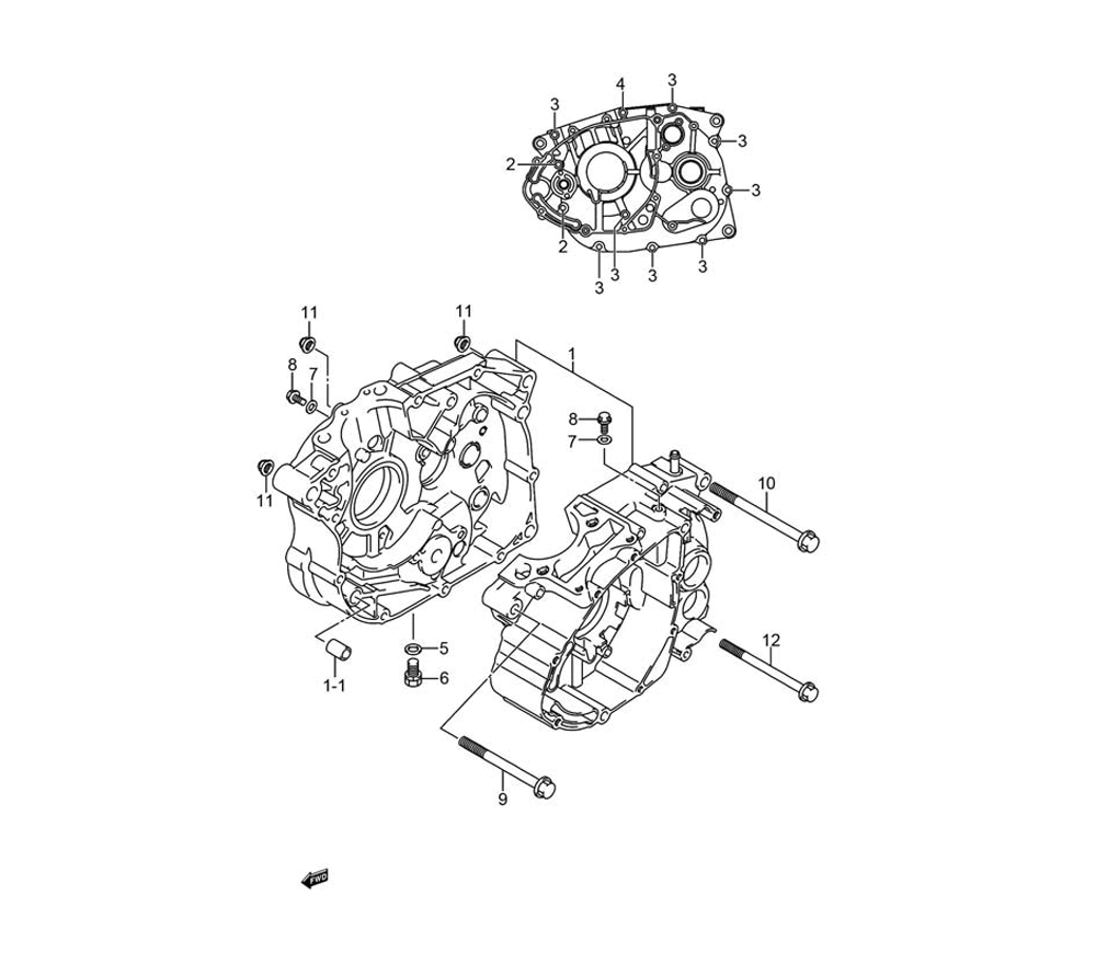
Crankcase / แคร้งเครื่องยนต์
03
Crankcase Cover / ฝาครอบแท่นเครื่อง
04
Crankshaft / เพลงข้อเหวี่ยง
05
Starter Clutch / คลัตช์สตาร์ท
06
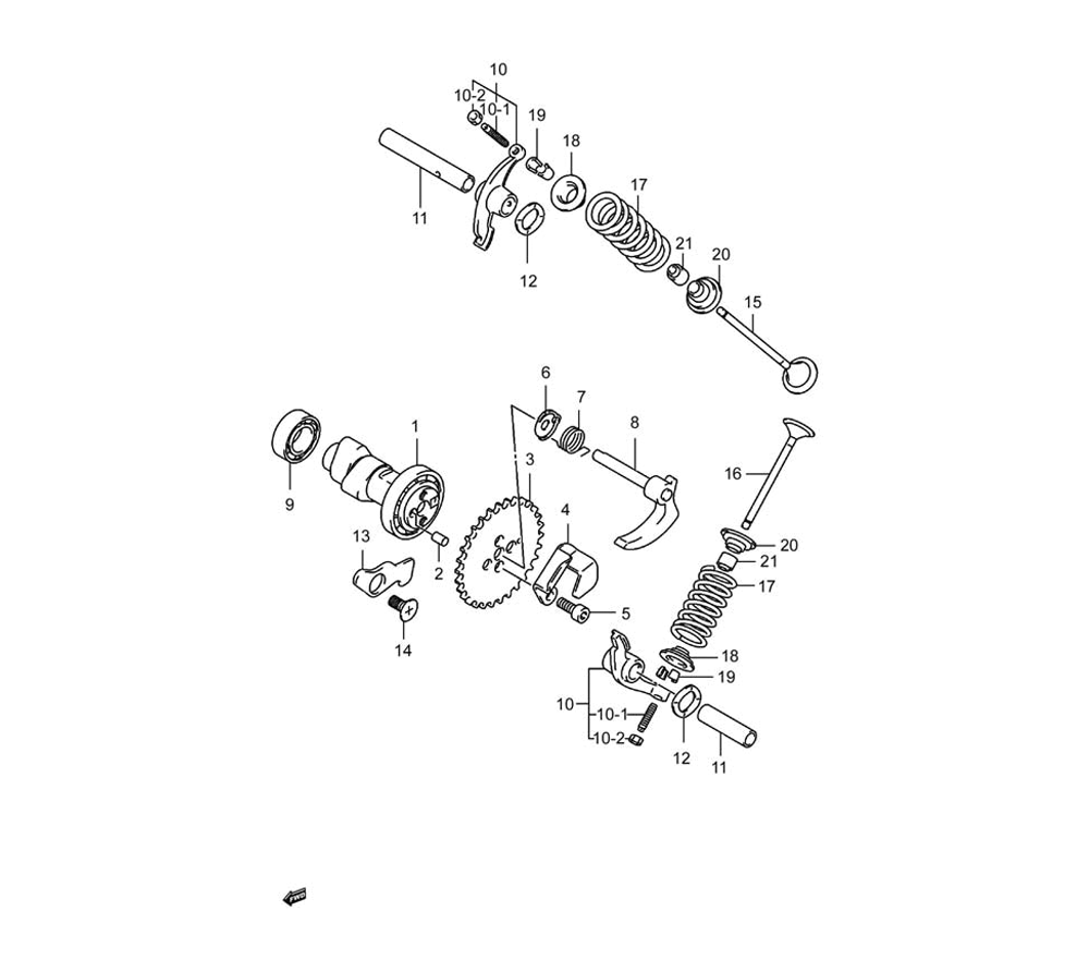
Cam Shaft/Valve / เพลาลูกเบี้ยวและวาล์ว
07
Cam Chain / โซ่ราวลิ้น
08
Carburetor / คาร์บูเรเตอร์
09
Fuel Evaporative System / ระบบควบคุมไอน้ำมันเชื้อเพลิง
10
Air Cleaner / หม้อกรองอากาศ
11
Muffler(s) / ท่อไอเสีย
12
2ND Air Valve / วาล์วควบคุมอากาศ
13
Oil Pump / ปั๊มน้ำมันเครื่อง
14
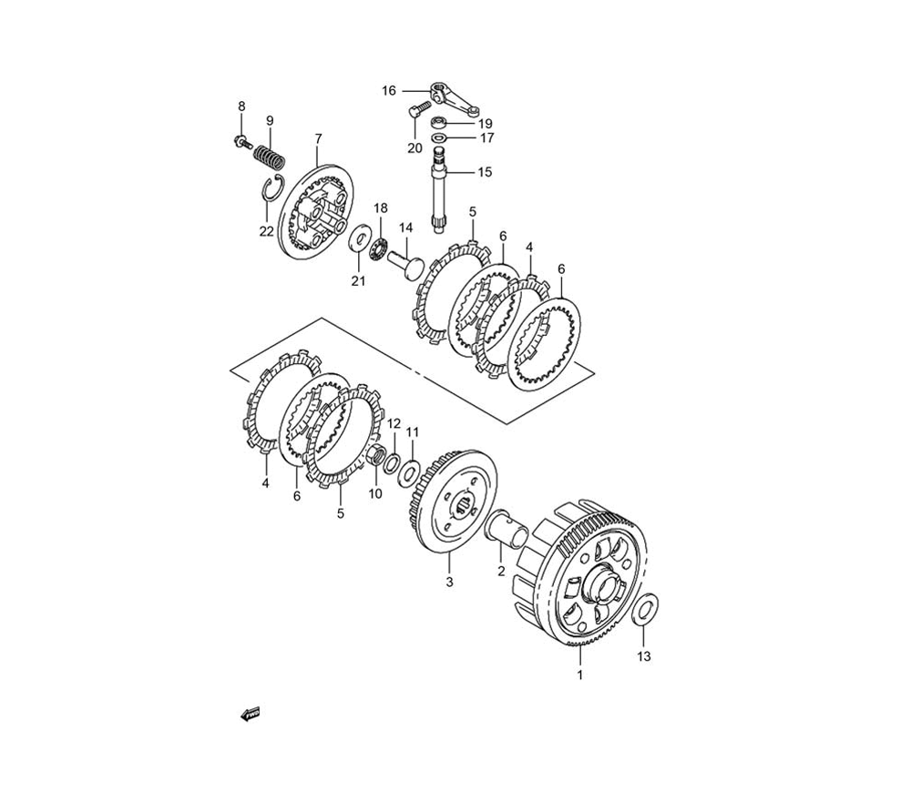
Clutch / คลัช
15
Transmission / เฟืองเกียร์
16
Gear Shifting / ชุดเปลี่ยนเกียร์
17
Kick Starter / ชุดคันสตาร์ท
18
Starting Motor / มอเตอร์สตาร์ท
19
Magneto / ชุดแม่เหล็กจานไฟ
20