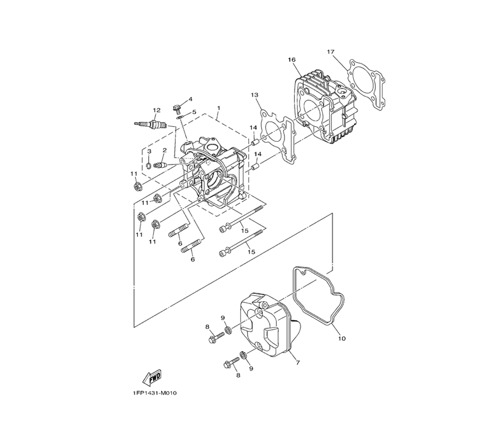
CYLINDER HEAD (1FPA/B/C/D)
01
CRANKSHAFT & PISTON (1FPA/B/C/D)
02
VALVE (1FPA/B/C/D)
03
CAMSHAFT & CHAIN (1FPA/B/C/D)
04
OIL PUMP (1FPA/B/C/D)
05
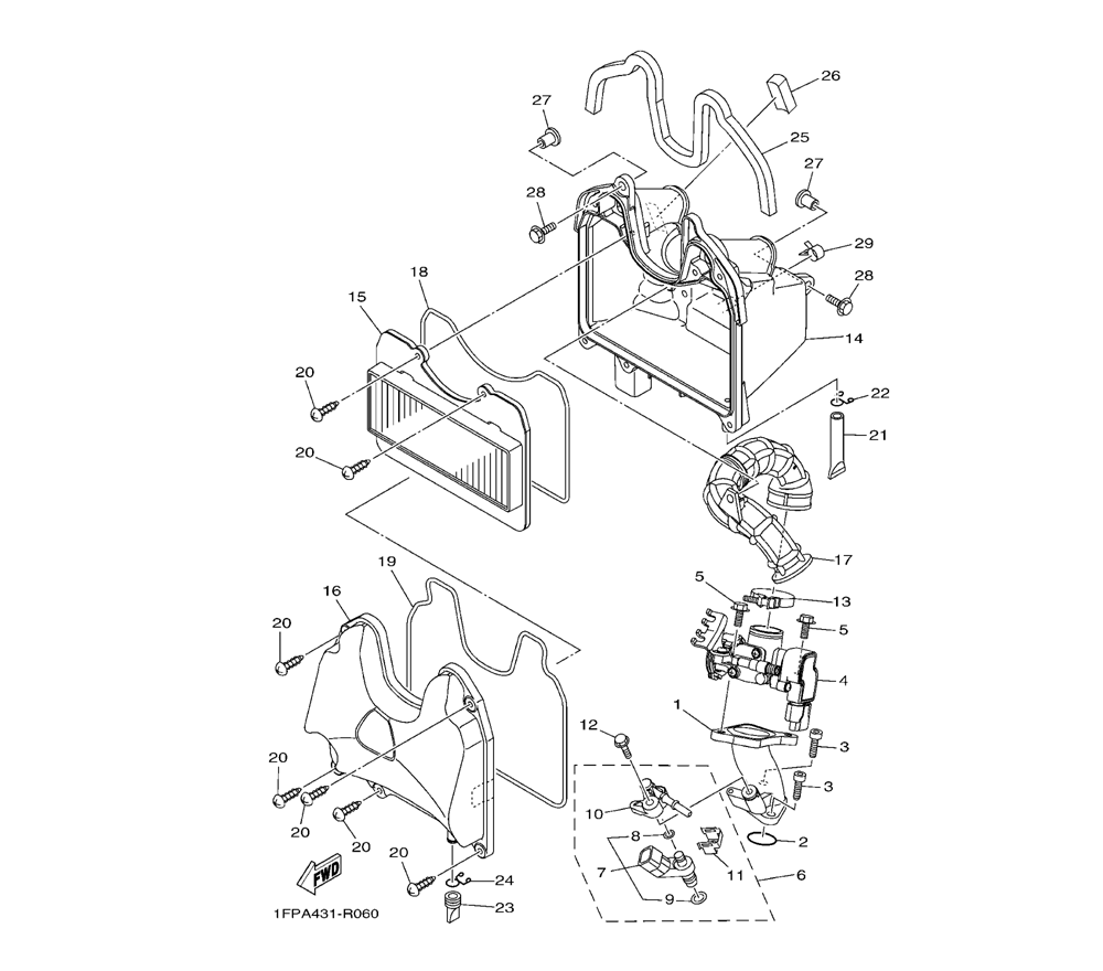
INTAKE (1FPA/B/C/D)
06
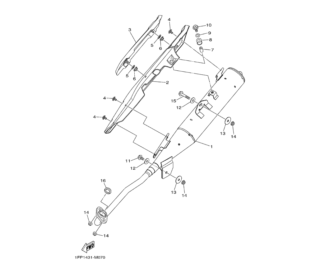
EXHAUST (1FPA/B/C/D)
07
CRANKCASE (1FPA/D)
08
CRANKCASE (1FPB/C)
09
CRANKCASE COVER 1 (1FPA/D)
10
CRANKCASE COVER 1 (1FPB/C)
11
STARTER (1FPA/B/C/D)
12
STARTER CLUTCH (1FPA/D)
13
CLUTCH (1FPA/B/C/D)
14
TRANSMISSION (1FPA/B/C/D)
15
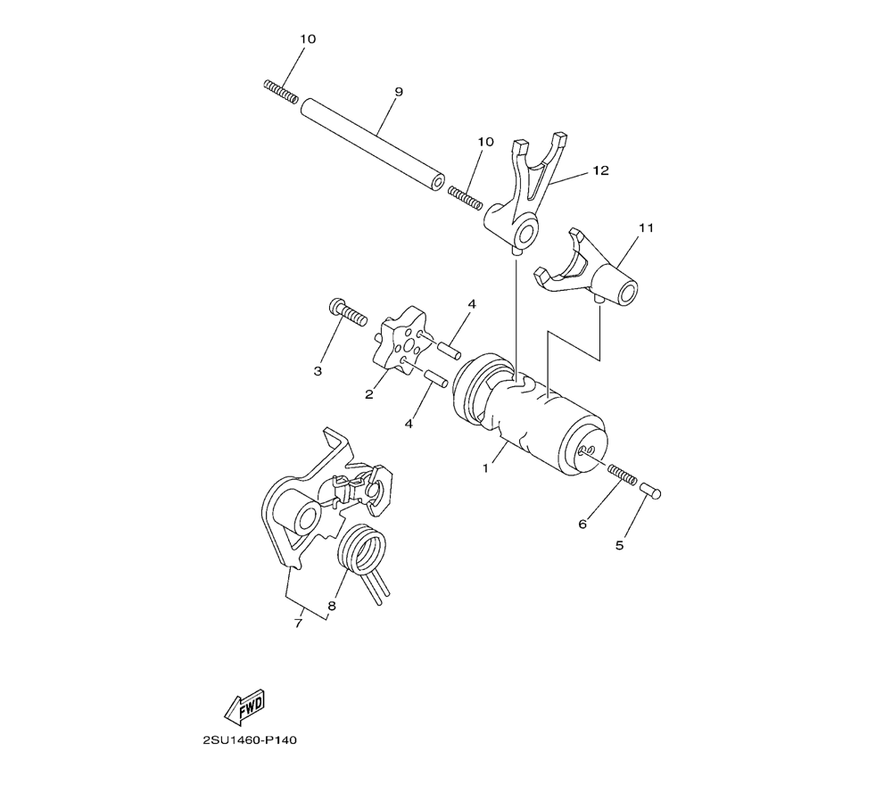
SHIFT CAM & FORK (1FPA/B/C/D)
16
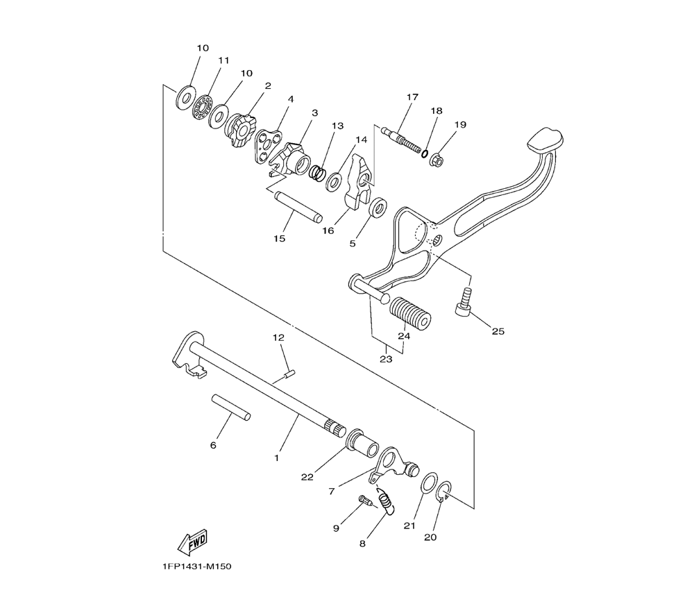
SHIFT SHAFT (1FPA/B/C/D)
17
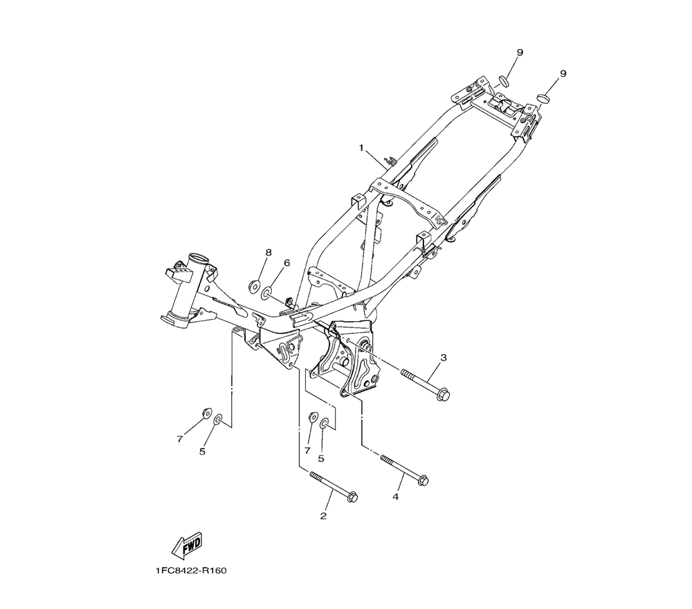
FRAME (1FPA/B/C/D)
18
FENDER(1FPA/B)
19
FENDER(1FPC)
20