Cylinder Head / ฝาสูบ
01
Cam Shaft/Valve / เพลาลูกเบี้ยวและวาล์ว
02
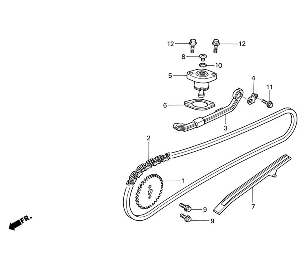
Cam Chain/Tensioner / โซ่ราวลิ้น/ชุดปรับตั้งความตึง
03
Cylinder / เสื้อสูบ
04
Right Crankcase Cover / ฝาครอบแท่นเครื่องด้านขวา
05
One Way Clutch / คลัทช์ทางเดียว
06
Clutch / คลัช
07
Oil Pump / ปั๊มน้ำมันเครื่อง
08
Left Crankcase Cover / ฝาครอบแท่นเครื่องด้านซ้าย
09
Generator / ชุดแม่เหล็กจานไฟ
10
Starting Clutch / คลัทช์สตาร์ท
11
Starting Motor / มอเตอร์สตาร์ท
12
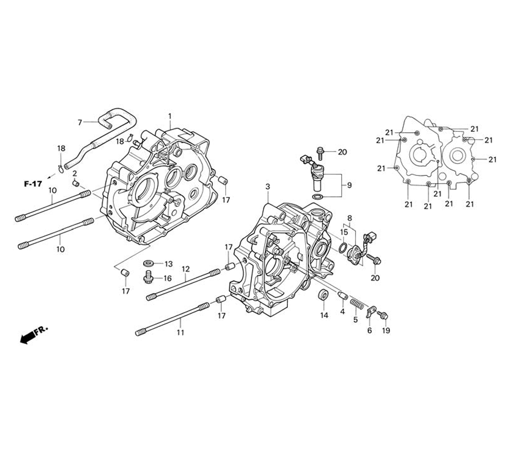
Crankcase / แคร้งเครื่องยนต์
13
Crankshaft/Piston / เพลาข้อเหวี่ยง/ลูกสูบ
14
Transmission / เฟืองเกียร์
15
Gearshift Drum / กระปุกเกียร์
16
Kick Starter Spindle / แกนสตาร์ท
17
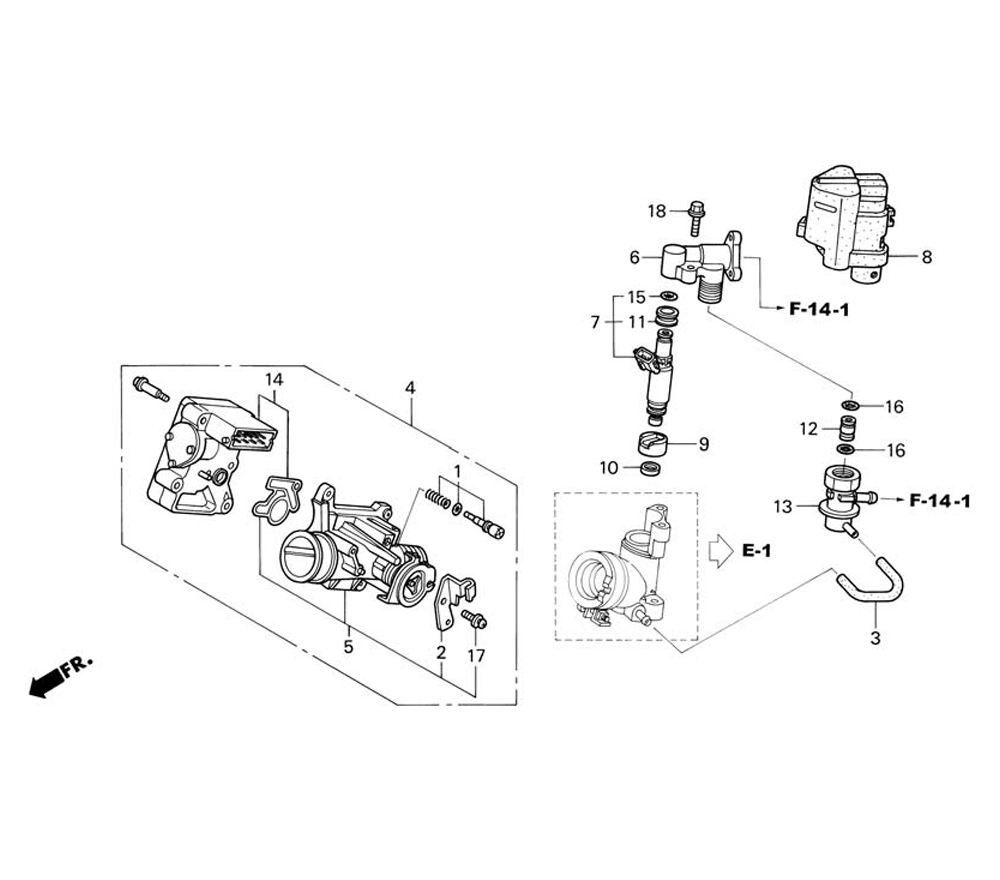
Carburetor / คาร์บูเรเตอร์
18
Throttle Body / เรือนลิ้นเร่ง
19
Headlight(s) / ไฟหน้า
20