Shroud/Fan Cover / ฝาครอบระบายความร้อน/ฝาครอบพัดลมระบายความร้อน
01
Cylinder Head Cover / ฝาครอบฝาสูบ
02
Cylinder Head / ฝาสูบ
03
Cam Shaft/Valve / เพลาลูกเบี้ยวและวาล์ว
04
Cam Chain/Tensioner / โซ่ราวลิ้น/ชุดปรับตั้งความตึง
05
Cylinder / เสื้อสูบ
06
A.C.G. Starter / เอ.ซี.จี. สตาร์ทเตอร์
07
Oil Pump / ปั๊มน้ำมันเครื่อง
08
Left Crankcase Cover / ฝาครอบแท่นเครื่องด้านซ้าย
09
Drive Face / ชุดหน้าสัมผัสของพูลเลย์ขับ
10
Driven Face / ชุดหน้าสัมผัสของพูลเลย์ตาม
11
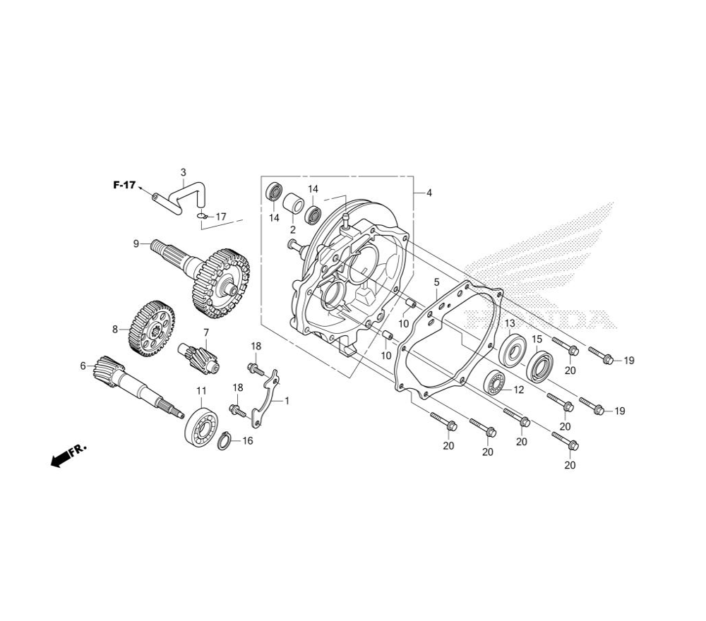
Transmission / เฟืองเกียร์
12
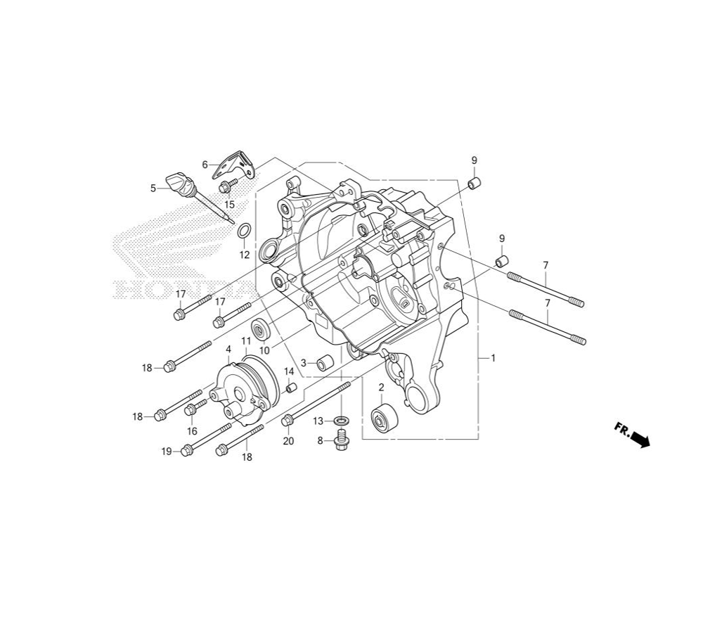
Right Crankcase / เรือนเครื่องยนต์ด้านขวา
13
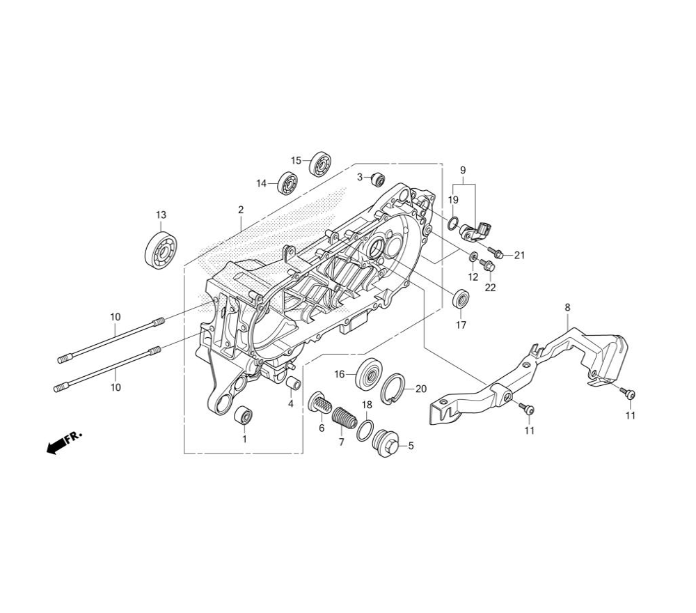
Left Crankcase / เรือนเครื่องยนต์ด้านซ้าย
14
Crankshaft/Piston(s) / เพลาข้อเหวี่ยง/ลูกสูบ
15
Throttle Body / เรือนลิ้นเร่ง
16
Headlight(s) / ไฟหน้า
17
Meter(s) / ชุดเรือนไมล์
18
Handle Lever/Switch/Cable / ปลอกแฮนด์/สวิทช์/สายเคเบิล
19
Front Brake Master Cylinder / แม่ปั๊มเบรคหน้า
20