Cylinder Head Cover / ฝาครอบฝาสูบ
01
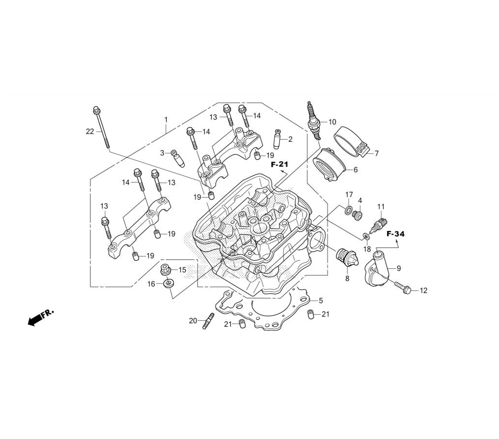
Cylinder Head / ฝาสูบ
02
Cam Shaft/Valve / เพลาลูกเบี้ยวและวาล์ว
03
Cam Chain/Tensioner / โซ่ราวลิ้น/ชุดปรับตั้งความตึง
04
Cylinder / เสื้อสูบ
05
Right Crankcase Cover / ฝาครอบแท่นเครื่องด้านขวา
06
Clutch / คลัช
07
Starting Clutch / คลัทช์สตาร์ท
08
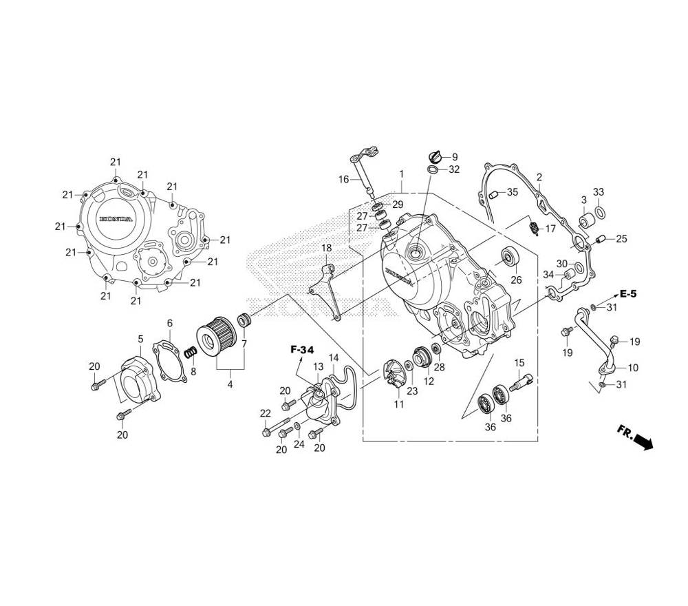
Left Crankcase Cover / ฝาครอบแท่นเครื่องด้านซ้าย
09
Generator / ชุดแม่เหล็กจานไฟ
10
Starter Motor / มอเตอร์สตาร์ท
11
Oil Pump / ปั๊มน้ำมันเครื่อง
12
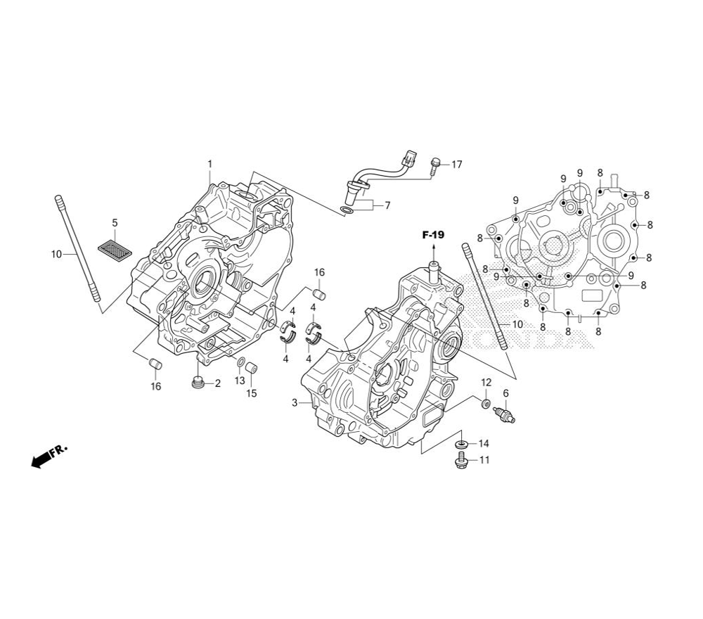
Crankcase / แคร้งเครื่องยนต์
13
Crankshaft/Piston(s) / เพลาข้อเหวี่ยง/ลูกสูบ
14
Balancer Shaft / เพลาบาลานเซอร์
15
Transmission / เฟืองเกียร์
16
Gearshift Drum / กระปุกเกียร์
17
Throttle Body / เรือนลิ้นเร่ง
18
Headlight(s) / ไฟหน้า
19
20