Shroud/Fan Cover / ฝาครอบระบายความร้อน/ฝาครอบพัดลมระบายความร้อน
01
Cylinder Head Cover / ฝาครอบฝาสูบ
02
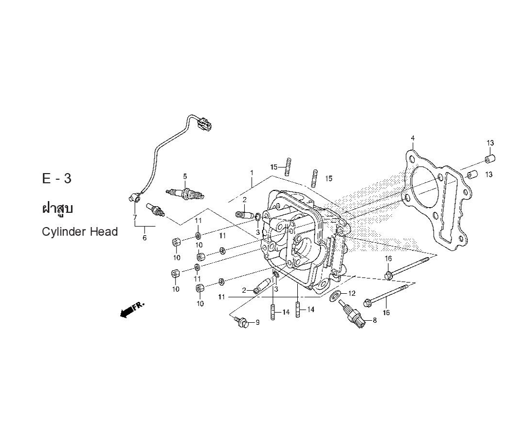
Cylinder Head / ฝาสูบ
03
Cam Shaft/Valve / เพลาลูกเบี้ยวและวาล์ว
04
Cam Chain/Tensioner / โซ่ราวลิ้น/ชุดปรับตั้งความตึง
05
Cylinder / เสื้อสูบ
06
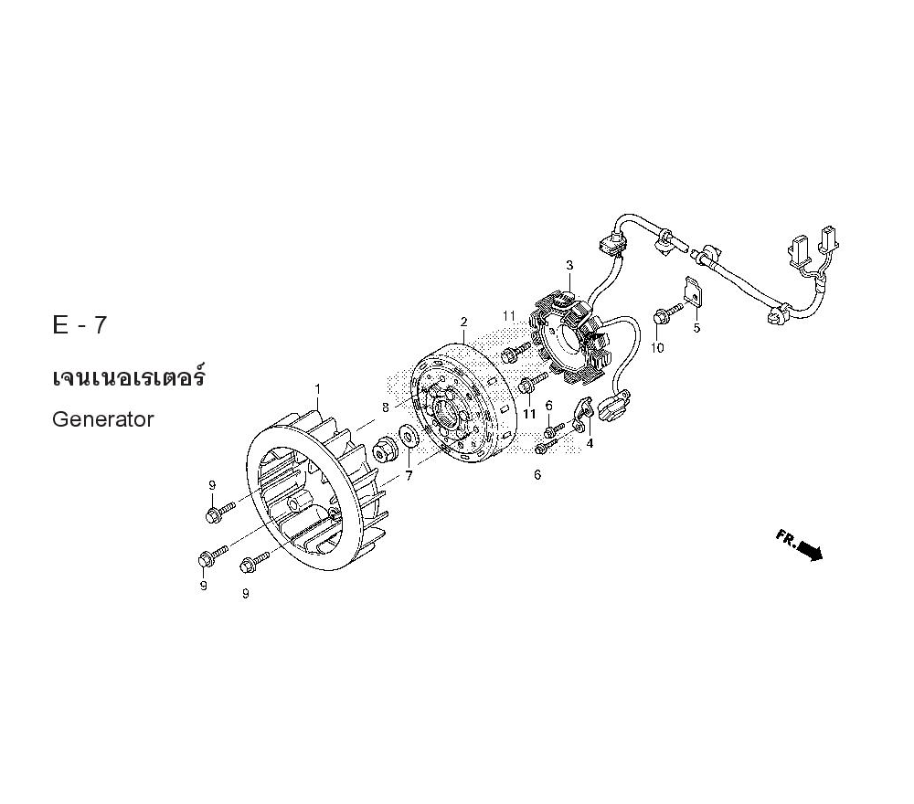
Generator / ชุดแม่เหล็กจานไฟ
07
Oil Pump / ปั๊มน้ำมันเครื่อง
08
Starting Motor / มอเตอร์สตาร์ท
09
Left Crankcase Cover / ฝาครอบแท่นเครื่องด้านซ้าย
10
Drive Face / ชุดหน้าสัมผัสของพูลเลย์ขับ
11
Driven Face / ชุดหน้าสัมผัสของพูลเลย์ตาม
12
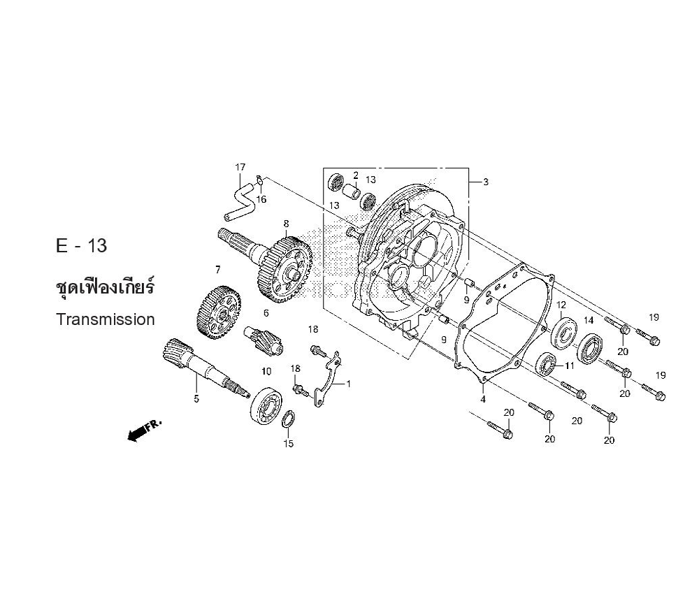
Transmission / เฟืองเกียร์
13
Right Crankcase / เรือนเครื่องยนต์ด้านขวา
14
Left Crankcase / เรือนเครื่องยนต์ด้านซ้าย
15
Crankshaft/Piston(s) / เพลาข้อเหวี่ยง/ลูกสูบ
16
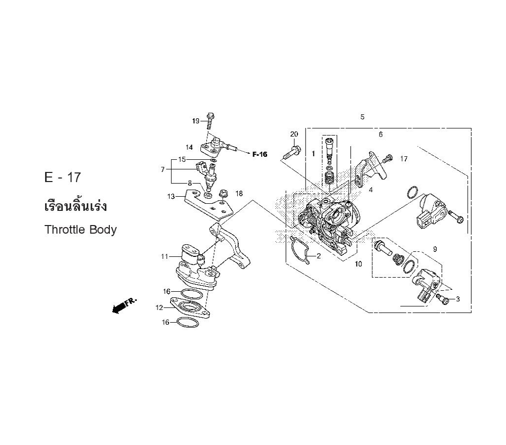
Throttle Body / เรือนลิ้นเร่ง
17
Headlight(s) / ไฟหน้า
18
Speedometer / เรือนไมล์
19
Handle Lever/Switch/Cable / ปลอกแฮนด์/สวิทช์/สายต่างๆ
20