Cylinder Head Cover / ฝาครอบฝาสูบ
01
Cylinder Head / ฝาสูบ
02
Cam Shaft/Valve / เพลาลูกเบี้ยวและวาล์ว
03
Cam Chain/Tensioner / โซ่ราวลิ้น/ชุดปรับตั้งความตึง
04
Cylinder / เสื้อสูบ
05
Water Pump / ชุดปั๊มน้ำ
06
A.C.G. Starter / เอ.ซี.จี. สตาร์ทเตอร์
07
Oil Pump / ปั๊มน้ำมันเครื่อง
08
Left Side Cover / ชุดฝาข้างซ้าย
09
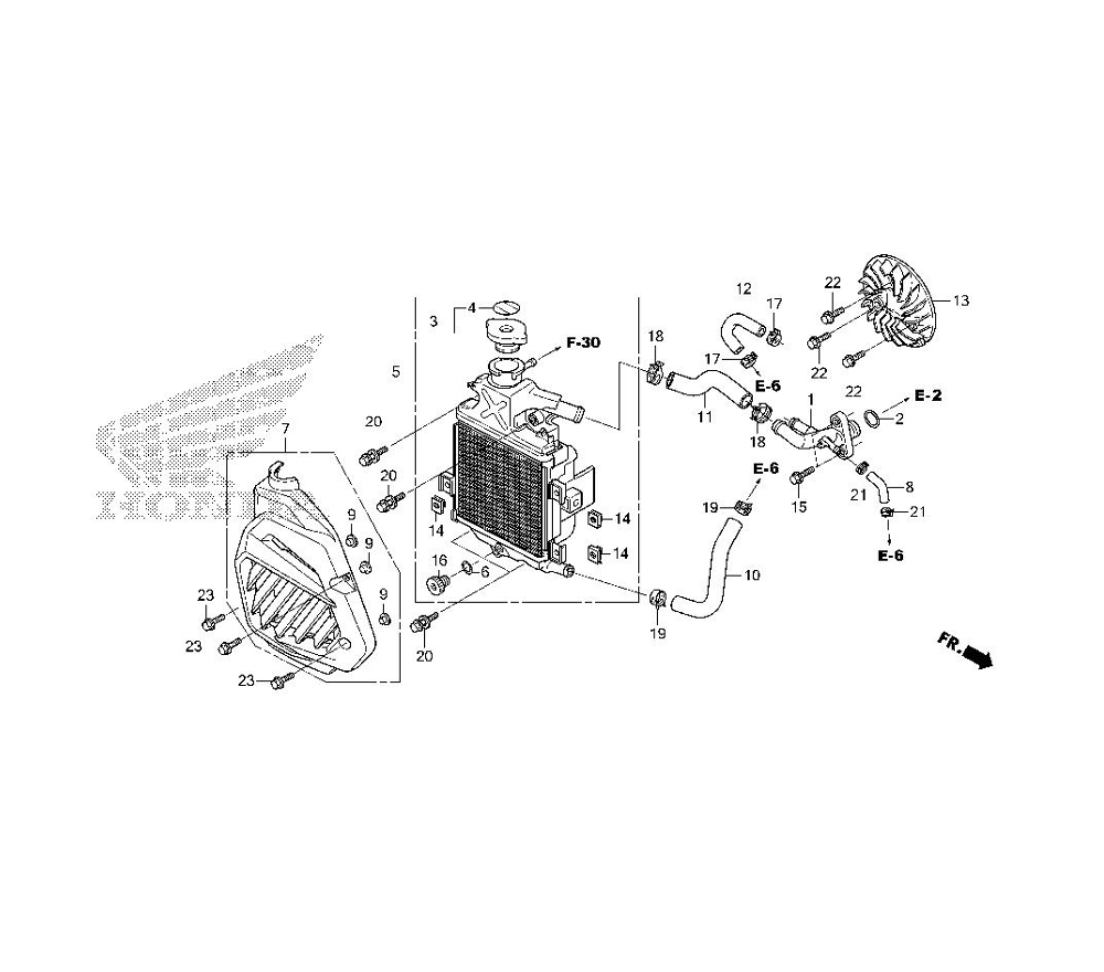
Radiator / หม้อน้ำ
10
Drive Face / ชุดหน้าสัมผัสของพูลเลย์ขับ
11
Driven Face / ชุดหน้าสัมผัสของพูลเลย์ตาม
12
Transmission / เฟืองเกียร์
13
Right Crankcase / เรือนเครื่องยนต์ด้านขวา
14
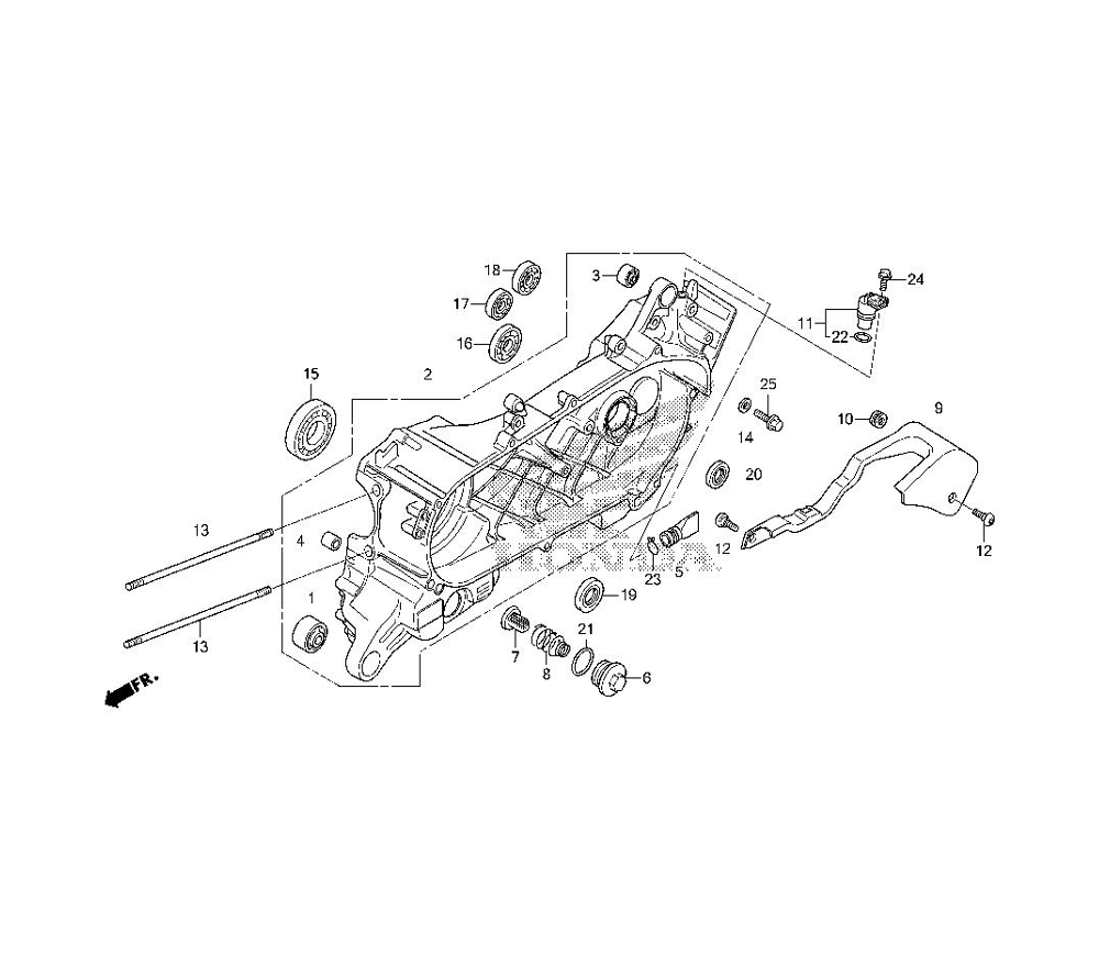
Left Crankcase / เรือนเครื่องยนต์ด้านซ้าย
15
Crankshaft/Piston(s) / เพลาข้อเหวี่ยง/ลูกสูบ
16
Throttle Body/Fuel Injector / เรือนลิ้นเร่ง/หัวฉีดน้ำมันเชื้อเพลิง
17
Headlight(s) / ไฟหน้า
18
Meter(s) / ชุดเรือนไมล์
19
Mirror / กระจกมองหลัง
20