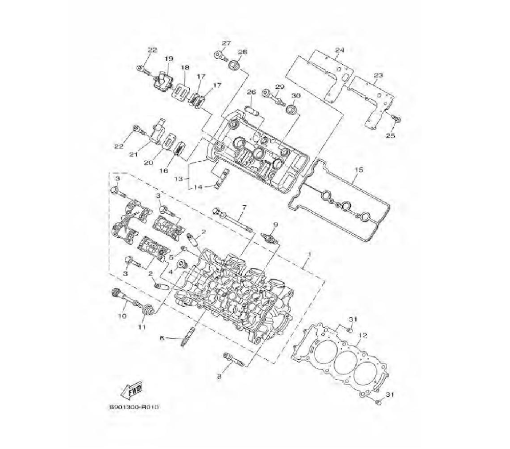
CYLINDER HEAD
01
CRANKSHAFT & PISTON
02
VALVE
03
CAMSHAFT & CHAIN
04
WATER PUMP
05
RADIATOR & HOSE
06
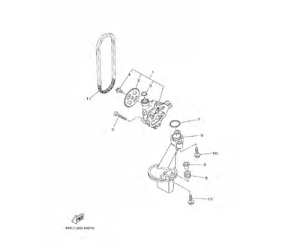
OIL PUMP
07
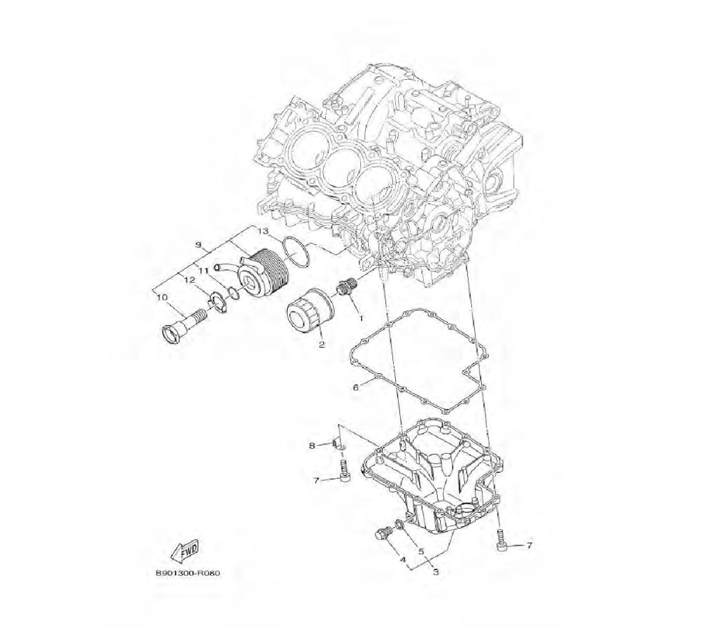
OIL CLEANER
08
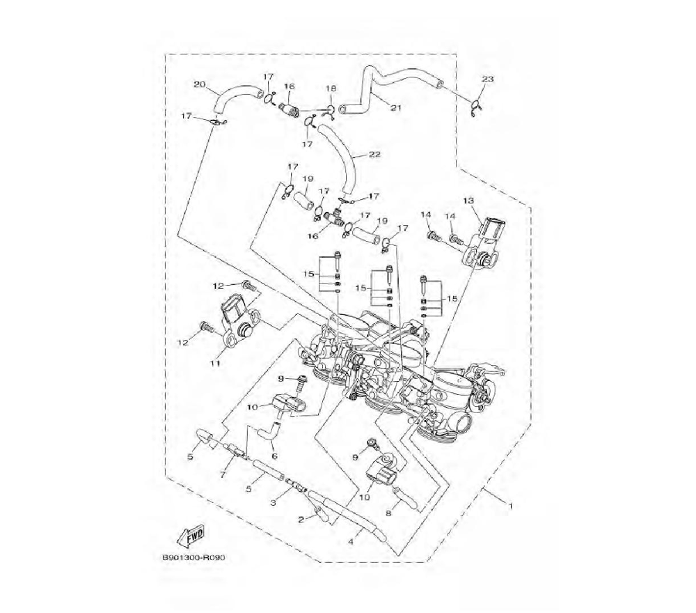
INTAKE
09
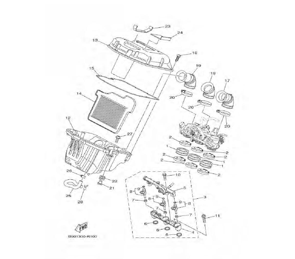
INTAKE 2
10
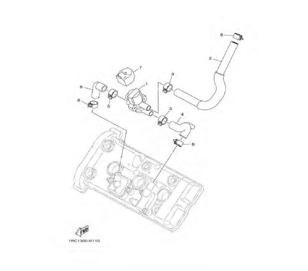
AIR INDUCTION SYSTEM
11
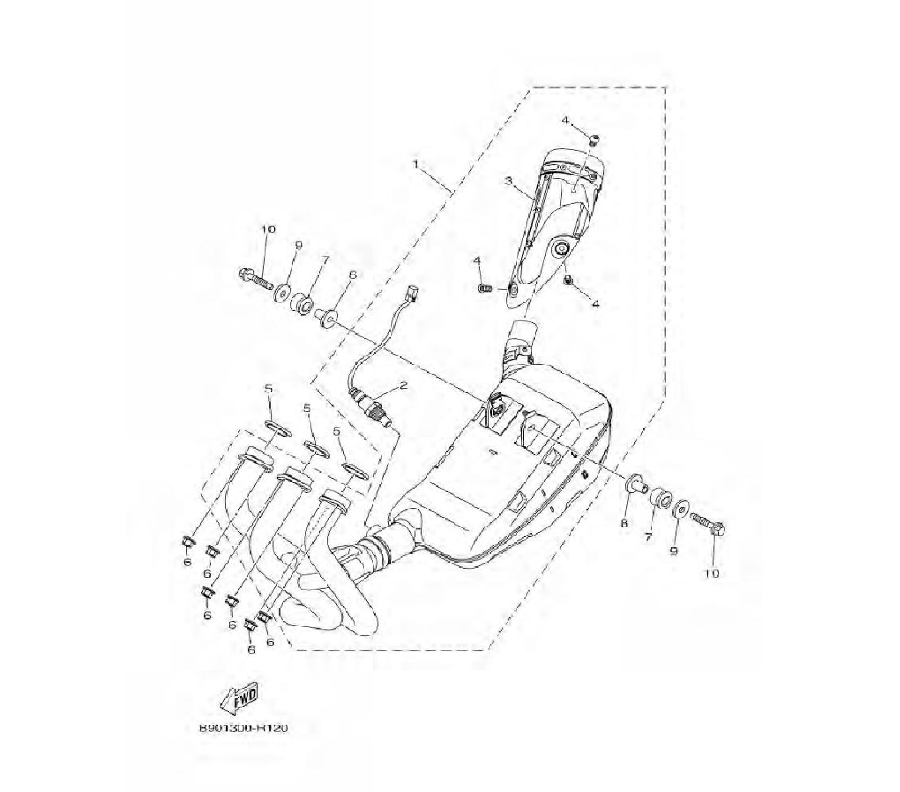
EXHAUST
12
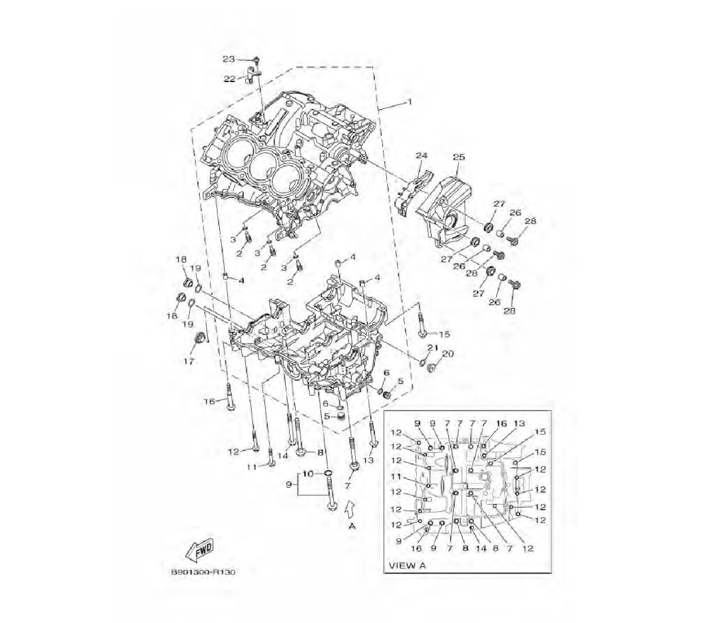
CRANKCASE
13
CRANKCASE COVER 1
14
STARTER
15
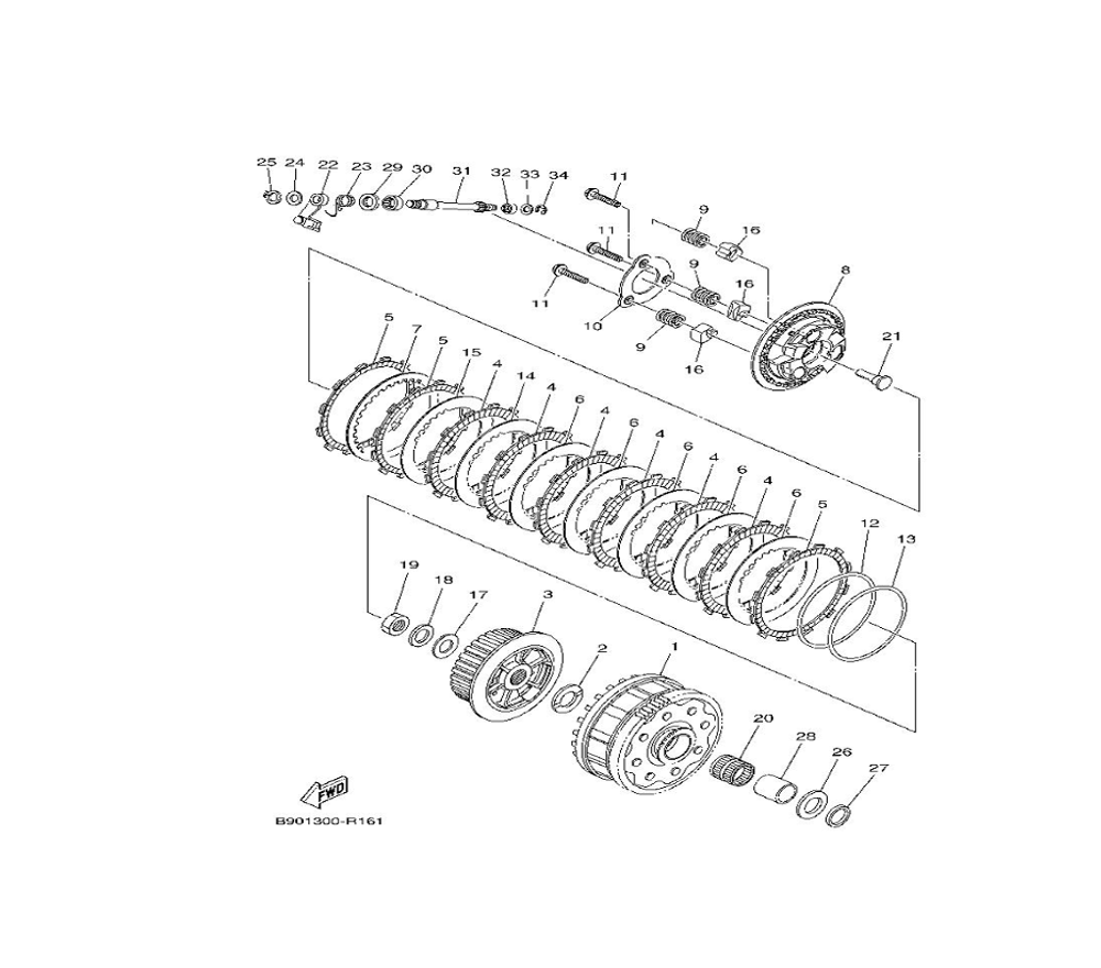
CLUTCH
16
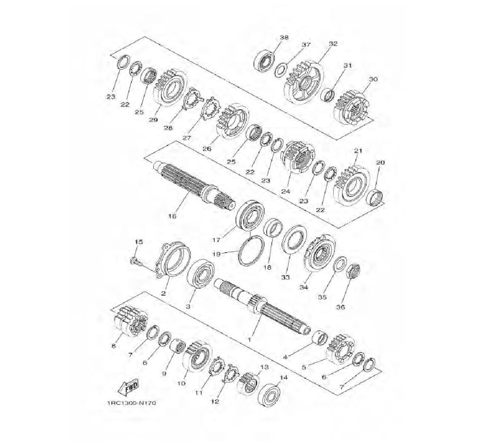
TRANSMISSION
17
SHIFT CAM & FORK
18
SHIFT SHAFT
19
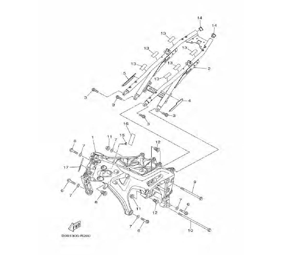
FRAME
20