CYLINDER
01
CRANKSHAFT & PISTON
02
VALVE
03
CAMSHAFT & CHAIN
04
OIL PUMP
05
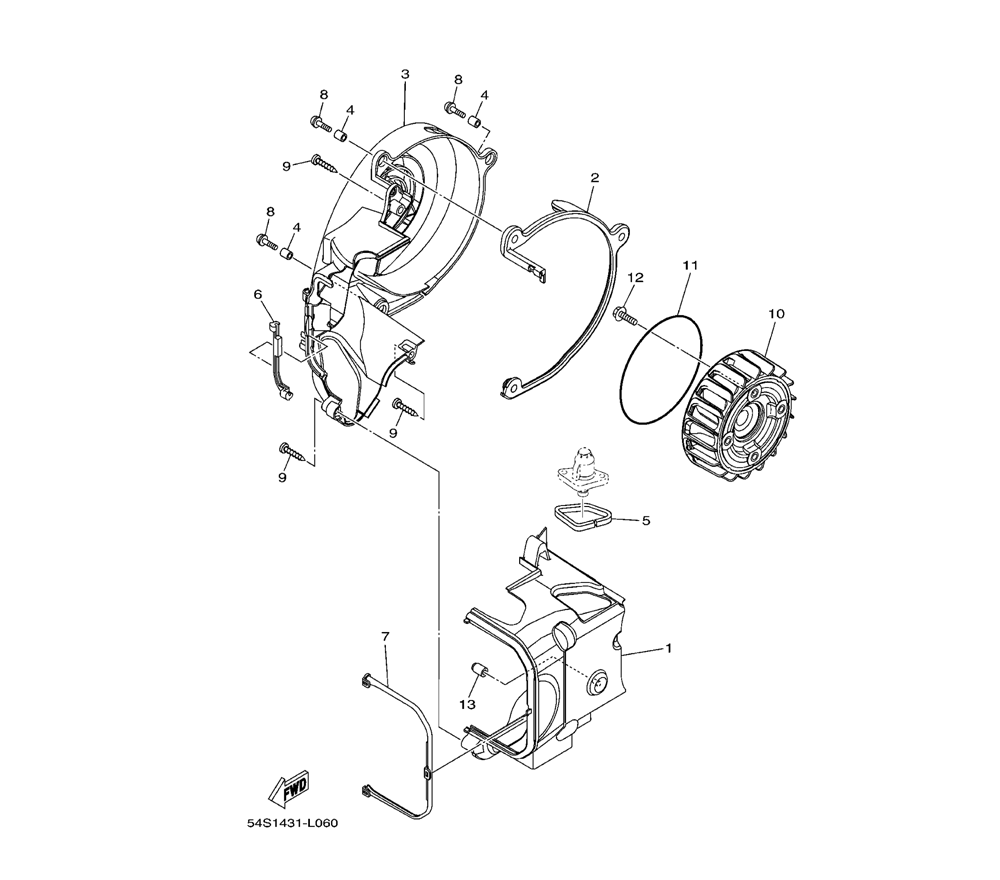
AIR SHROUD & FAN
06
INTAKE
07
EXHAUST
08
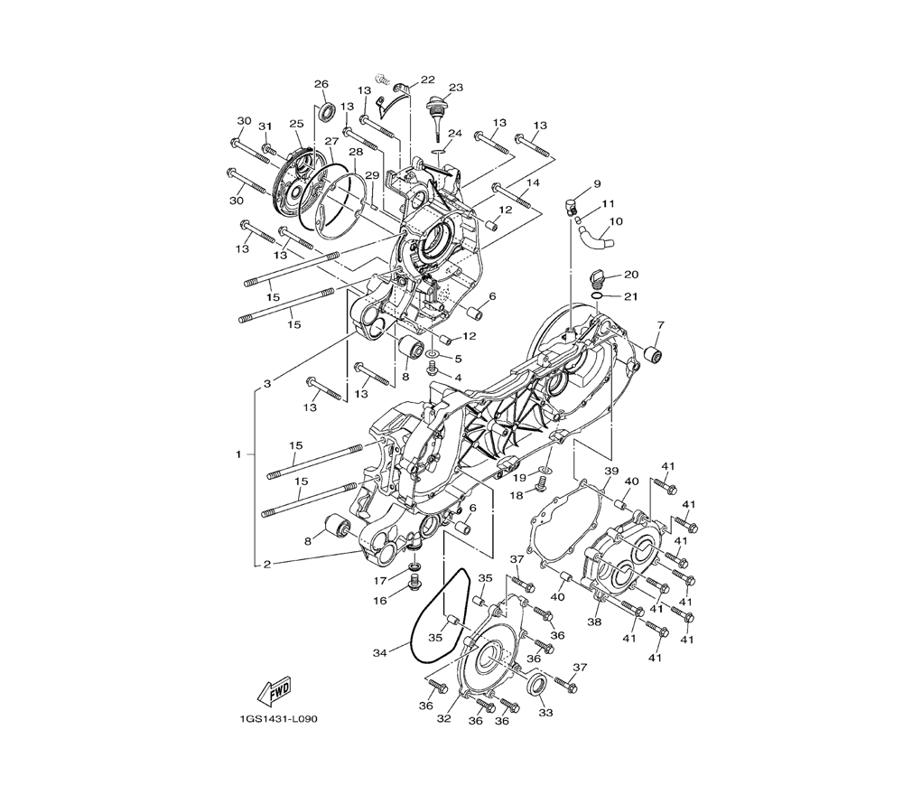
CRANKCASE
09
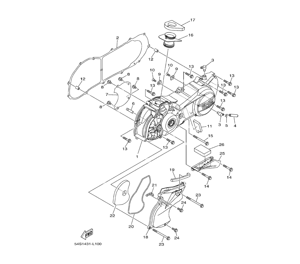
CRANKCASE COVER 1
10
STARTER
11
CLUTCH
12
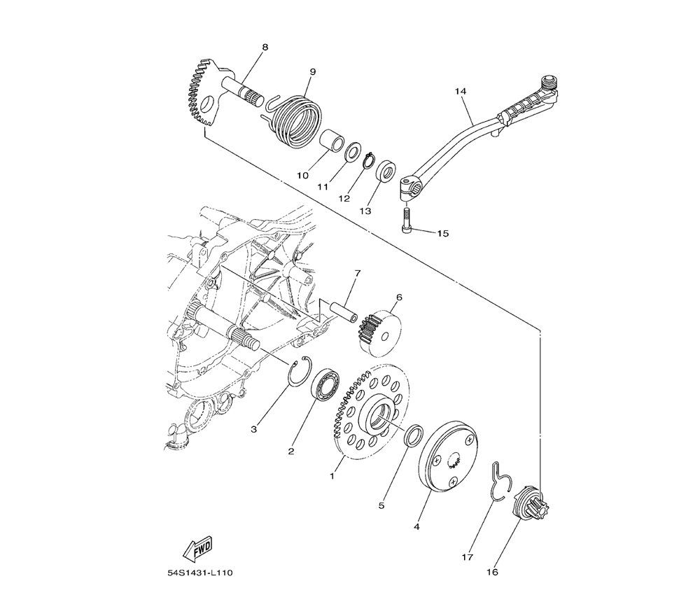
TRANSMISSION
13
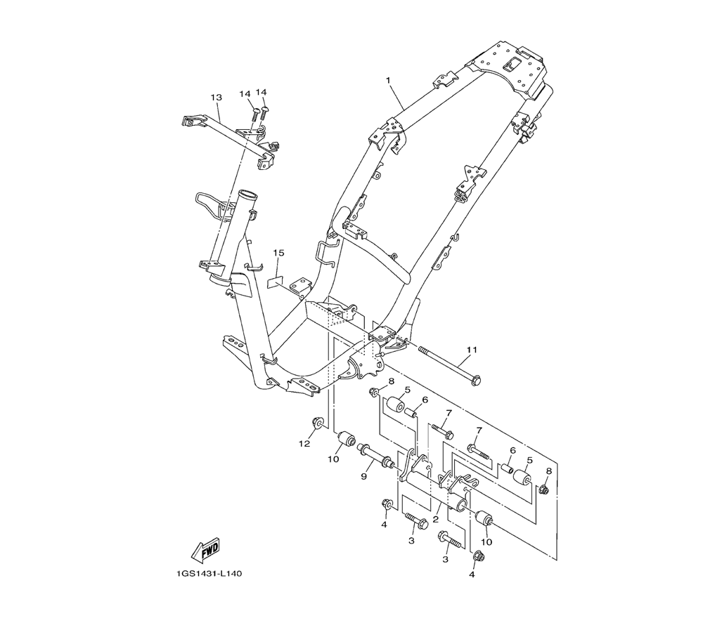
FRAME
14
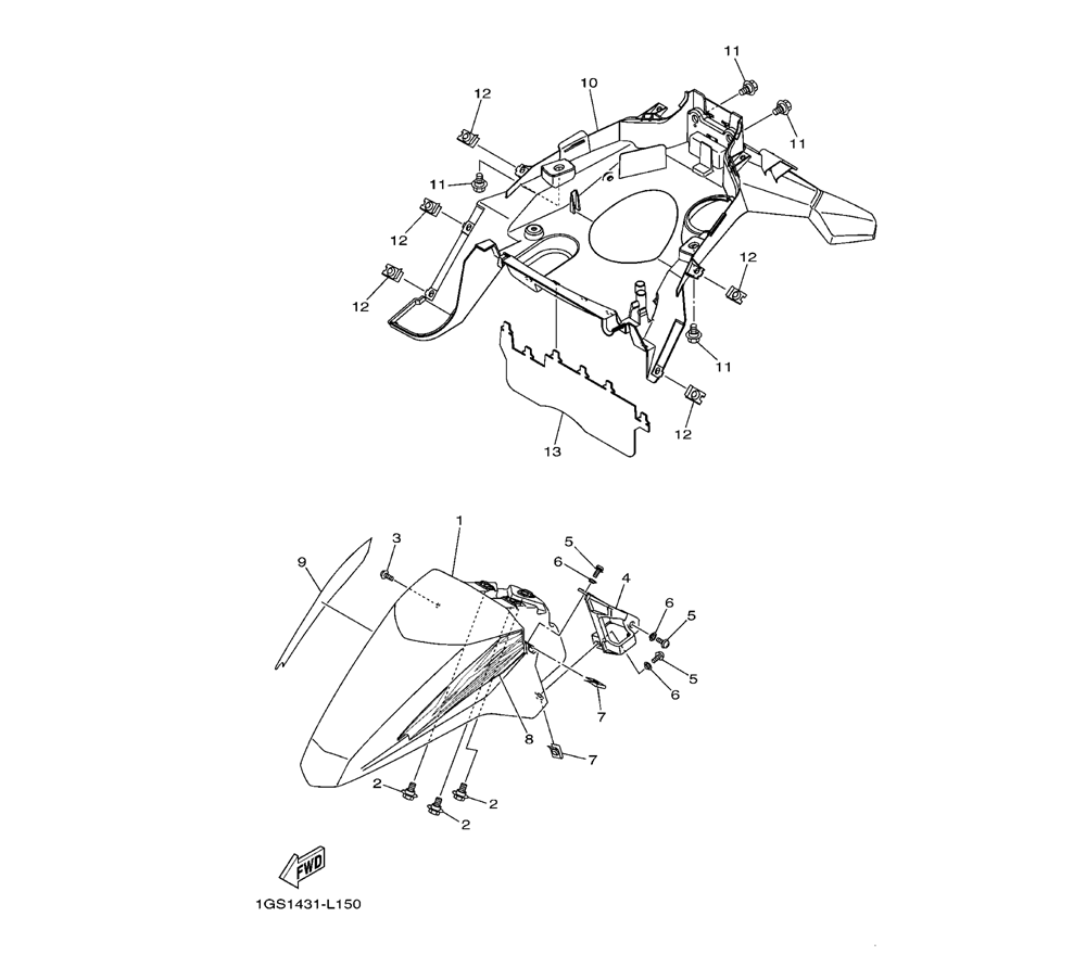
FENDER
15
SIDE COVER
16
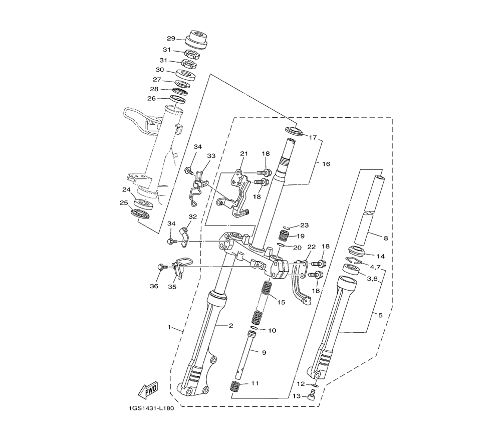
SUSPENSION
17
STEERING
18
FUEL TANK
19
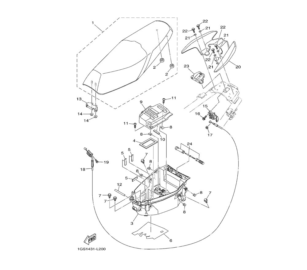
SEAT
20