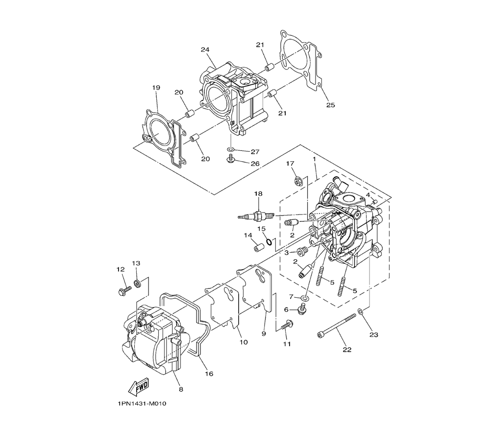
CYLINDER HEAD(1PN7/8)
01
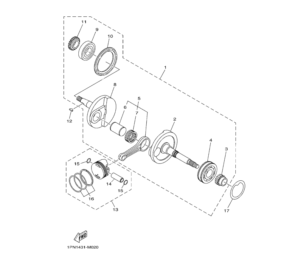
CRANKSHAFT & PISTON(1PN7/8)
02
VALVE(1PN7/8)
03
CAMSHAFT & CHAIN(1PN7/8)
04
WATER PUMP(1PN7/8)
05
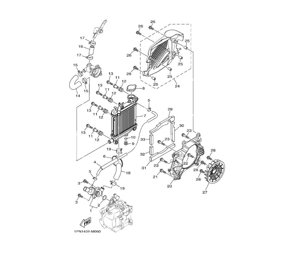
RADIATOR & HOSE(1PN7/8)
06
OIL PUMP(1PN7/8)
07
INTAKE(1PN7/8)
08
EXHAUST (1PN7/8)
09
CRANKCASE (1PN7/8)
10
CRANKCASE COVER 1 (1PN7/8)
11
STARTER (1PN7/8)
12
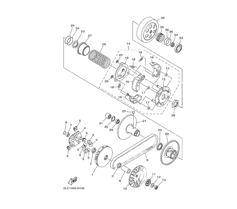
CLUTCH (1PN7/8)
13
TRANSMISSION (1PN7/8)
14
FRAME (1PN7/8)
15
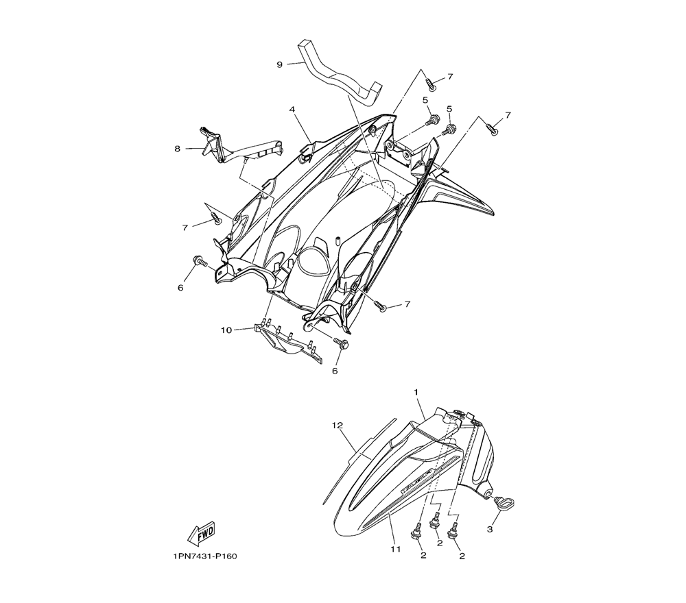
FENDER (1PN7)
16
FENDER (1PN8)
FUEL TANK(1PN7/8)
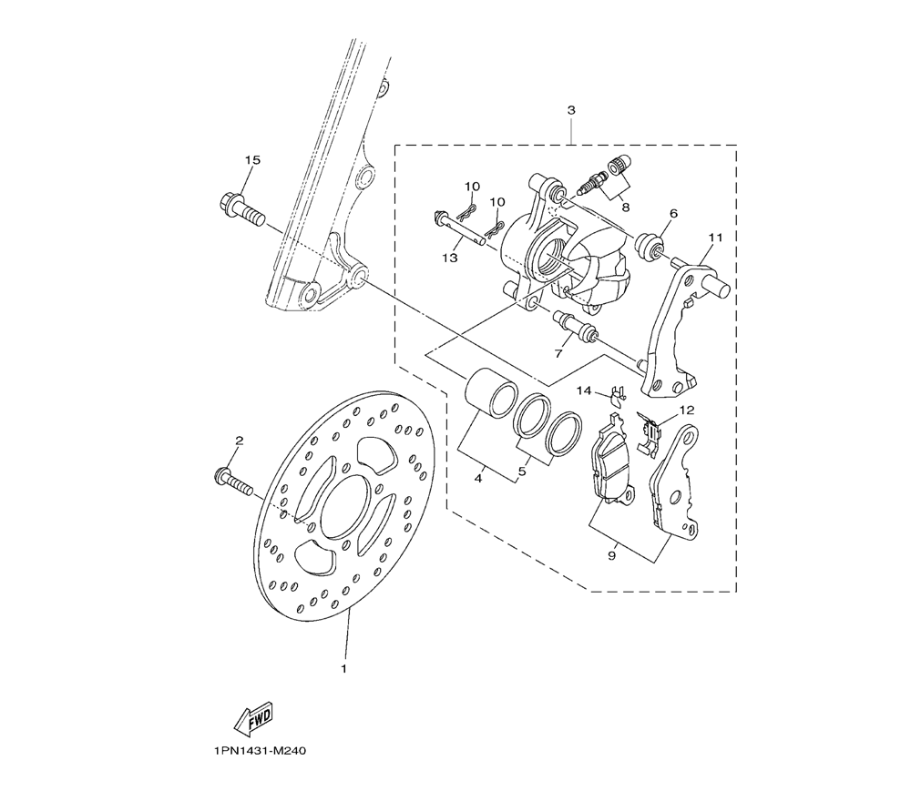
FRONT BRAKE CALIPER (1PN7/8)
17
SIDE COVER(1PN7)