สีดำ Ebony(H8)
-0
สีเขียว Lime Green(777)
-00
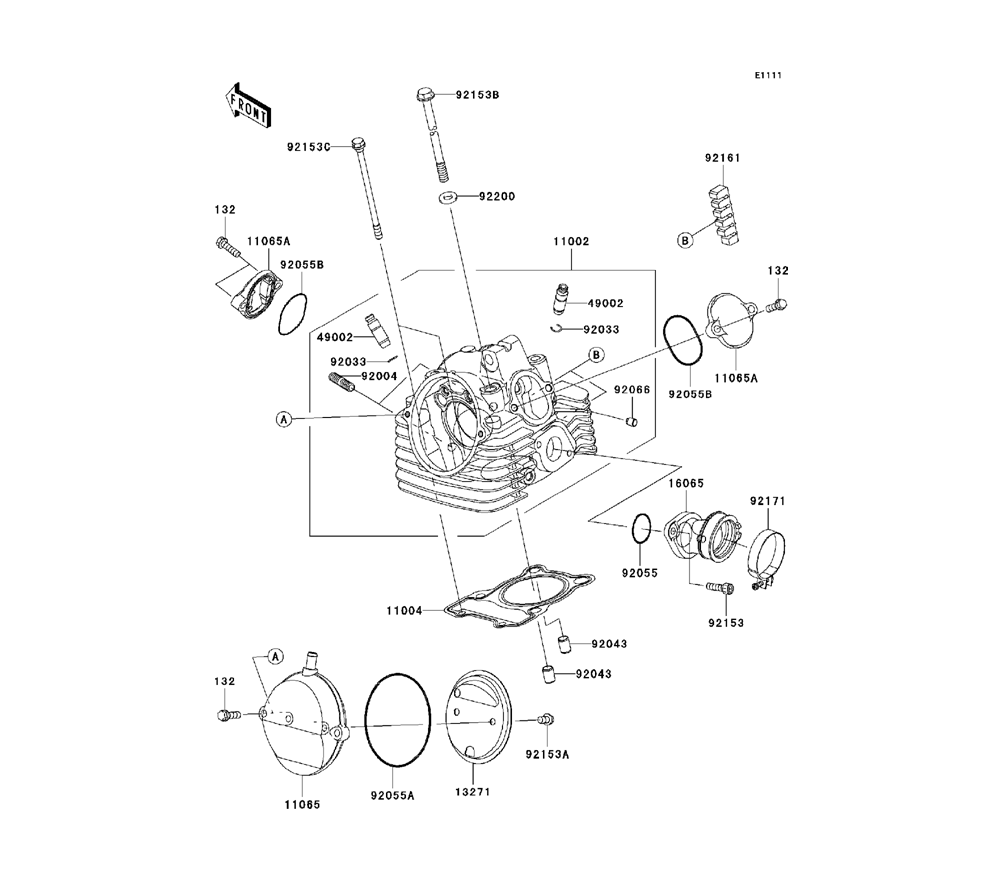
Cylinder Head / ฝาสูบ
03
Cylinder/Piston(s) / เสื้อสูบ/ลูกสูบ
04
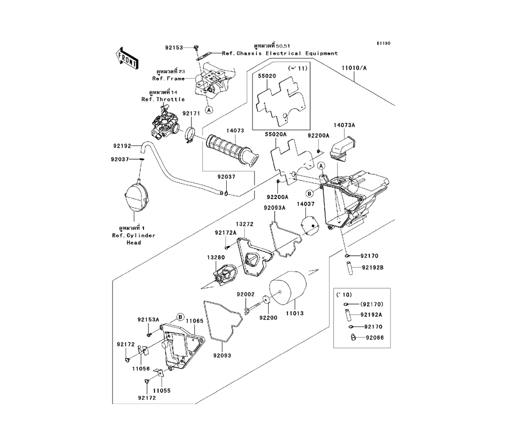
Air Cleaner / หม้อกรองอากาศ
05
Muffler(s) / ท่อไอเสีย
06
Valve(s) / วาวล์
07
Camshaft(s) Tensioner / เพลาราวลิ้น/ตัวดันโซ่
08
Crankshaft / เพลงข้อเหวี่ยง
09
Clutch / คลัช
10
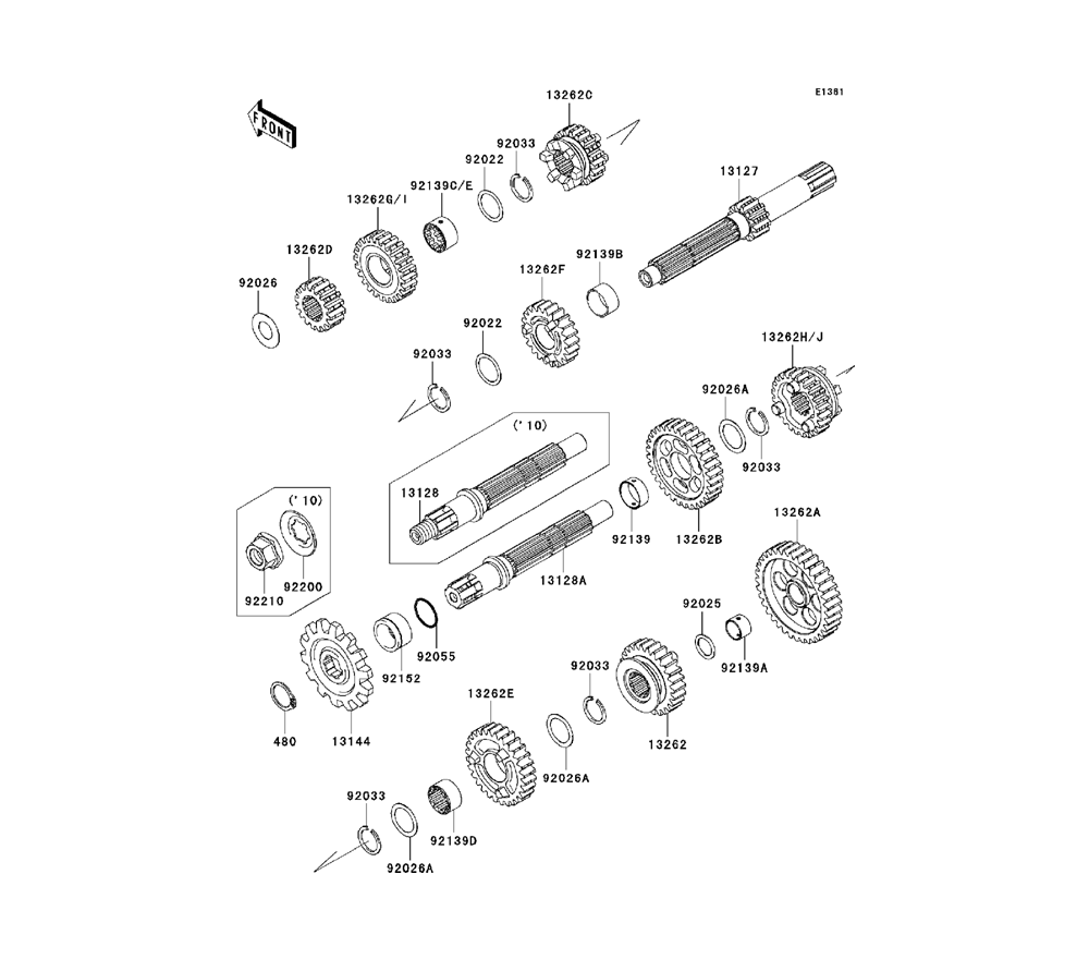
Transmission / เฟืองเกียร์
11
Gear Change Drum / Shift Fork(s) / กระปุกเกียร์/ก้ามปูเกียร์
12
Gear Change Mechanism / คันเกียร์
13
Crankcase / แคร้งเครื่องยนต์
14
Engine Cover(s) / ฝาครอบเครื่องยนต์
15
Throttle / ชุดลิ้นเร่ง
16
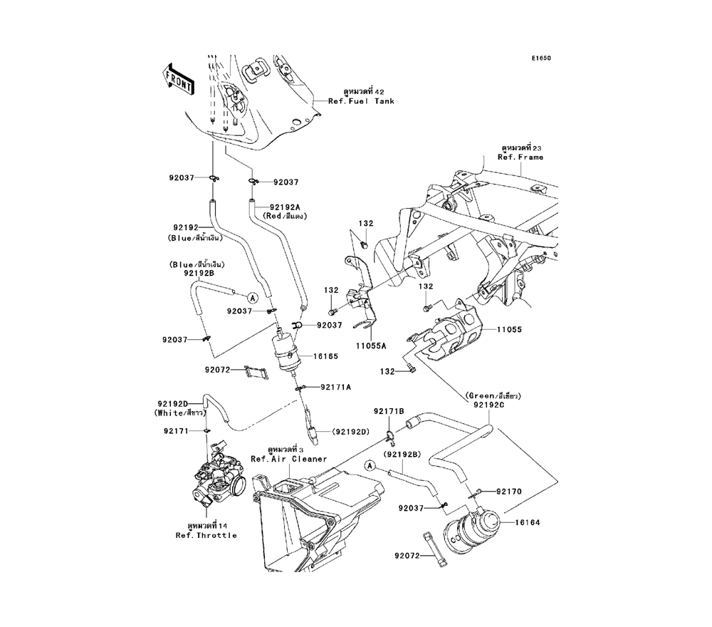
Fuel Pump / ปั๊มน้ำมันเชื้อเพลิง
17
Fuel Injection / ตัววัดและส่งสัญญาณ
18
Fuel Evaporative System / ระบบควบคุมไอน้ำมันเชื้อเพลิง
19
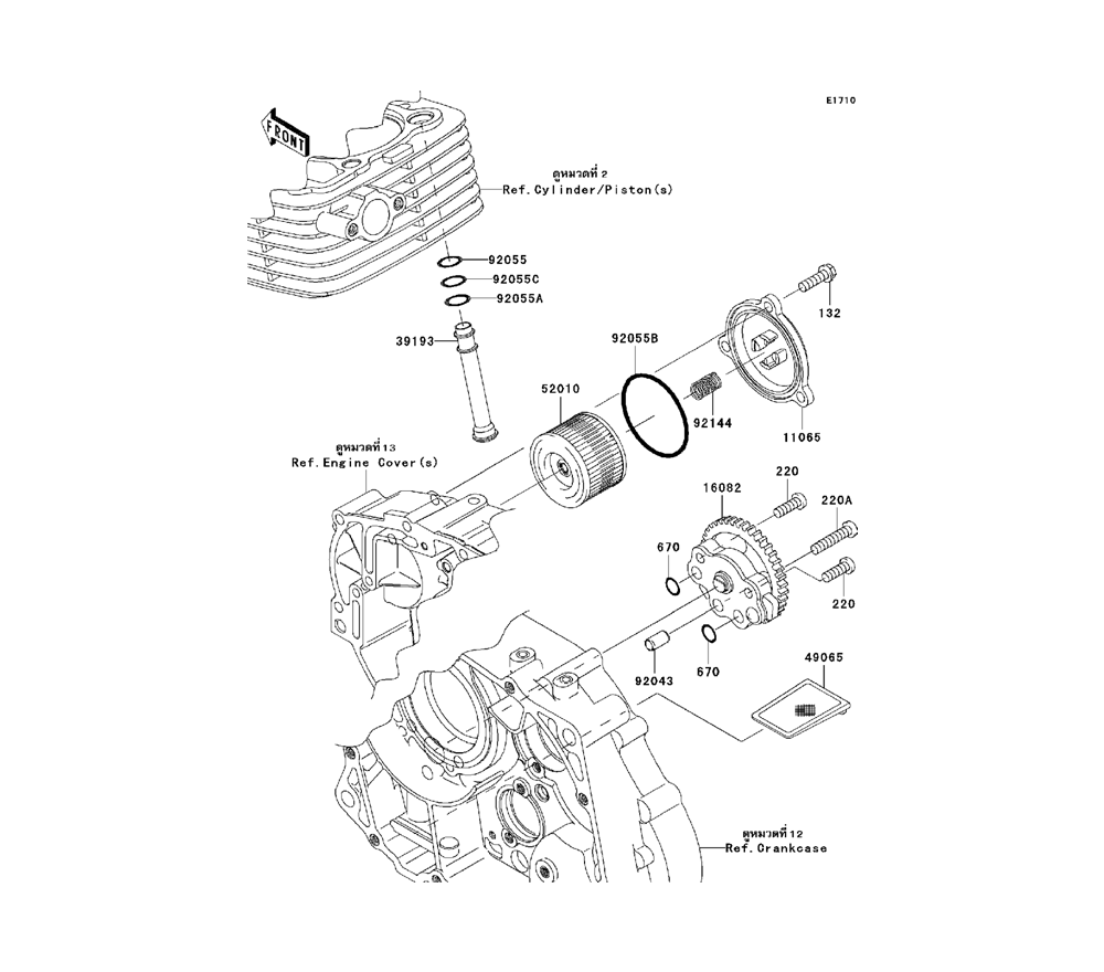
Oil Pump / ปั๊มน้ำมันเครื่อง
20