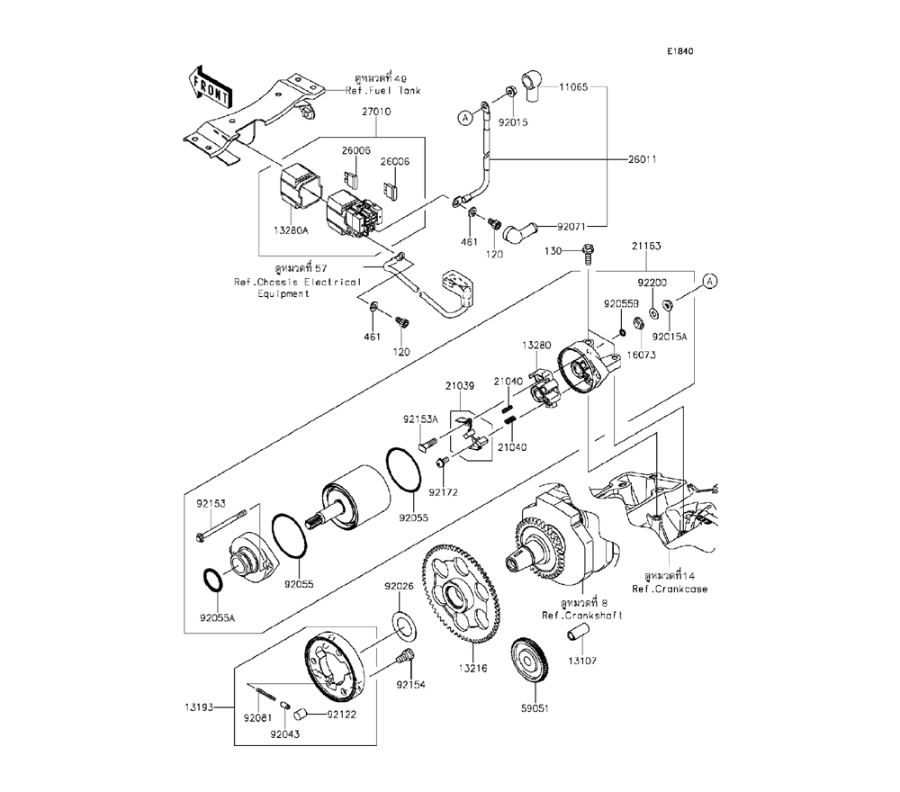
Starter Motor / มอเตอร์สตาร์ท
0

Go to the brand
314138 314139 314140 314141 314142 314143 314144 314145 314146 314147 314148 314149 314150 314151 314152 314153 314154 314155 314156 314157 314158 314159 314160 314161 314162 314163 314164 314165 314166 314167 314168 314169 314170 314171 314172 314173 314174