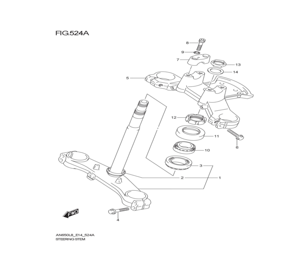
Steering Stem / แกนคอ
0

Go to the brand
658114 658115 658116 658117 658118 658119 658120 658121