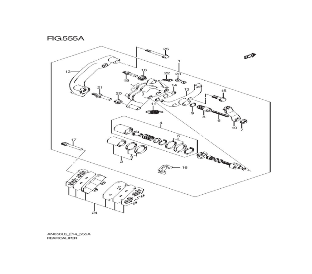
Rear Caliper / คาลิเปอร์หลัง
0

Go to the brand
658188 658189 658190 658191 658192 658193