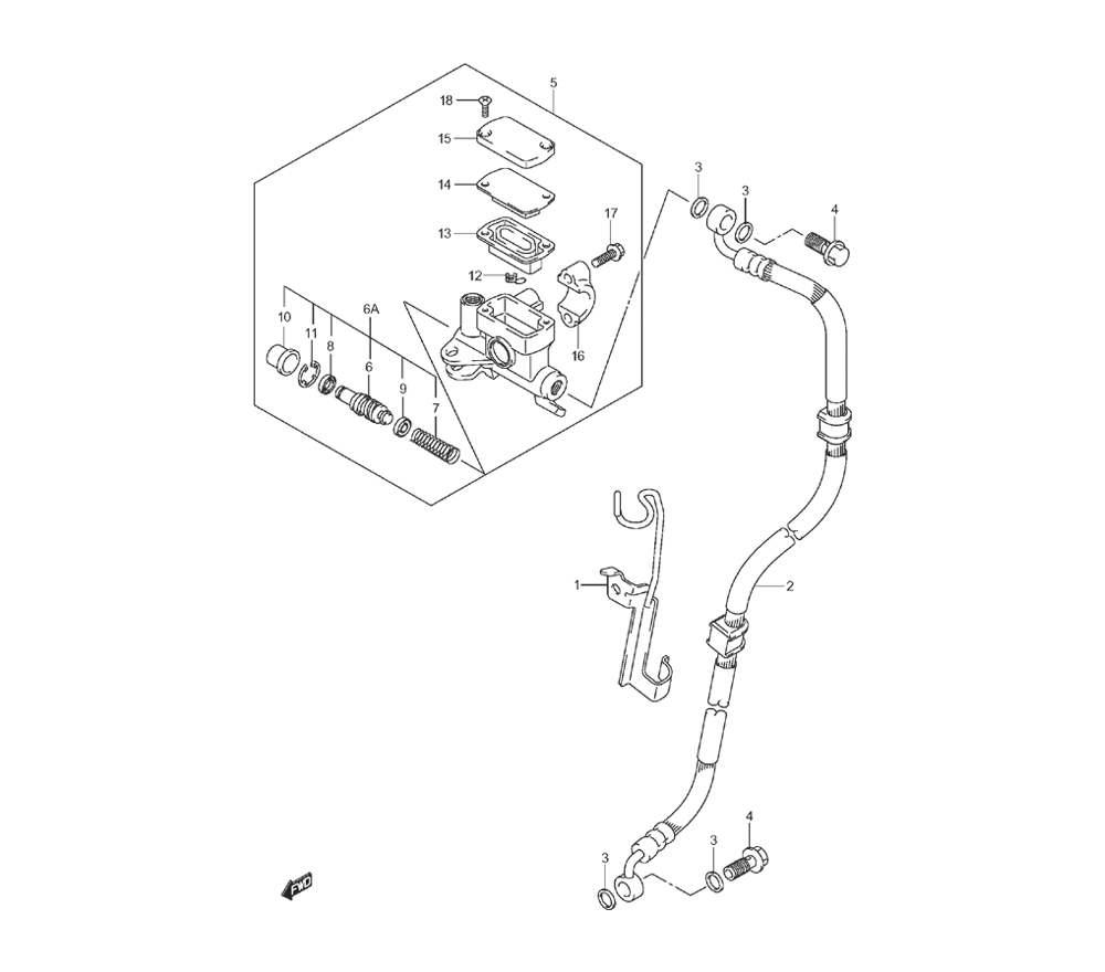
Front Master Cylinder / แม่ปั๊มเบรคหน้า
0

Go to the brand
660959 660960 660961 660962 660963 660964 660965 660966 660967 660968 660969 660970 660971 660972 660973 660974 660975 660976 660977 660978 660979 660980 660981