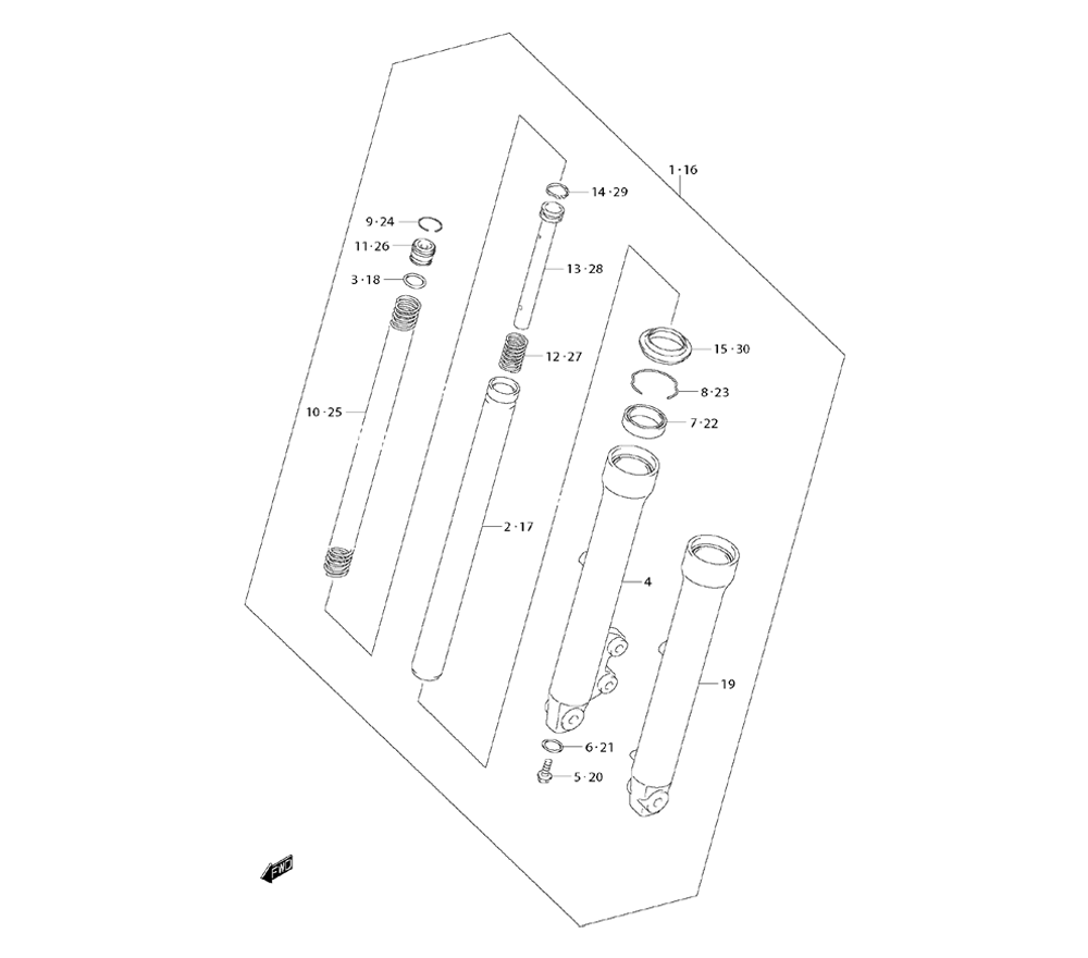
Front Fork Damper / โช้คอัพหน้า
0

Go to the brand
663611 663612 663613 663614 663615 663616 663617 663618 663619 663620 663621 663622 663623 663624 663625 663626 663627 663628 663629 663630 663631 663632 663633 663634 663635 663636 663637 663638