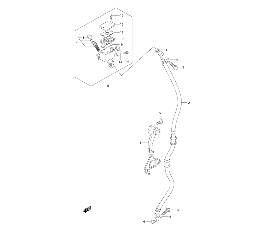
Front Master Cylinder / แม่ปั๊มเบรคหน้า
0

Go to the brand
666409 666410 666411 666412 666413 666414 666415 666416 666417 666418 666419 666420 666421 666422 666423 666424 666425 666426 666427