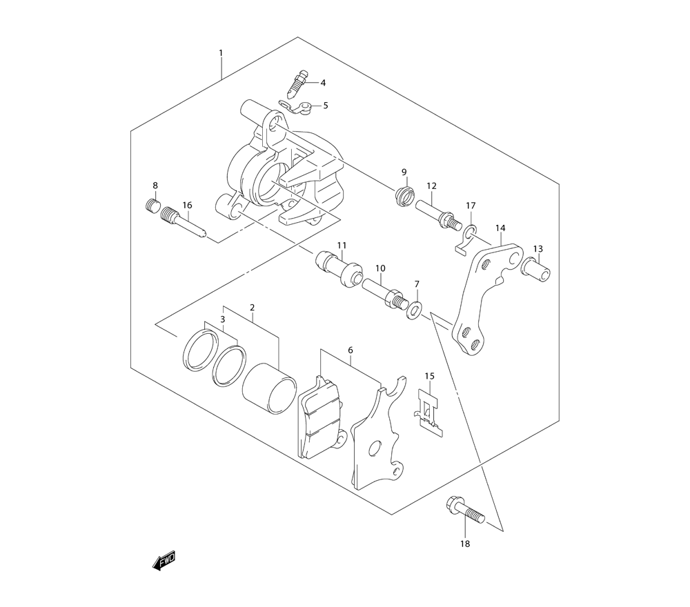
Front Caliper / คาลิเปอร์หน้า
0

Go to the brand
675067 675068 675069 675070 675071 675072 675073 675074 675075 675076 675077 675078 675079 675080 675081 675082 675083 675084