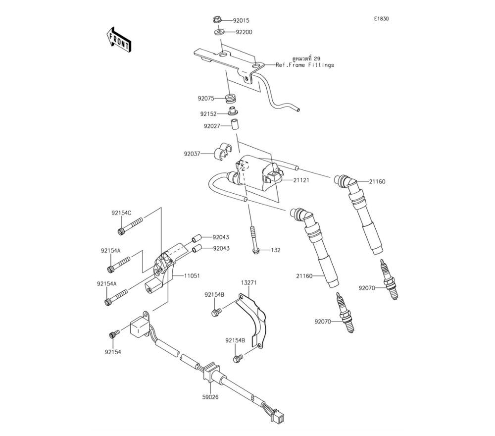
Ignition System / คอยล์หัวเทียน
0

Go to the brand
86918 86919 86920 86921 86922 86923 86924 86925 86926 86927 86928 86929 86930 86931 86932 86933 86934 86935 86936 86937 86938 86939 86940