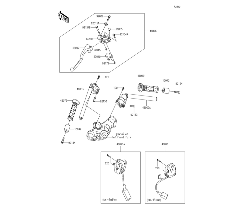
Handlebar / แฮนเดิ้ลบาร์
0

Go to the brand
90125 90126 90127 90128 90129 90130 90131 90132 90133 90134 90135 90136 90137 90138 90139 90140 90141 90142 90143 90144 90145 90146 90147 90148 90149 90150 90151