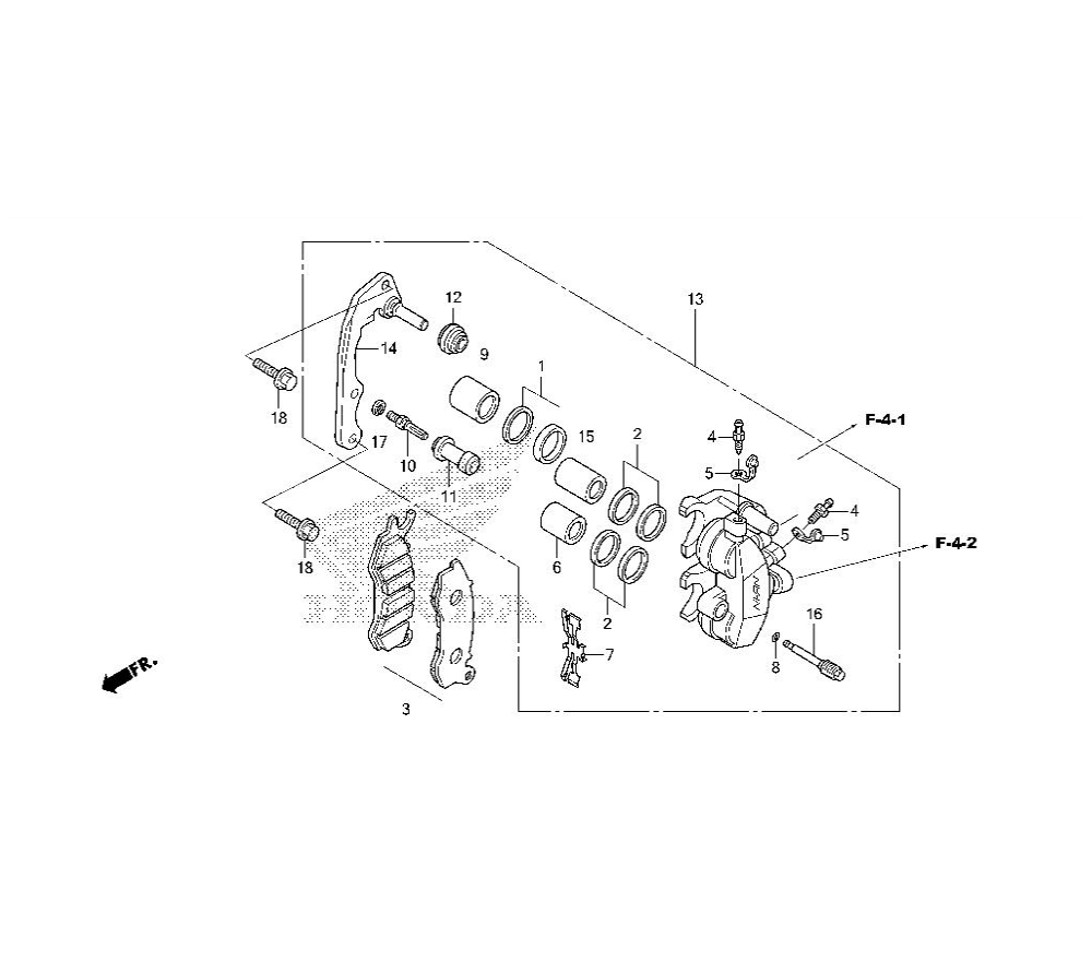
Front Brake Caliper / ชุดดิสก์เบรคหน้า
0

Go to the brand
874433 874434 874435 874436 874437 874438 874439 874440 874441 874442 874443 874444 874445 874446 874447 874448 874449 874450 874451 874452 874453 874454