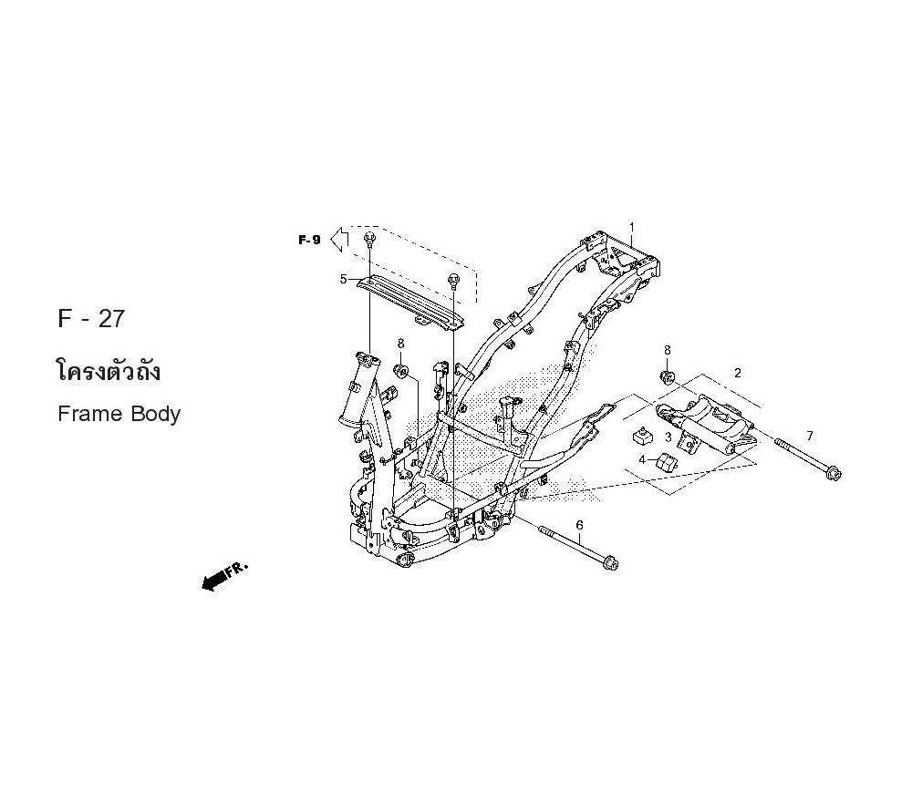
Frame Body / โครงตัวถัง
0

Go to the brand
879501 879502 879503 879504 879505 879506 879507 879508 879509