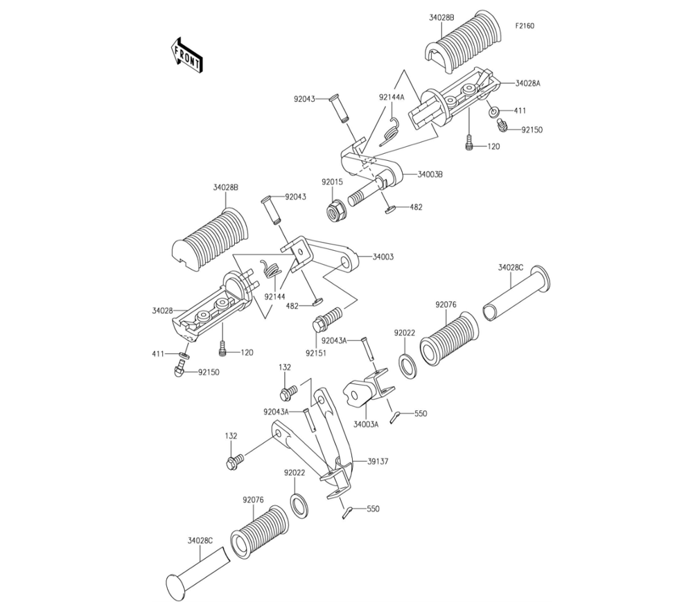
Footrests / พักเท้า
0

Go to the brand
95919 95920 95921 95922 95923 95924 95925 95926 95927 95928 95929 95930 95931 95932 95933 95934 95935 95936 95937 95938 95939 95940 95941 95942 95943 95944 95945 95946 95947 95948 95949 95950 95951 95952