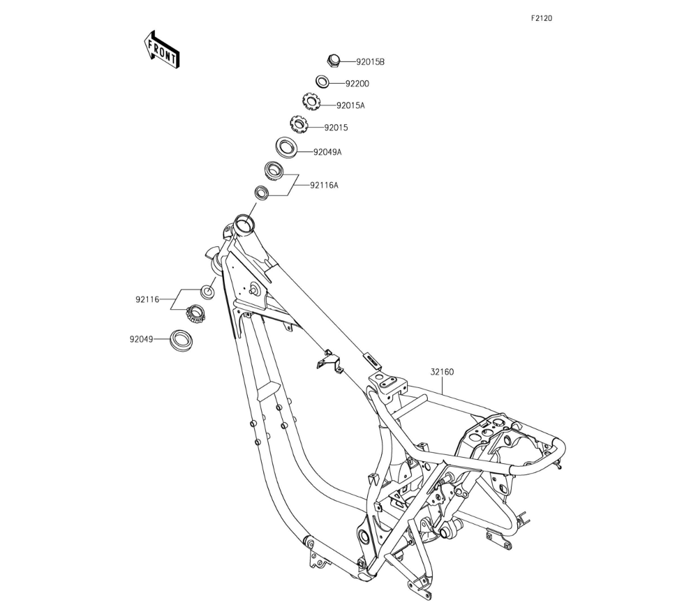
Frame / ตัวถัง
0

Go to the brand
96085 96086 96087 96088 96089 96090 96091 96092 96093