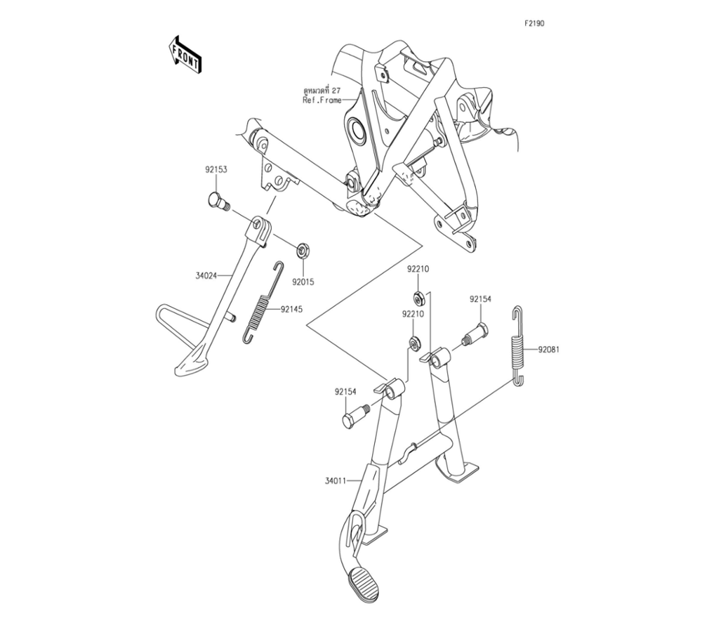
Stand(s) / ขาตั้ง
0

Go to the brand
96911 96912 96913 96914 96915 96916 96917 96918 96919 96920