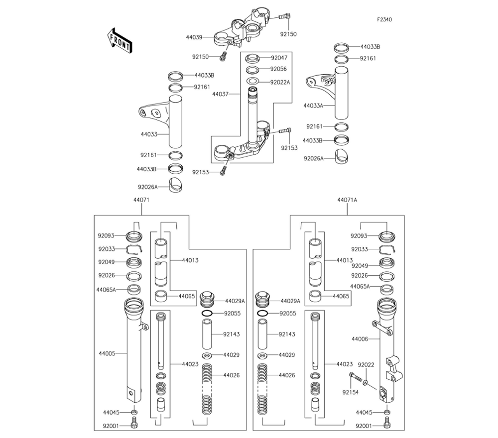
Front Fork / โช้คอัพหน้า
0

Go to the brand
97174 97175 97176 97177 97178 97179 97180 97181 97182 97183 97184 97185 97186 97187 97188 97189 97190 97191 97192 97193 97194 97195 97196 97197 97198 97199 97200 97201 97202 97203 97204 97205 97206 97207 97208 97209 97210 97211 97212 97213 97214 97215 97216 97217 97218 97219 97220 97221 97222 97223 97224 97225 97226 97227 97228 97229 97230