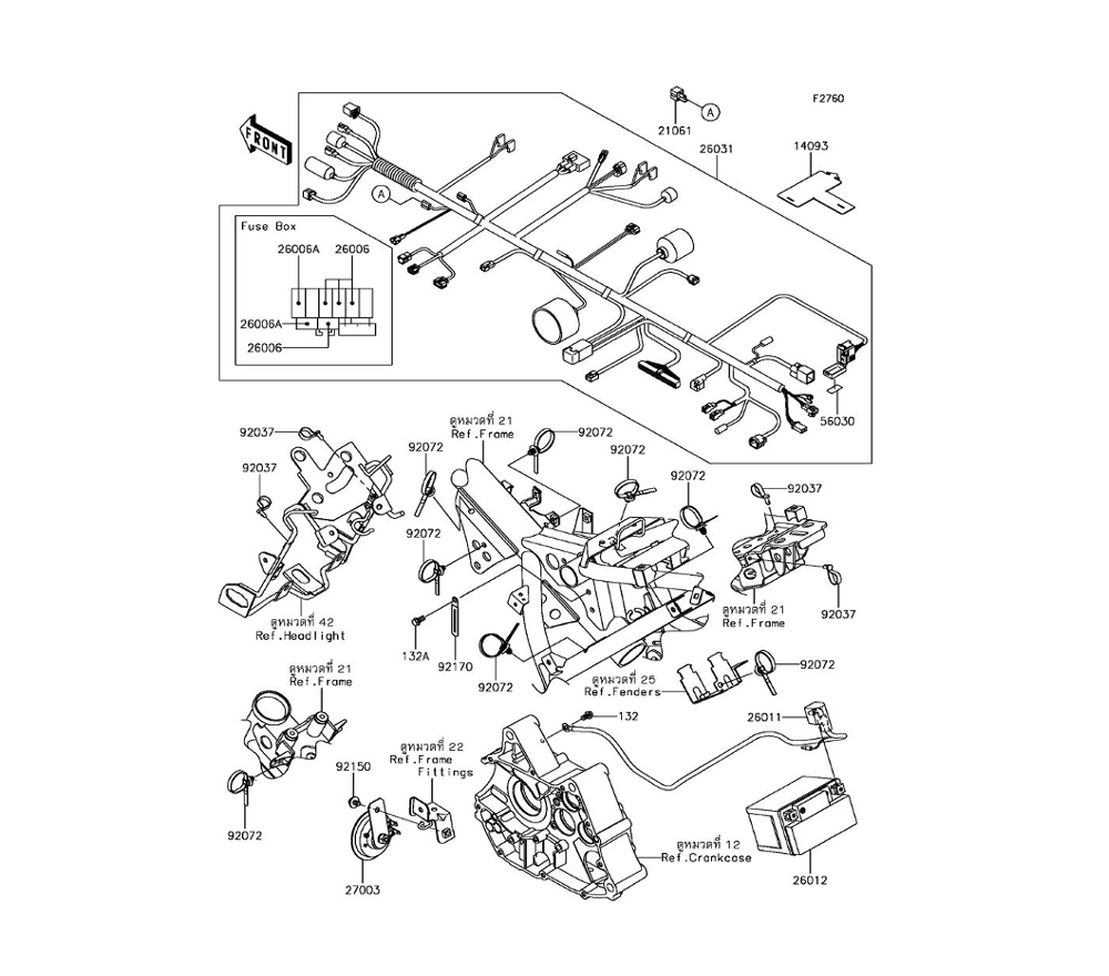
Chassis Electrical Equipment
0

Go to the brand
1157890 1157891 1157892 1157893 1157894 1157895 1157896 1157897 1157898 1157899 1157900 1157901 1157902 1157903 1157904 1157905 1157906 1157907 1157908 1157909 1157910 1157911 1157912 1157913 1157914 1157915