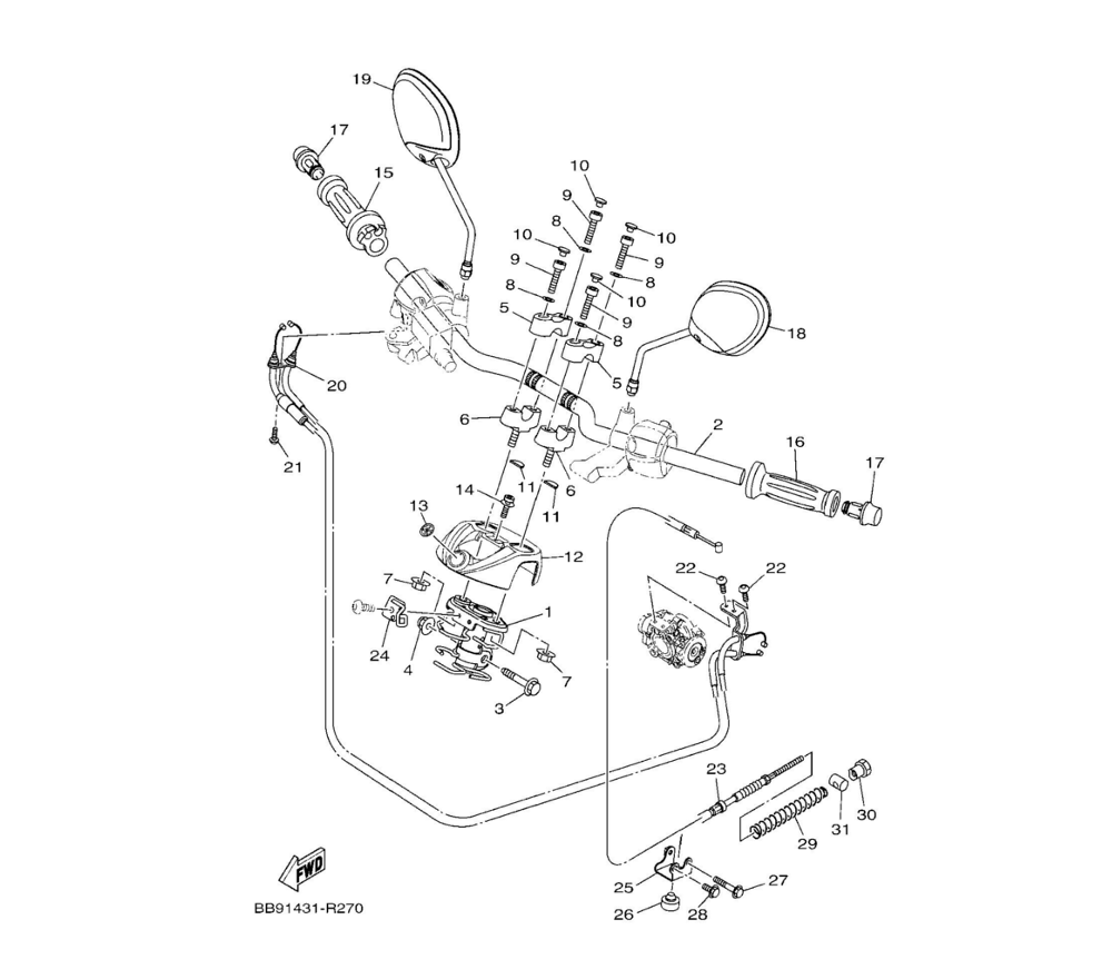
STEERING HANDLE & CABLE
0

Go to the brand
1677093 1677094 1677095 1677096 1677097 1677098 1677099 1677100 1677101 1677102 1677103 1677104 1677105 1677106 1677107 1677108 1677109 1677110 1677111 1677112 1677113 1677114 1677115 1677116 1677117 1677118 1677119 1677120 1677121 1677122 1677123 1677124 1677125 1677126 1677127 1677128 1677129 1677130 1677131 1677132 1677133 1677134 1677135 1677136 1677137 1677138 1677139 1677140 1677141 1677142 1677143 1677144 1677145 1677146