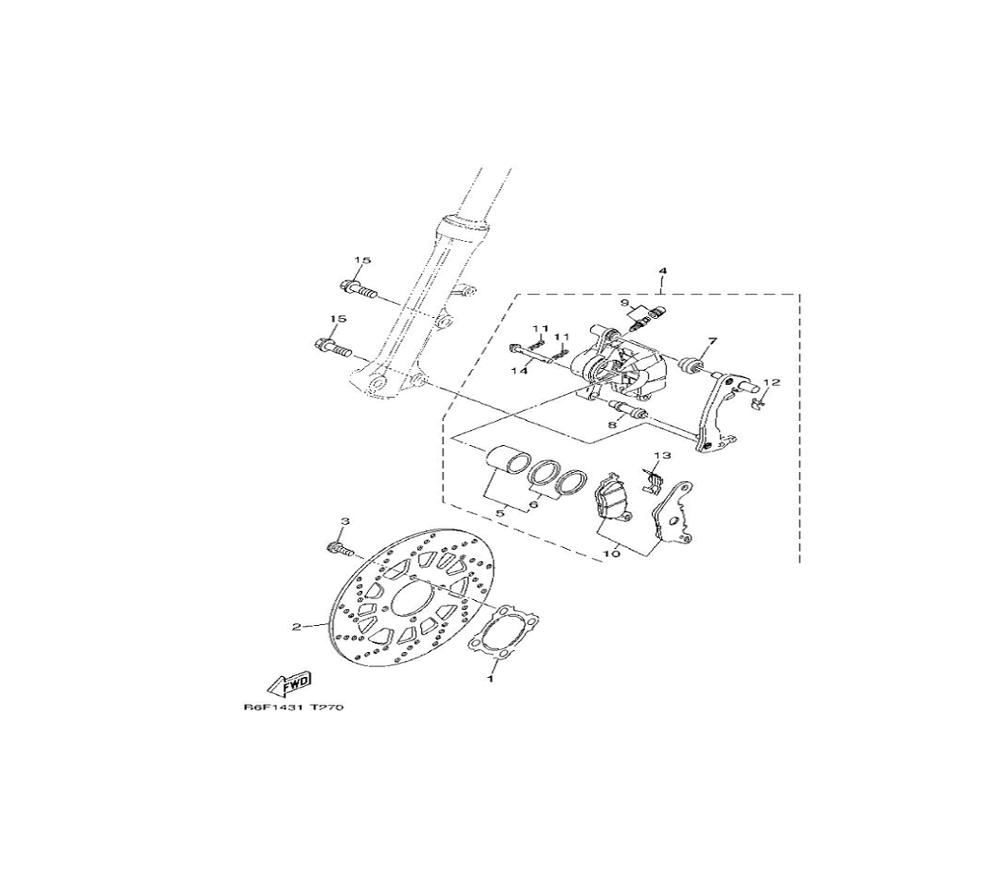
FRONT BRAKE CALIPER 2
0

Go to the brand
1691372 1691373 1691374 1691375 1691376 1691377 1691378 1691379 1691380 1691381 1691382 1691383 1691384 1691385 1691386 1691387 1691388