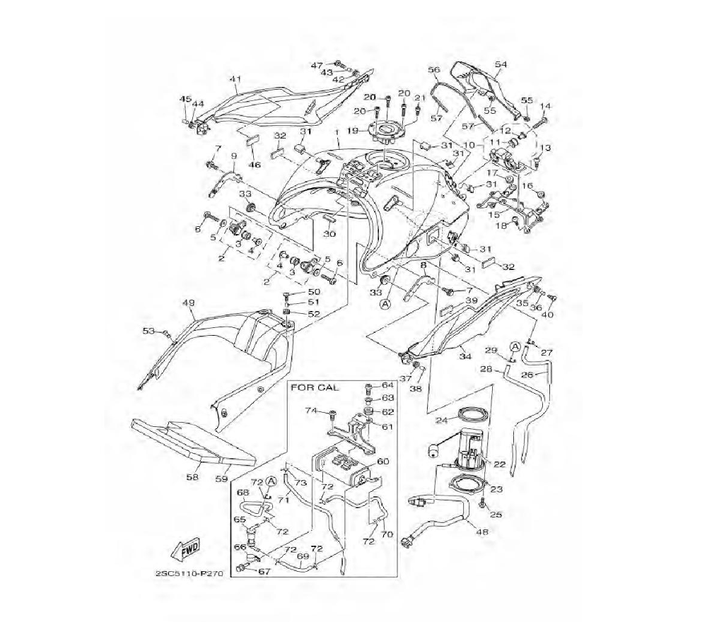
FUEL TANK
0

Go to the brand
1692706 1692707