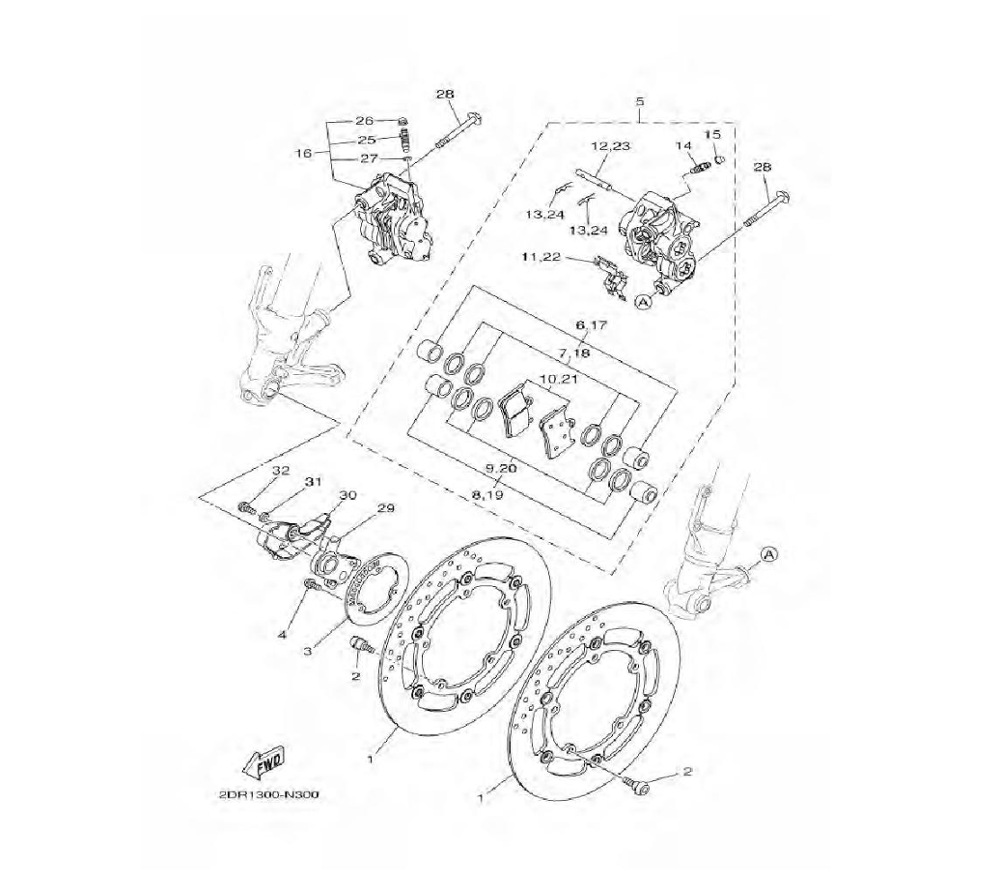
FRONT BRAKE CALIPER
0

Go to the brand
1692842 1692843